Автомобильные Форумы POKATILI.RU

Форумы Добровольного Общества Взаимного Обеспечения на Дорогах
Текущее время: Пт янв 16, 2026 6:26

Часовой пояс: UTC + 4 часа [ Летнее время ]




Начать новую тему Ответить на тему  [ Сообщений: 418 ]  На страницу Пред.  1 ... 4, 5, 6, 7, 8, 9, 10 ... 28  След.
Автор Сообщение
 Заголовок сообщения:
СообщениеДобавлено: Ср дек 16, 2009 2:11 
Не в сети
бомбила форума
бомбила форума
Аватара пользователя

Зарегистрирован: Пт окт 30, 2009 1:52
Сообщения: 1064
Откуда: Великий Новгород
Ну на жигулях-то есть возможность взятия воздуха из салона, и его подогрев. Таким образом, салон гораздо быстрее прогревается.
Я вот уже всерьёз задумываюсь, чтобы из подогреваемого выпускного коллектора (откуда тёплый воздух в воздушный фильтр идёт) брать воздух и для печки. Есть большой плюс - выпускной коллектор нагревается очень быстро, и буквально через минуту в салон при любом морозе уже сможет идти тёплый воздух. Если правильно всё реализовать.

Цитата:
переключатель режимов печки,если крутить вправо-воздух с улицы,влево-из салона

Это тот переключатель, что распределяет потоки воздуха (на стекло, в ноги)? Или тот, что температуру регулирует? На моей модели других переключателей нет. Только эти и скорость печки.

Что поделать, машина совсем не для нашего климата проектировалась...

_________________
Ford Escort Hatchback 1993; 1,4 CVH - F6F; моновпрыск CFI


Вернуться к началу
 Профиль  
 
 Заголовок сообщения:
СообщениеДобавлено: Ср дек 16, 2009 3:04 
Не в сети
Специалист по электрике
Аватара пользователя

Зарегистрирован: Вт сен 20, 2005 4:06
Сообщения: 6562
Откуда: сКольский п-ов
SANches писал(а):
Дружно удивились что стеклоподъемники связаны с печкой по питанию!

Значится они связаны в блоке реле по питалову одной дорожкой, что вполне логично, ведь предохранители F18 и F20 рядом находятся.
А вот в схеме они никак не связаны. Поэтому и сказал, что хреново - прямая дорога к разборке блока реле...

_________________
Мир всем...
Escort''95 mk6, CLX, hatchback five-door , CFI, J6A, HCS 1.3
...имеющие уши да услышат...
...у быстро бегущей маленькой мышки лапок не видно - отрицать невидимое есть очевидная ересь...


Вернуться к началу
 Профиль  
 
 Заголовок сообщения:
СообщениеДобавлено: Ср дек 16, 2009 10:25 
Не в сети
Модератор раздела FAQ
Модератор раздела FAQ
Аватара пользователя

Зарегистрирован: Вт фев 28, 2006 16:15
Сообщения: 6483
Откуда: Москва.
Машина: другой Ford
SinclairLtd писал(а):
Это тот переключатель, что распределяет потоки воздуха (на стекло, в ноги)? ...
Да.Речь о нём была.
Вообще, тут тема - про моторчик.


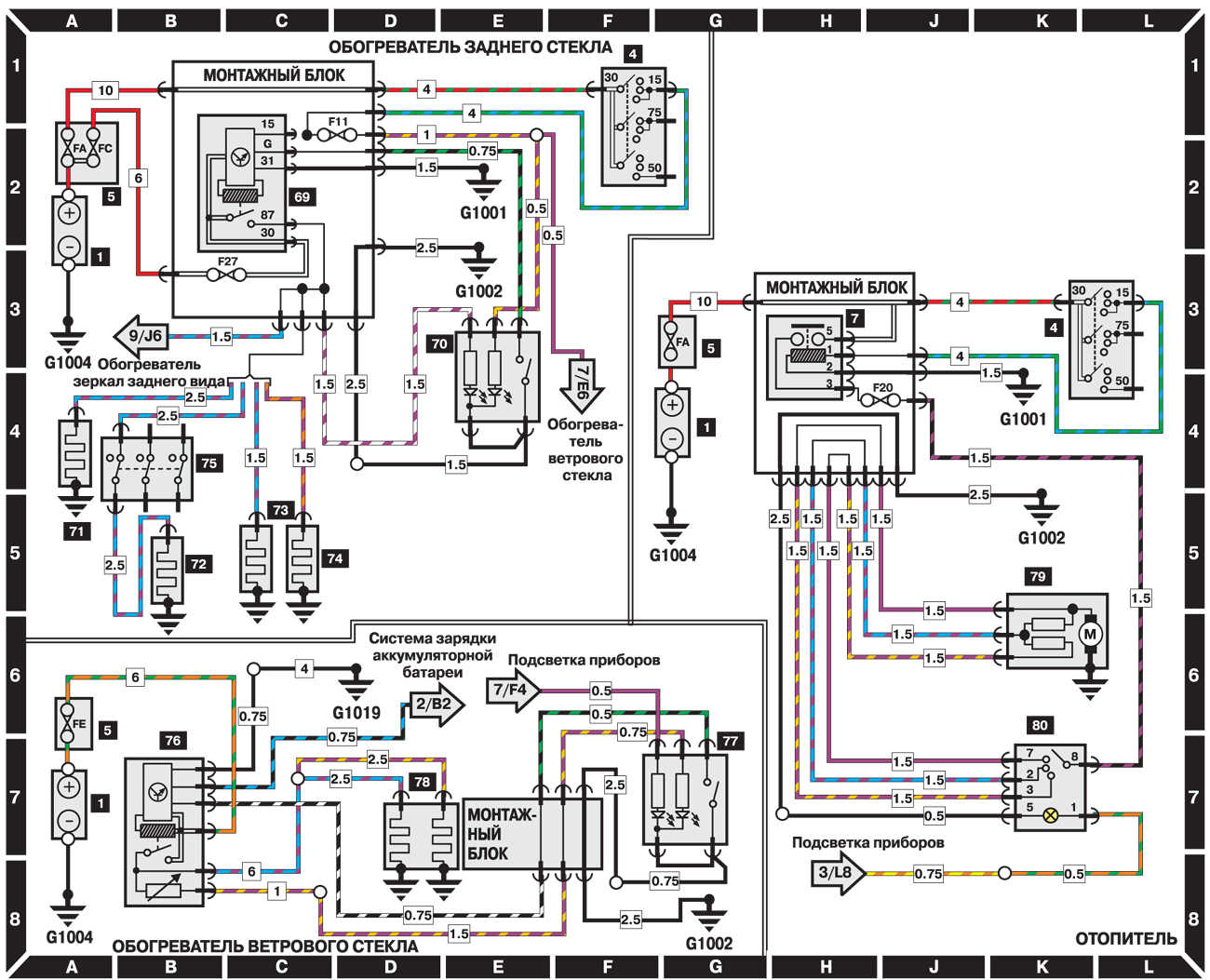
Вложения:
Комментарий к файлу: Электросхема
sh печка.jpg
sh печка.jpg [ 169.58 КБ | Просмотров: 7854 ]

_________________
С уважением, Михаил.
Променял Эскорт 16V на Форд-Фокус II и III.


Последний раз редактировалось Mishal Вт мар 16, 2010 12:40, всего редактировалось 1 раз.
Вернуться к началу
 Профиль  
 
 Заголовок сообщения:
СообщениеДобавлено: Ср дек 16, 2009 10:52 
Не в сети
чайник форума (знак 70)
чайник форума (знак 70)
Аватара пользователя

Зарегистрирован: Ср окт 29, 2008 18:37
Сообщения: 52
Откуда: Самара
SinclairLtd писал(а):
Это тот переключатель, что распределяет потоки воздуха (на стекло, в ноги)? Или тот, что температуру регулирует? На моей модели других переключателей нет. Только эти и скорость печки.
Как раз тот, который регулирует скорость печки. По 3 скорости слева и справа. Справа - воздух с улицы, слева - из салона.
MozgoveD писал(а):
Значится они связаны в блоке реле по питалову одной дорожкой, что вполне логично, ведь предохранители F18 и F20 рядом находятся. А вот в схеме они никак не связаны. Поэтому и сказал, что хреново - прямая дорога к разборке блока реле...

Абсолютно верно! Я ж и написал, что эта дорожка выгорела. Блок реле (монтажный блок) польностью разбирали. MozgoveD как всегда прав!))) :smile139:

_________________
Escort '97 1,6i 16v Zetec GHIA 5-хэтчбэк
Изображение


Вернуться к началу
 Профиль  
 
 Заголовок сообщения:
СообщениеДобавлено: Ср дек 16, 2009 13:21 
Не в сети
рейсер форума
рейсер форума
Аватара пользователя

Зарегистрирован: Сб окт 17, 2009 0:46
Сообщения: 831
Откуда: Москва,САО
SinclairLtd писал(а):
Или тот, что температуру регулирует?

тот,что регулирует скорости вентилятора. у меня три переключателя стоят:регулировка температуры,скорости вентилятора, направление обдува.

_________________
Escort 1997 1.6 Zetek(L1E) Chia(кондей,2 airbag,ABS...) 1997 Turnier,продан с потухшим "сердцем"...


Вернуться к началу
 Профиль  
 
 Заголовок сообщения:
СообщениеДобавлено: Пн дек 28, 2009 3:24 
Не в сети
ученик форума
ученик форума
Аватара пользователя

Зарегистрирован: Пн окт 15, 2007 18:24
Сообщения: 16
Откуда: АР Крым, г.Симферополь
Мотор этот задолбал конкретно. Новый стоит дороже 200уев. Реишл искать замену из тазоведерного контингента. Выбор пал на девяточную улитку. Продавец пошел на встречу, сказал что поменяет если не додумаюсь как поставить.

Отличия владельцам фордов думаю понятно, оригинальный с 2 крыльчатками, и соответсвенно 2 окна для воздуха в камеру перед печкой. У 9 улитки крыльчатка одна, хоть чуток и побольше. Юзать придеться только одно окно.
Процесс:
1. Открутить станину вентилятора, и убрать все скопом к чертям собачим. Единственное что вам понадобиться это блок сопротивлений (вентилируемая коробочка со спиральками-сопротивлениями), провод массы, и +ой провод с клемой. Провода нужны ибо девяточные короткие очень.
2. Подготовить улитку, то есть подрезать ножом раструб так чтоб улитка входила в окно, я расположил улитку двигателем к аккамулятору, в окно которое ближе к блоку предохранителей и дальше от аккамулятора.
3. Отрезал клемник под болт с улитки, и примотал длинный провод массы с оригинального двигателя, то же самое проделал со вторым проводом. Каюсь паять ничего не стал, в принципе медь на медь сильно не должно окисляться, но по правильному надо было бы пропаять )). Заизолировал изолентой скрутки.
4. воткнул улитку без крепежа в окно, подключил провода, и ... тестовый запуск, засвистело загудело, воздух пошел в салон.
5. Самое тяжелое, и мной сделано в корне неверно и отвратительно, крепеж улитки на корпусе. Хорошая идея в голову мне так и не пришла. За отсутсвием дрели и саморезов, посадил улитку на двойной скотч. С блоком сопротивлений поступил так же беспощадно, присобачил его двойным скотчем на корпусе двигателя улитки.
6. Что делать со 2 окном в камеру перед печкой?
Оставил его открытым. Даже с открытым вторым окном воздух в солон поступает отлично. Плюс всякие листики и прочая лобуда потоком воздуха из этого окна выдувается через верх под копот )))
Думаю также будет плюсом то что воздух при выключенном вентиляторе сможет поступать в салон самотоком. В прогретой машине подобный режим помоему самый оптимальный, чтоб и глаза не резало от жары, но и не выхолаживалась. У меня первая скорость не работает, так я в принципе самоток использую как первую ))) правда нужно чтоб авто двигалось...

Итог: ощущения радости были омрачены неудовлетворенностью от качетсва монтажа. Посадить на саморезы, вердикт однозначный.
По качеству обдува очень доволен.
Кто хочет может заделать 2 окно, но это как кому нравиться, как по мне и с открытым окном сила потока как на оригинальном вентиле.

По ценам:
Оригинальный мотор стоит больше 200 доларов.
9 улитку я покупал за 185 гривен. На момент покупки это где то 24 бакса. Плюс скотч 2-3 бакса. В России улитка должна стоит еще дешевле, я так думаю.
Я конечно не знаю, но как по мне лучше уж так, чем покупать хз что с разборки.

PS Не забудтьте закрутить назад гайки которыми крепиться станина, ибо они так же держат пластиковый корпус воздухозабоника.

Отредактированно 20 майя 2011 года

Почти 2 года прошло.... Работает епт )))
Посадил правда, почти сразу же, на саморезы...
поправка №1: Погружать края улитки в окно воздухозаборника нельзя, ибо они заблокируют переключатель между холодным и горячим воздухом...
поправка №2: Посадил на саморезы..., хотя возможно и не самым лучшим образом. Взял пластиковую станину от старого моторчика, при помощи ножа и ножовки срезал все ненужное в том месте где окно на станине и окно в кузове совпадают.... Подрезал крайя у улитки, ибо не влазила в окно станины.... После чего саморезами прикрутил улитку к станине... Уже не помню куда, но реостат тоже прикрутил куда то... Ну и станину прикручиваем на родное место.. ВСЕ

Дуть стало немного хуже, ибо станина дает зазор воздушный, и поток немного рассеивается... Но, в принципе, я не жалуюсь...По мощности воздухопотока, как мне кажеться, не отличается от того что был с оригинальным мотором, до того как тот сломался окончательно....

_________________
ford escort 86r. disel 1.6


Последний раз редактировалось OldDisel Пт май 20, 2011 20:05, всего редактировалось 3 раз(а).

Вернуться к началу
 Профиль  
 
 Заголовок сообщения:
СообщениеДобавлено: Вт мар 16, 2010 11:04 
Не в сети
Модератор раздела FAQ
Модератор раздела FAQ
Аватара пользователя

Зарегистрирован: Вт фев 28, 2006 16:15
Сообщения: 6483
Откуда: Москва.
Машина: другой Ford
Creator писал(а):
Моторчик печки снимал много раз- надо снять жабо, пластмассовый щит ...

Что за жабо? Это прямоугольный корпус с крышкой?
Что за щит? Это наверно вертикальная перегородка ?

Creator писал(а):
..мотор прикручен на две гайки по краям....

Под капотом? Или в салоне?

Не пойму, какого типа у тебя печка. Фоток нет?

_________________
С уважением, Михаил.
Променял Эскорт 16V на Форд-Фокус II и III.


Вернуться к началу
 Профиль  
 
 Заголовок сообщения:
СообщениеДобавлено: Вт мар 16, 2010 14:56 
Не в сети
рейсер форума
рейсер форума
Аватара пользователя

Зарегистрирован: Сб окт 17, 2009 0:46
Сообщения: 831
Откуда: Москва,САО
Mishal писал(а):
Не пойму, какого типа у тебя печка. Фоток нет?

скорее всего не такая как у нас. я пытался долезть до своего моторчика,на холодную посвистывает,думаю потеплеет надо повторить попытку. может подскажет кто ссылку где описано как это сделать у машины с кондеем,неужели нужно всю приблуду снимать,которая к кондею относиться.

_________________
Escort 1997 1.6 Zetek(L1E) Chia(кондей,2 airbag,ABS...) 1997 Turnier,продан с потухшим "сердцем"...


Вернуться к началу
 Профиль  
 
 Заголовок сообщения:
СообщениеДобавлено: Вт мар 16, 2010 15:20 
Не в сети
профессионал форума
профессионал форума
Аватара пользователя

Зарегистрирован: Пн сен 03, 2007 14:21
Сообщения: 1628
Откуда: Барановичи - РБ
У меня без кондишена и фильтра. Жабо - это решетка, из которой дворники торчат. Их естественно тоже снять надобно. Щит это горизонтальная крышка над мотором печки - два болтика, отстегнуть жгут проводов и тянуть на себя и вверх - там по другому не получится. Перегородку отсека вертикальную снять труднее, но без нее удобнее наверное к мотору лазить - у меня там все шумкой закрыто, потому не снимал. Сам мотор прикручен со стороны капота, и еще проводок массы на кронштейне движка дворников.

_________________
Escort [MkVII] '97 - 3 двери, PTE (CVH) 1.4i, ABS, ГУР - живчик. Нашел нового хозяина. Больше не требует внимания к своему ЛКП.


Вернуться к началу
 Профиль  
 
 Заголовок сообщения:
СообщениеДобавлено: Вт мар 16, 2010 21:16 
Не в сети
рейсер форума
рейсер форума
Аватара пользователя

Зарегистрирован: Сб окт 17, 2009 0:46
Сообщения: 831
Откуда: Москва,САО
у меня и фильтр есть,правда сейчас не стоит. жабу и дворники я снимал. а вот щит не получилось,т.к. на нем стоит приблуда которая к кондею относиться. и видимо пока ее не снимешь, щит не снять.

_________________
Escort 1997 1.6 Zetek(L1E) Chia(кондей,2 airbag,ABS...) 1997 Turnier,продан с потухшим "сердцем"...


Вернуться к началу
 Профиль  
 
 Заголовок сообщения:
СообщениеДобавлено: Вт мар 16, 2010 21:44 
Не в сети
Модератор раздела FAQ
Модератор раздела FAQ
Аватара пользователя

Зарегистрирован: Вт фев 28, 2006 16:15
Сообщения: 6483
Откуда: Москва.
Машина: другой Ford
Снял печку. Для этого пришлось снять:
- Поводки стеклоочистителя (оба)
- Панель стеклоочистителя.(6 саморезов)
- Разъём на блоке резисторов и с винт "на 8" массы.
- Сам стеклоочиститель (4 винта "на 8" )
- Блок резисторов(крышка и 2 самореза) что не цеплялся.
- Воздушный патрубок (на Зетеке он мешает доступу)
- Щит моторного осека.(переборку)Открутил 4 самореза (под ключ 10), отсоединил провода и сдвинул его в сторону АКБ.


Вложения:
Комментарий к файлу: Снятие перегородки.
IMG_8554.JPG
IMG_8554.JPG [ 308.1 КБ | Просмотров: 7840 ]
Комментарий к файлу: Перегородка
IMG_8555.JPG
IMG_8555.JPG [ 411.23 КБ | Просмотров: 7836 ]

_________________
С уважением, Михаил.
Променял Эскорт 16V на Форд-Фокус II и III.


Последний раз редактировалось Mishal Ср мар 17, 2010 0:49, всего редактировалось 2 раз(а).
Вернуться к началу
 Профиль  
 
 Заголовок сообщения:
СообщениеДобавлено: Ср мар 17, 2010 0:29 
Не в сети
Модератор раздела FAQ
Модератор раздела FAQ
Аватара пользователя

Зарегистрирован: Вт фев 28, 2006 16:15
Сообщения: 6483
Откуда: Москва.
Машина: другой Ford
Корпус печки крепится в 4-х точках (ключ на 13).
Пришлось ещё снять трапецию стеклоочистителя.


Вложения:
Комментарий к файлу: Снятие печки.
IMG_8563.JPG
IMG_8563.JPG [ 308.27 КБ | Просмотров: 7836 ]
Комментарий к файлу: Печка всборе (без кондея)
IMG_8572.JPG
IMG_8572.JPG [ 240.88 КБ | Просмотров: 7833 ]

_________________
С уважением, Михаил.
Променял Эскорт 16V на Форд-Фокус II и III.
Вернуться к началу
 Профиль  
 
 Заголовок сообщения:
СообщениеДобавлено: Ср мар 17, 2010 12:26 
Не в сети
профессионал форума
профессионал форума
Аватара пользователя

Зарегистрирован: Пн сен 03, 2007 14:21
Сообщения: 1628
Откуда: Барановичи - РБ
Но с фильтром. Кстати, можешь кожух обфоткать? (себе такую хочу)

_________________
Escort [MkVII] '97 - 3 двери, PTE (CVH) 1.4i, ABS, ГУР - живчик. Нашел нового хозяина. Больше не требует внимания к своему ЛКП.


Вернуться к началу
 Профиль  
 
 Заголовок сообщения:
СообщениеДобавлено: Ср мар 17, 2010 13:34 
Не в сети
Модератор раздела FAQ
Модератор раздела FAQ
Аватара пользователя

Зарегистрирован: Вт фев 28, 2006 16:15
Сообщения: 6483
Откуда: Москва.
Машина: другой Ford
Creator Тема про фильтр печки(салонный) тут:
http://pokatili.ru/forum/viewtopic.php?p=336841#336841
Глянь, там есть фоты.

_________________
С уважением, Михаил.
Променял Эскорт 16V на Форд-Фокус II и III.


Вернуться к началу
 Профиль  
 
 Заголовок сообщения:
СообщениеДобавлено: Ср мар 17, 2010 23:59 
Не в сети
Модератор раздела FAQ
Модератор раздела FAQ
Аватара пользователя

Зарегистрирован: Вт фев 28, 2006 16:15
Сообщения: 6483
Откуда: Москва.
Машина: другой Ford
Располовинил корпус печки:
- десяток скобок, защёлки по кругу.
- 1 саморез внутри по центру(через крышку фильтра)


Вложения:
Комментарий к файлу: Моторчик в корпусе.
IMG_8581.JPG
IMG_8581.JPG [ 257.47 КБ | Просмотров: 7842 ]

_________________
С уважением, Михаил.
Променял Эскорт 16V на Форд-Фокус II и III.
Вернуться к началу
 Профиль  
 
Показать сообщения за:  Поле сортировки  
Начать новую тему Ответить на тему  [ Сообщений: 418 ]  На страницу Пред.  1 ... 4, 5, 6, 7, 8, 9, 10 ... 28  След.

Часовой пояс: UTC + 4 часа [ Летнее время ]


Кто сейчас на конференции

Сейчас этот форум просматривают: нет зарегистрированных пользователей и гости: 3


Вы не можете начинать темы
Вы не можете отвечать на сообщения
Вы не можете редактировать свои сообщения
Вы не можете удалять свои сообщения
Вы не можете добавлять вложения

Найти:
Перейти:  
cron
POWERED_BY
Русская поддержка phpBB
[ Time : 0.041s | 17 Queries | GZIP : Off ]