Автомобильные Форумы POKATILI.RU

Форумы Добровольного Общества Взаимного Обеспечения на Дорогах
Текущее время: Сб май 02, 2026 23:40

Часовой пояс: UTC + 4 часа [ Летнее время ]




Начать новую тему Ответить на тему  [ Сообщений: 82 ]  На страницу Пред.  1, 2, 3, 4, 5, 6  След.
Автор Сообщение
СообщениеДобавлено: Пн июл 09, 2012 13:21 
Не в сети
Специалист по электрике
Аватара пользователя

Зарегистрирован: Вт окт 11, 2011 11:02
Сообщения: 1132
Откуда: г.Вязники Владимирской обл.
Машина: Ford Escort
А что это за реле, что оно включает?

Если это реле R8 по обозначению на монтажном блоке, так это как раз и есть реле питания ЭБУ.
И еще надо посмотреть предохранитель №25 - он в цепи питания.

_________________
Escort Ghia 5d 1995 - Zetec 1.8 16v
был купе 1993 - 1.6 16v - разобрал на запчасти

Глаза боятся - руки делают...


Вернуться к началу
 Профиль  
 
СообщениеДобавлено: Пн июл 09, 2012 18:47 
Не в сети
чайник форума (знак 70)
чайник форума (знак 70)
Аватара пользователя

Зарегистрирован: Пт июн 29, 2012 17:54
Сообщения: 68
Откуда: Санкт-Петербург
Машина: Ford Escort
Значится так :shock:

1) Сгорело реле R8 называется оно "реле опережения зажигания"
2) Что оно делает - оно подает напряжение на Коммутатор(управления зажиганием), на катушку, на соединение s1001 (все таки - это фаза, под напряжением, все черные провода - фаза, а все коричневые - земля) и подает напряжение на реле бензонасоса
3) Машинка завелась, я вам всем очень благодарен, потому что именно с вашей помощью я смог докапаться до проблемы, как известно истина появляется в споре, а спор под конец получился нешуточный.

:smile138: :smile137:

Мне понравился форум, теперь буду всем остальным помогать.

Итого, 2 недели из-за какой-то "ля "б@ной релешки!

Кстати мужика с релешкой нашел на форуме, во всяких популярных разборках нет нифига, даже номер не пробивается.

_________________
Ford Escort GLX 1991г. 1.4 CVH CFI F6F EECIV универсал - бедняжка спасал хозяина, когда тот неумело им пользовался.

Теперь Ford Escort GLX 1999г. 1.8ZETEC 115PS Универсал.
Изображение


Вернуться к началу
 Профиль  
 
СообщениеДобавлено: Пн июл 09, 2012 21:42 
Не в сети
Специалист по электрике
Аватара пользователя

Зарегистрирован: Вт окт 11, 2011 11:02
Сообщения: 1132
Откуда: г.Вязники Владимирской обл.
Машина: Ford Escort
И все-таки s1001 - это масса (или минус). Здесь не может быть фазы и земли - при постоянном токе или "плюс" или "минус". (Уж простите педанта, бывшего институтского препода с 20-летним стажем)

Примите искренние поздравления. И все-таки надо бы выяснить и устранить причину загорания провода, дабы в дальнейшем не наступить на те же грабли.

_________________
Escort Ghia 5d 1995 - Zetec 1.8 16v
был купе 1993 - 1.6 16v - разобрал на запчасти

Глаза боятся - руки делают...


Вернуться к началу
 Профиль  
 
СообщениеДобавлено: Вт июл 10, 2012 1:58 
Не в сети
чайник форума (знак 70)
чайник форума (знак 70)
Аватара пользователя

Зарегистрирован: Пт июн 29, 2012 17:54
Сообщения: 68
Откуда: Санкт-Петербург
Машина: Ford Escort
Причина проста, эти провода уже со временем были подъедены, или может когда был действительно трабл, что они подгорели, когда я брал машину я обратил внимание на это, и сказал себе что надо заизолировать, но потом я про это благополучно забыл, к сожалению, они просто закоротили.

Я отлично понимаю значение термина фаза, но все же мне так проще строить речь, интуитивно понятно, что это плюс. :)

Теперь про массу и фазу, проблема в том, что форд - не вполне адекватный производитель, если вам не трудно, чтобы точно понять схему работы реле снимите с него колпачок - ничего страшного не будет - это зеленое реле, или я могу скинуть фотки, по вашей просьбе. Так вот если внимательно исследовать схему, то вполне ясно, что это реле имеет связь с соединением s1001 так вот, а теперь либо методом пристального наблюдения замечаем, что к s1001 через реле R8 подводиться фаза, или если такой метод не устраивает, то загляните в любой эскорт с такой схемой(до 1995 года) и померьте напряжение между землей и ножкой 15-6 реле R8(при включенном зажигании), после этого все сомнения отпадут. Есть еще третий, народный метод, как вы думаете, что сгорит быстрее фаза или масса? Скорее всего фаза. Управление идет за счет массы, регулируемой ЭБУ это не очень оправданно с точки зрения безопасности, хотя очень сильно упрощает схему электроснабжения системы впрыска, и делает работу мозгов более безопасной. Согласитесь, на все агрегаты идет напряжение с одной точки - элементарно ведь, нет?

Я имел честь разговаривать с преподавателем в институте на равных, будучи студентом? = )

Вы мне очень помогли, спасибо вам огромное, успехов вам во всем.

_________________
Ford Escort GLX 1991г. 1.4 CVH CFI F6F EECIV универсал - бедняжка спасал хозяина, когда тот неумело им пользовался.

Теперь Ford Escort GLX 1999г. 1.8ZETEC 115PS Универсал.
Изображение


Вернуться к началу
 Профиль  
 
СообщениеДобавлено: Вт июл 10, 2012 2:05 
Не в сети
чайник форума (знак 70)
чайник форума (знак 70)
Аватара пользователя

Зарегистрирован: Пт июн 29, 2012 17:54
Сообщения: 68
Откуда: Санкт-Петербург
Машина: Ford Escort
И кстати еще насчет причин возгорания, все обгоревшие провода заменил на чуть более толстые, и очень хорошо произолировал.

_________________
Ford Escort GLX 1991г. 1.4 CVH CFI F6F EECIV универсал - бедняжка спасал хозяина, когда тот неумело им пользовался.

Теперь Ford Escort GLX 1999г. 1.8ZETEC 115PS Универсал.
Изображение


Вернуться к началу
 Профиль  
 
СообщениеДобавлено: Вт июл 10, 2012 15:54 
Не в сети
Модератор форума
Модератор форума
Аватара пользователя

Зарегистрирован: Ср сен 01, 2010 13:53
Сообщения: 1979
Откуда: Россия, Питер, центральный р-н
Машина: другой Ford
Давайте все таки не трясти регалиями кто с кем разговаривал в универе и прочее, а придерживаться все таки сложившихся понятий и определений
-----------
Каждую из частей многофазной системы, характеризующуюся одинаковым током, называют фазой, т.е. фаза — это участок цепи, относящийся к соответствующей обмотке генератора или трансформатора, линии и нагрузке.
Таким образом, понятие «фаза» имеет в электротехнике два различных значения:
фаза как аргумент синусоидально изменяющейся величины;
фаза как составная часть многофазной электрической системы.
-----------
в машине не может просто быть фазы и нуля, как прально заметил Sergio58
единственное место где есть фаза это на гене

_________________
С уважением, Антон.
-------------------------------------
Ford Focus 2006 универсал TDCI 1,8
был Ford Escort 1997 универсал Zetec 1.6 16v


Вернуться к началу
 Профиль  
 
СообщениеДобавлено: Вт июл 10, 2012 23:18 
Не в сети
чайник форума (знак 70)
чайник форума (знак 70)
Аватара пользователя

Зарегистрирован: Пт июн 29, 2012 17:54
Сообщения: 68
Откуда: Санкт-Петербург
Машина: Ford Escort
Злюка ты!

А то я не знаю? :)

_________________
Ford Escort GLX 1991г. 1.4 CVH CFI F6F EECIV универсал - бедняжка спасал хозяина, когда тот неумело им пользовался.

Теперь Ford Escort GLX 1999г. 1.8ZETEC 115PS Универсал.
Изображение


Вернуться к началу
 Профиль  
 
СообщениеДобавлено: Ср июл 11, 2012 2:29 
Не в сети
профессионал форума
профессионал форума
Аватара пользователя

Зарегистрирован: Пт мар 03, 2006 3:59
Сообщения: 2191
Откуда: Питер Ржевка -Пороховые
трехфазный у нас генератор :) Гыг

_________________
ORION-88 CVH-1.6 EEC-IV
Focus II 1,8 Trend джинсовый


Вернуться к началу
 Профиль  
 
СообщениеДобавлено: Пн мар 24, 2014 19:37 
Не в сети
чайник форума (знак 70)
чайник форума (знак 70)

Зарегистрирован: Ср авг 28, 2013 23:27
Сообщения: 53
Машина: другой Ford
Natsik писал(а):
Значится так :shock:

1) Сгорело реле R8 называется оно "реле опережения зажигания"
2) Что оно делает - оно подает напряжение на Коммутатор(управления зажиганием), на катушку, на соединение s1001 (все таки - это фаза, под напряжением, все черные провода - фаза, а все коричневые - земля) и подает напряжение на реле бензонасоса
3) Машинка завелась, я вам всем очень благодарен, потому что именно с вашей помощью я смог докапаться до проблемы, как известно истина появляется в споре, а спор под конец получился нешуточный.

:smile138: :smile137:

Мне понравился форум, теперь буду всем остальным помогать.

Итого, 2 недели из-за какой-то "ля "б@ной релешки!

Кстати мужика с релешкой нашел на форуме, во всяких популярных разборках нет нифига, даже номер не пробивается.



Доброго времени суток. У меня точ в точ такая же проблема.... Только славо богу без возгорания, у меня тоже в начале были подозрения на "мозг", но слава богу был соседский, понял что не в нем дело. Итак все по порядку:

1. Машина заглохла внезапно при старте со светофора, я попробовал ее накатом завести - не вышло. С ключа тоже... Место локации я примерно знал.... Как раз на днях восстановил цепь через балластник.
2. Сразу обнаружил отсутствие питания на форсунке, проверил питание на штрекере балластника 97(по схеме) при контакте на разъеме от ноги 58 эбу с массой было 10-12в, а на разъеме форсунки нет. Искра была, подачи топлива - нет. Отбуксировал ее к дому, продолжил проверки на след день.
3. Были прозвонены контакты нога 37 эбу - форсунка, 58,59 - форсунка, нога 8 на эдис - форсунка, и от ноги 15-6 релюшки r8 к форсунке, все звонилось. Вынул форсунку попробовал кроной пощелкать, не щелкает((( и к своему ужосу обнаружил, что форсунка стояла не той стороной!!!! :smile138: (мой косяк) утром того дня перед поездкой на спешку проверял уплотнительныне резинки и сопротивление после восстановления балластника(разбирался с повышенным расходом), проездил день на таком ее положении ::doh::
4. Проверил релюшки r8, r26 . Поставил все на место, подсоединил, подключил соседский эбу, зажигание - не загудел топливный насос!! Я не слышал этого на шумной улице. Даже не стал стартовать.
5. Проверил предохраны на насос, на эбу, обратил внимание что, нет напруги на разъеме насоса, проверил напрямую от аккума - зажужжал, попробовал стартануть - здох аккум :evil: не крутит :evil:. Подошел к моновпрыску, а там с форсунки капает, не льется и не течет просто капает.
6. Начал искать причину отстутствия питания на насосе, проверил инерционный выключатель, не разомкнут. Релешку r9 не успел проверить, пошел расстроенный на работу. Думаю блок предохранов умер, коротнул или чего еще, т.к обнаружил что на "мозги" питания тоже нету :-( .
7. Соответственно остались вопросы, является ли, отсутствие щелчков в форсунки и течь во время работы насоса свидетельством ее смерти :smile138: ? или кроны просто было мало?
8. И может ли релюшка r8 щелкать прозваниваться и быть нерабочей?
9. Подскажите где находится это соединение s001 или фото или так?

Сегодня эта тема, внушила надежду, и надеюсь избавила от вскрытия блока предохранов. В ближайший выходной поищу релюшку ифорсунку для проверки. Надеюсь поможет :roll:

_________________
Ford Orion Gia 1991, 1.4mono CVH F6f, 71ps Gray Metallic


Вернуться к началу
 Профиль  
 
СообщениеДобавлено: Пн мар 24, 2014 19:49 
Не в сети
Специалист по электрике
Аватара пользователя

Зарегистрирован: Вт окт 11, 2011 11:02
Сообщения: 1132
Откуда: г.Вязники Владимирской обл.
Машина: Ford Escort
Кроны, действительно, может быть мало - 9В вместо 12-ти, да и емкость невелика - вполне возможно, что и не хватает. Релюшки типа той, которая на бензонасос идет, довольно редко выходят из строя. Катушку спалить - это ж какое надо напряжение подать, а контакты поджечь - они ра довольно большой ток рассчитаны.
Так что я бы поостерегся делать поспешные выводы, а проверил бы все, как надо.

_________________
Escort Ghia 5d 1995 - Zetec 1.8 16v
был купе 1993 - 1.6 16v - разобрал на запчасти

Глаза боятся - руки делают...


Вернуться к началу
 Профиль  
 
СообщениеДобавлено: Вт мар 25, 2014 2:32 
Не в сети
чайник форума (знак 70)
чайник форума (знак 70)

Зарегистрирован: Ср авг 28, 2013 23:27
Сообщения: 53
Машина: другой Ford
Sergio58 писал(а):
Кроны, действительно, может быть мало - 9В вместо 12-ти, да и емкость невелика - вполне возможно, что и не хватает. Релюшки типа той, которая на бензонасос идет, довольно редко выходят из строя. Катушку спалить - это ж какое надо напряжение подать, а контакты поджечь - они ра довольно большой ток рассчитаны.
Так что я бы поостерегся делать поспешные выводы, а проверил бы все, как надо.


Итак релюшку r9 отдельно проверил, щелкает - питание дает. В общем т.к. я не электрик и это мой первый машина - решил увидеть связь рэлюшек между собой, взял R26, R8, R9. По схеме http://automn.ru/ford-escort/jpg/sh/sh6.jpg соединил проводами между собой все, и прозвонил поочереди.(Фото завтра скину - посмеяться :) ) все работает! Остается для меня вопросом ::thinking:: :
1. Где находится конденсатор под номером 134? Куда пошел черн провод от 15-й ноги R8-й релюшки? - куда-то вниз (K15, D4, 16/C4), а куда?
2. Правильно ли работает R8 если при подаче на 30-ю ногу 12в - релюшка включается на 3 сек, и выключается, Повторно можно включить, только либо подачей "+" как раз таки на 15-ю ногу, а потом обратно на 30-ю, тот же эффект(включение реле) при коротко-временной подаче "+" на 15-ю от 30-й, она так и должна работать?
3. И соответственно если все работает вне блока предов - это говорит что проблема в нем?

_________________
Ford Orion Gia 1991, 1.4mono CVH F6f, 71ps Gray Metallic


Вернуться к началу
 Профиль  
 
СообщениеДобавлено: Вт мар 25, 2014 2:53 
Не в сети
чайник форума (знак 70)
чайник форума (знак 70)

Зарегистрирован: Ср авг 28, 2013 23:27
Сообщения: 53
Машина: другой Ford
Sergio58 писал(а):

А на самом разъеме от монтажного блока, который был отключен (овальный, много штырьков) на красном проводе, он там один, есть напряжение?


Что за овальный разъем? Где он?

_________________
Ford Orion Gia 1991, 1.4mono CVH F6f, 71ps Gray Metallic


Вернуться к началу
 Профиль  
 
СообщениеДобавлено: Вт мар 25, 2014 3:25 
Не в сети
чайник форума (знак 70)
чайник форума (знак 70)

Зарегистрирован: Ср авг 28, 2013 23:27
Сообщения: 53
Машина: другой Ford
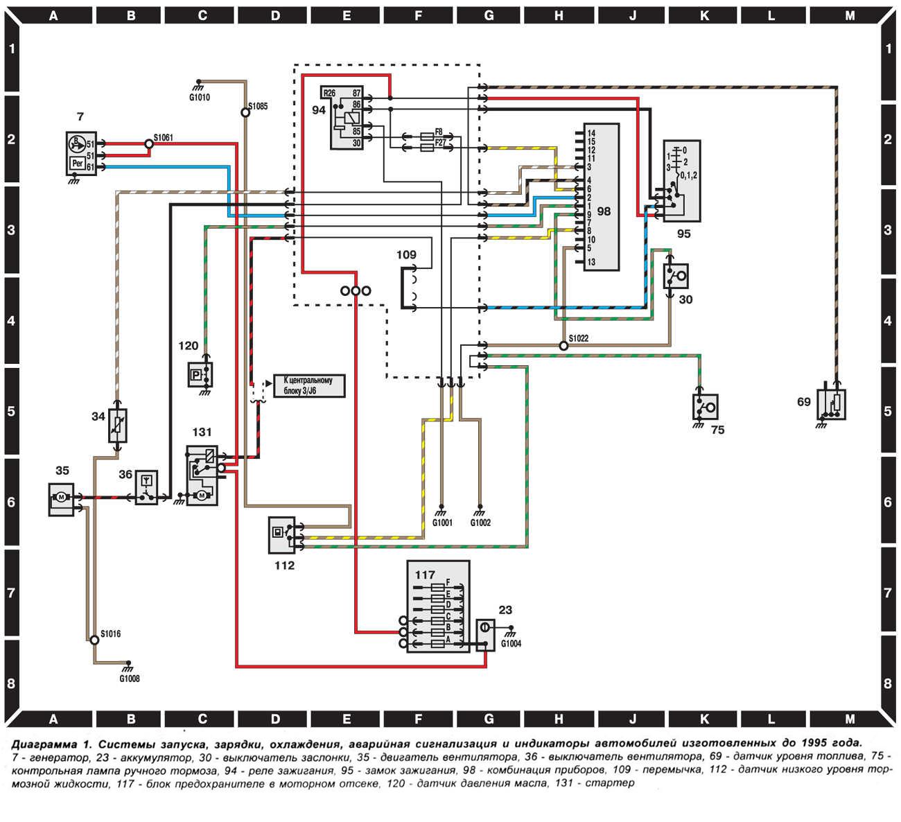
Вот сделал удобным для планшета - вставил описание схем из ч/б в Pdf к цветным с сайта. Думаю всем будет полезным.....

Т.к. не влазит на форум все схемы тут:
http://vk.com/photo41032650_324561412

А вот как в оригинале (влезла только одна):
Вложение:
14.6.2 Система пуска, аккумуляторная батарея, вентилятор, датчики.jpg
14.6.2 Система пуска, аккумуляторная батарея, вентилятор, датчики.jpg [ 431.7 КБ | Просмотров: 7144 ]


З.Ы. Модерры сорри за оффтоп, а как можно добавить файлы большего размера? :oops: ну и соответственно в правильную тему...

_________________
Ford Orion Gia 1991, 1.4mono CVH F6f, 71ps Gray Metallic


Вернуться к началу
 Профиль  
 
СообщениеДобавлено: Вт мар 25, 2014 16:20 
Не в сети
чайник форума (знак 70)
чайник форума (знак 70)
Аватара пользователя

Зарегистрирован: Вс дек 09, 2012 17:07
Сообщения: 83
Откуда: Брест РБ
Машина: Ford Escort
когда разбирался со схемой были те же вопросы. на какую схему уходил черный провод (K15, D4, 16/C4), где эти точки соединения s0001 s0008 и что они из себя представляют - скрутки или клемы какие - ответа не нашел. когда прозванивал цепи связки реле Р8 и Р9 и провода зажигания обнаружил неточности. То что вызвонил - увидел на схеме другого мотора (участок схемы вроде 1.3 CFI). проблема была в монтажном блоке!!! это первое что я бы советовал посмотреть. делается это не так долго, т.к. снимал я его уже не раз))) даже если ты там не увидишь окислов, внимательно осмотри места паек, можешь с лупой, можешь прогреть контакт паяльником и увидишь разрушенное место пайки - "ложную" пайку. плавающий контакт который вроде и есть, а чуть больше на него нагрузки и напряжение на нем просядает. монтажный блок. тут и я оставил следы своего творчества

_________________
Escort 1992, 1.4 CFI
Fix Or Repait Daily
Иммобилайзеры, автосигнализации, чип ключи. Установка, ремонт, настройка


Вернуться к началу
 Профиль  
 
СообщениеДобавлено: Ср мар 26, 2014 19:17 
Не в сети
чайник форума (знак 70)
чайник форума (знак 70)

Зарегистрирован: Ср авг 28, 2013 23:27
Сообщения: 53
Машина: другой Ford
Итак, после всех проверок уже на машине выяснилось:
1. Не приходит "+" с ноги 15-6 R8 на ногу 86 R9, при подаче "+" на разъем ноги 87 R9 заработал б/насос :clap-clap: , проводом соединил ноги релюх и вставил в блок, насос заработал, но из-за высаженного аккумулятора завестись не удалось :-(

Я так понимаю без снятия монтажного блока решить проблему не удастся, поэтому подожду может какого соседа, чтоб "прикурить" и сниму блок на проффилактику ::thinking:: пожелайте мне удачи.

_________________
Ford Orion Gia 1991, 1.4mono CVH F6f, 71ps Gray Metallic


Вернуться к началу
 Профиль  
 
Показать сообщения за:  Поле сортировки  
Начать новую тему Ответить на тему  [ Сообщений: 82 ]  На страницу Пред.  1, 2, 3, 4, 5, 6  След.

Часовой пояс: UTC + 4 часа [ Летнее время ]


Кто сейчас на конференции

Сейчас этот форум просматривают: нет зарегистрированных пользователей и гости: 4


Вы не можете начинать темы
Вы не можете отвечать на сообщения
Вы не можете редактировать свои сообщения
Вы не можете удалять свои сообщения
Вы не можете добавлять вложения

Найти:
Перейти:  
cron
POWERED_BY
Русская поддержка phpBB
[ Time : 0.039s | 17 Queries | GZIP : Off ]