Автомобильные Форумы POKATILI.RU

Форумы Добровольного Общества Взаимного Обеспечения на Дорогах
Текущее время: Чт апр 02, 2026 14:40

Часовой пояс: UTC + 4 часа [ Летнее время ]




Начать новую тему Ответить на тему  [ Сообщений: 20 ]  На страницу 1, 2  След.
Автор Сообщение
 Заголовок сообщения: Дневные ходовые огни
СообщениеДобавлено: Вс май 27, 2012 14:17 
Не в сети
профессионал форума
профессионал форума
Аватара пользователя

Зарегистрирован: Пт окт 01, 2010 23:34
Сообщения: 1805
Откуда: Москва
Почитал в интернете, вроде хорошая штука. Кто что думает по данному вопросу?

_________________
RS2000 92 г, Немец
http://www.drive2.ru/cars/ford/escort/e ... iger199/2/

RS2000 92 г, Немец


Вернуться к началу
 Профиль  
 
 Заголовок сообщения: Re: Дневные ходовые огни
СообщениеДобавлено: Вс май 27, 2012 20:45 
Не в сети
профессионал форума
профессионал форума
Аватара пользователя

Зарегистрирован: Пн сен 03, 2007 14:21
Сообщения: 1628
Откуда: Барановичи - РБ
Для "реальных" пацанов синие.

_________________
Escort [MkVII] '97 - 3 двери, PTE (CVH) 1.4i, ABS, ГУР - живчик. Нашел нового хозяина. Больше не требует внимания к своему ЛКП.


Вернуться к началу
 Профиль  
 
 Заголовок сообщения: Re: Дневные ходовые огни
СообщениеДобавлено: Вс май 27, 2012 20:50 
Не в сети
профессионал форума
профессионал форума
Аватара пользователя

Зарегистрирован: Пт окт 01, 2010 23:34
Сообщения: 1805
Откуда: Москва
Они вроде мало энергии потребляют и срок службы большой.

_________________
RS2000 92 г, Немец
http://www.drive2.ru/cars/ford/escort/e ... iger199/2/

RS2000 92 г, Немец


Вернуться к началу
 Профиль  
 
 Заголовок сообщения: Re: Дневные ходовые огни
СообщениеДобавлено: Вс май 27, 2012 22:28 
Не в сети
чайник форума (знак 70)
чайник форума (знак 70)

Зарегистрирован: Вт июл 25, 2006 13:09
Сообщения: 148
Откуда: Иваново
ага, у меня товарищ 1,5 рубля за них выложил, отьездил 3 месяца, сначала один сдох, потом другой. я за год владения фордом сменил одну лампочку (бюджет что-то в районе 100р), призрачную экономию топлива в расчет не беру, ибо теоретические 100г/100км приравниваю к погрешности измерений. причем машине на месте не стоит и всегда с ближним.

какая-то сомнительная экономия получается... да и внешний вид не айс.

_________________
Фиолетовый Эскорт 97 года, 5-дверный хэтч 1,6 CVH, было 90 веберовских кобыл с ШМ, ДПДЗ и прочей высокотехнологичной требухой - теперь супругин с 08-м карбом - ПРОДАН. вместо него куплена Имреза 1999 4WD 2.0 на ручке
и ныне поджопный (но когда-то был "только на рыбалку") зеленый TLC 80, 1996г, 1FZ-F постоянный полный с блокировками "на ручке"


Вернуться к началу
 Профиль  
 
 Заголовок сообщения: Re: Дневные ходовые огни
СообщениеДобавлено: Вс май 27, 2012 22:59 
Не в сети
профессионал форума
профессионал форума
Аватара пользователя

Зарегистрирован: Пт окт 01, 2010 23:34
Сообщения: 1805
Откуда: Москва
Вот еще нашел

с форума apox.ru

Вначале расчет идет для штатного ближнего света, рядом - для ДХО.

1. Будут гореть 2 ближних, 2 передних и 2 задних габарита: 2х55 + 2х5 + 2х5 Вт = 130 Вт. Это мощность, потребляемая от генератора.
Для ДХО – 15 Вт.

2. КПД генератора = 50%. КПД поликлиновой ременной передачи = 95%. Тогда механическая мощность, потребляемая генератором от двигателя
130/(0,5х0,95) = 274 Вт.
ДХО: 15/(0,5х0,95) = 31,6 Вт.

3. За 1 ч потребленная энергия составит 274 Втч. Это равно 274х3600 = 986 кДж.
ДХО: 31,6х3,6=114 кДж.

4. КПД бензинового двигателя в среднем равен 25 %. Значит нужно сжечь бензина на 986/0,25 = 3944 кДж.
ДХО: 114/0,25 = 456 кДж.

5. Теплотворная способность бензина примерно 34500 кДж/литр. Значит нужно сжечь 3944/34500 = 0,114 литра. При средней цене 23 р/литр получим затраты на бензин 2,62 руб.
ДХО: 456/34500 = 0,0132 литров х 23 руб = 0,30 руб.

Таким образом, получаем экономию в 2,62 - 0,30 = 2,3 руб. час.
Отсюда, зная стоимость ДХО, можно посчитать срок их окупаемости.

Например, если ДХО стоят 3000 руб., то они окупятся через 3000/2,3 = 1304 часа работы. Если они работают 1 час в день, то это соответствует окупаемости через 1304 дня, или 3 года и 7 месяцев.
Если же они работают 8 часов в день, то окупятся через 163 дня, или чуть больше 3 месяцев.

Автор расчетов: rustelo с форума lanos-club.ru

_________________
RS2000 92 г, Немец
http://www.drive2.ru/cars/ford/escort/e ... iger199/2/

RS2000 92 г, Немец


Вернуться к началу
 Профиль  
 
 Заголовок сообщения: Re: Дневные ходовые огни
СообщениеДобавлено: Вс май 27, 2012 23:18 
Не в сети
Специалист по электрике
Аватара пользователя

Зарегистрирован: Вт сен 20, 2005 4:06
Сообщения: 6562
Откуда: сКольский п-ов
Tiger199 писал(а):
Они вроде мало энергии потребляют и срок службы большой.

Это о сроке:
Цитата:
ага, у меня товарищ 1,5 рубля за них выложил, отьездил 3 месяца, сначала один сдох, потом другой.

О экономии:
Надо брать хеллу, но ценник вырастет раза в 3. Где экономия?

_________________
Мир всем...
Escort''95 mk6, CLX, hatchback five-door , CFI, J6A, HCS 1.3
...имеющие уши да услышат...
...у быстро бегущей маленькой мышки лапок не видно - отрицать невидимое есть очевидная ересь...


Вернуться к началу
 Профиль  
 
 Заголовок сообщения: Re: Дневные ходовые огни
СообщениеДобавлено: Вс май 27, 2012 23:49 
Не в сети
профессионал форума
профессионал форума
Аватара пользователя

Зарегистрирован: Пт окт 01, 2010 23:34
Сообщения: 1805
Откуда: Москва
С каких пор Hella стала панацеей?

_________________
RS2000 92 г, Немец
http://www.drive2.ru/cars/ford/escort/e ... iger199/2/

RS2000 92 г, Немец


Вернуться к началу
 Профиль  
 
 Заголовок сообщения: Re: Дневные ходовые огни
СообщениеДобавлено: Пн май 28, 2012 0:33 
Не в сети
чайник форума (знак 70)
чайник форума (знак 70)

Зарегистрирован: Вт июл 25, 2006 13:09
Сообщения: 148
Откуда: Иваново
Tiger199 писал(а):
Вот еще нашел

с форума apox.ru

Вначале расчет идет для штатного ближнего света, рядом - для ДХО....

сплошная теория. на практике, как был расход 10 город/8 трасса так он и остался. а +/- стакан бензина на сотню, а это 2,5км, повторюсь - погрешность измерений!

_________________
Фиолетовый Эскорт 97 года, 5-дверный хэтч 1,6 CVH, было 90 веберовских кобыл с ШМ, ДПДЗ и прочей высокотехнологичной требухой - теперь супругин с 08-м карбом - ПРОДАН. вместо него куплена Имреза 1999 4WD 2.0 на ручке
и ныне поджопный (но когда-то был "только на рыбалку") зеленый TLC 80, 1996г, 1FZ-F постоянный полный с блокировками "на ручке"


Вернуться к началу
 Профиль  
 
 Заголовок сообщения: Re: Дневные ходовые огни
СообщениеДобавлено: Пн май 28, 2012 1:05 
Не в сети
профессионал форума
профессионал форума
Аватара пользователя

Зарегистрирован: Пн сен 03, 2007 14:21
Сообщения: 1628
Откуда: Барановичи - РБ
Неверно посчитал. КПД генератора в данном случае следует брать для 15А тока, а это около 90%, т.к. режим далеко не максимальный. И ДХО имеется в эскорте штатно, покури TIS. Цена - одна обычная релюха. Потребляемый ток - около 6А. При этом никакого колхоза и бешеных денег за диоды.

_________________
Escort [MkVII] '97 - 3 двери, PTE (CVH) 1.4i, ABS, ГУР - живчик. Нашел нового хозяина. Больше не требует внимания к своему ЛКП.


Вернуться к началу
 Профиль  
 
 Заголовок сообщения: Re: Дневные ходовые огни
СообщениеДобавлено: Пн май 28, 2012 1:07 
Не в сети
чайник форума (знак 70)
чайник форума (знак 70)

Зарегистрирован: Вт июл 25, 2006 13:09
Сообщения: 148
Откуда: Иваново
Creator писал(а):
...И ДХО имеется в эскорте штатно, покури TIS. Цена - одна обычная релюха....

ну-ка с этого места поподробнее! кроме обычных сигарет ничего больше не курю))))

_________________
Фиолетовый Эскорт 97 года, 5-дверный хэтч 1,6 CVH, было 90 веберовских кобыл с ШМ, ДПДЗ и прочей высокотехнологичной требухой - теперь супругин с 08-м карбом - ПРОДАН. вместо него куплена Имреза 1999 4WD 2.0 на ручке
и ныне поджопный (но когда-то был "только на рыбалку") зеленый TLC 80, 1996г, 1FZ-F постоянный полный с блокировками "на ручке"


Вернуться к началу
 Профиль  
 
 Заголовок сообщения: Re: Дневные ходовые огни
СообщениеДобавлено: Пн май 28, 2012 1:20 
Не в сети
Специалист по электрике
Аватара пользователя

Зарегистрирован: Вт сен 20, 2005 4:06
Сообщения: 6562
Откуда: сКольский п-ов
Tiger199 писал(а):
С каких пор Hella стала панацеей?

А что ещё панацея?

_________________
Мир всем...
Escort''95 mk6, CLX, hatchback five-door , CFI, J6A, HCS 1.3
...имеющие уши да услышат...
...у быстро бегущей маленькой мышки лапок не видно - отрицать невидимое есть очевидная ересь...


Вернуться к началу
 Профиль  
 
 Заголовок сообщения: Re: Дневные ходовые огни
СообщениеДобавлено: Пн май 28, 2012 11:35 
Не в сети
профессионал форума
профессионал форума
Аватара пользователя

Зарегистрирован: Пн сен 03, 2007 14:21
Сообщения: 1628
Откуда: Барановичи - РБ
aleksand-b писал(а):
Creator писал(а):
...И ДХО имеется в эскорте штатно, покури TIS. Цена - одна обычная релюха....

ну-ка с этого места поподробнее! кроме обычных сигарет ничего больше не курю))))


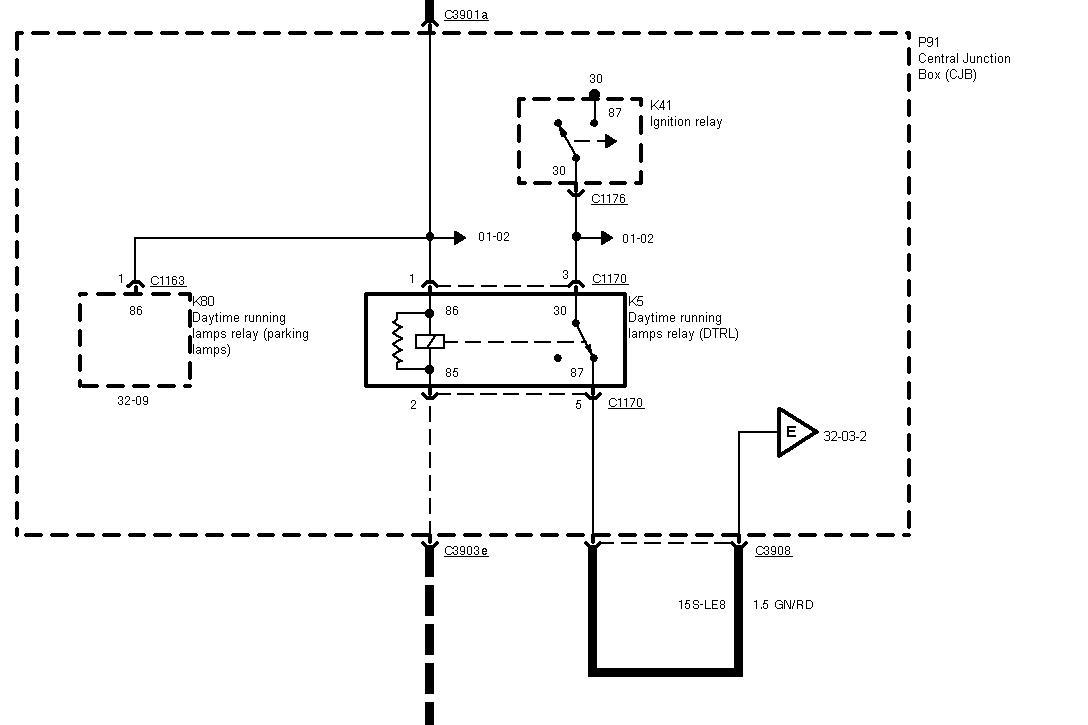
Я жговорю, кури TIS.


Вложения:
DRL.JPG
DRL.JPG [ 60.13 КБ | Просмотров: 6235 ]

_________________
Escort [MkVII] '97 - 3 двери, PTE (CVH) 1.4i, ABS, ГУР - живчик. Нашел нового хозяина. Больше не требует внимания к своему ЛКП.
Вернуться к началу
 Профиль  
 
 Заголовок сообщения: Re: Дневные ходовые огни
СообщениеДобавлено: Пн май 28, 2012 12:07 
Не в сети
чайник форума (знак 70)
чайник форума (знак 70)

Зарегистрирован: Вт июл 25, 2006 13:09
Сообщения: 148
Откуда: Иваново
TIS пробовал курить, что-то не вставило))))) можно для чайников все пошагово расписать?
единственное, что вроде понял из картинки - надо воткнуть реле в разьем К5 монтажного блока. это все или еще то-то?

_________________
Фиолетовый Эскорт 97 года, 5-дверный хэтч 1,6 CVH, было 90 веберовских кобыл с ШМ, ДПДЗ и прочей высокотехнологичной требухой - теперь супругин с 08-м карбом - ПРОДАН. вместо него куплена Имреза 1999 4WD 2.0 на ручке
и ныне поджопный (но когда-то был "только на рыбалку") зеленый TLC 80, 1996г, 1FZ-F постоянный полный с блокировками "на ручке"


Вернуться к началу
 Профиль  
 
 Заголовок сообщения: Re: Дневные ходовые огни
СообщениеДобавлено: Пн май 28, 2012 12:31 
Не в сети
чайник форума (знак 70)
чайник форума (знак 70)

Зарегистрирован: Ср май 20, 2009 9:57
Сообщения: 293
Откуда: Московская обл.
Поставил себе viewtopic.php?t=38441&p=386951#p386951, больше года пока живут.

_________________
Форд Эскорт 1996г., 1.6, CVH, карб. TLDM 28/32 (автомат + ДПДЗ + шаговый), кондиционер, универсал


Вернуться к началу
 Профиль  
 
 Заголовок сообщения: Re: Дневные ходовые огни
СообщениеДобавлено: Пн май 28, 2012 20:59 
Не в сети
профессионал форума
профессионал форума
Аватара пользователя

Зарегистрирован: Пн сен 03, 2007 14:21
Сообщения: 1628
Откуда: Барановичи - РБ
aleksand-b писал(а):
TIS пробовал курить, что-то не вставило))))) можно для чайников все пошагово расписать?
единственное, что вроде понял из картинки - надо воткнуть реле в разьем К5 монтажного блока. это все или еще то-то?


Ну ты уж сам как-то, а то я ж не вижу твоего блока, тем более, что кроме реле нужно установить диод V33, и в некоторых случаях перемычку в один из разъемов блока, а места для них на разных блоках разные...

Покопайся сам, напрягись уж...

_________________
Escort [MkVII] '97 - 3 двери, PTE (CVH) 1.4i, ABS, ГУР - живчик. Нашел нового хозяина. Больше не требует внимания к своему ЛКП.


Вернуться к началу
 Профиль  
 
Показать сообщения за:  Поле сортировки  
Начать новую тему Ответить на тему  [ Сообщений: 20 ]  На страницу 1, 2  След.

Часовой пояс: UTC + 4 часа [ Летнее время ]


Кто сейчас на конференции

Сейчас этот форум просматривают: нет зарегистрированных пользователей и гости: 1


Вы не можете начинать темы
Вы не можете отвечать на сообщения
Вы не можете редактировать свои сообщения
Вы не можете удалять свои сообщения
Вы не можете добавлять вложения

Найти:
Перейти:  
cron
POWERED_BY
Русская поддержка phpBB
[ Time : 0.031s | 16 Queries | GZIP : Off ]