Автомобильные Форумы POKATILI.RU

Форумы Добровольного Общества Взаимного Обеспечения на Дорогах
Текущее время: Ср мар 04, 2026 18:07

Часовой пояс: UTC + 4 часа [ Летнее время ]




Начать новую тему Ответить на тему  [ Сообщений: 62 ]  На страницу 1, 2, 3, 4, 5  След.
Автор Сообщение
СообщениеДобавлено: Сб мар 13, 2010 0:31 
Не в сети
ученик форума
ученик форума
Аватара пользователя

Зарегистрирован: Ср окт 01, 2008 14:39
Сообщения: 33
Откуда: Питер
Доброго времени суток.
Хочу рассказать о моей эпопеи по замену карбюратора Weber
на Солекс 21083-1107010
Операцию договорился проводить вместе с опытным хирургом Дмитрием Андреевичем

Приобрёл:
Карбюратор Solex ДААЗ 21083-1107010
Тросик подсоса
Кастрюлю в сборе
Пружина возвратная, заслонки акселератора (троса газа)
Бензо шланг длинный
Прокладки карбюратора паронитовые 2 шт
Клейму на электромагнитный клапан 2 шт.
Шланг к расширительному бачку ВАЗ

В сантехническом магазине:

Штуцер с внутренней резьбой 1/2 D 16 - 2шт.
Штуцер с наружной резьбой 1/2 D 10 - 2шт.
Прокладки поранит ½ - 6шт.


В метизах:
Винты головка в потай под шестигранник 6х20-5шт.(в коллектор, 1 запасной)
Винты головка в потай под шестигранник 6х30-5шт. (в карб., 1 запасной)
Болты от М8 до М4 с неполной резьбой L-35мм (для глушения трубок по 3шт.)
Болты М8х30 -3шт. (для кронштейна)
Шайбы D8 высокие для регулировки кронштейна.
Гайки М6-5шт.
Шайбы D6-5шт.
Гровер Шайбы D6-5шт.
Гайка-Барашек М5-шт.
Шайбы D5 кузовные-4 шт.
Хомуты винтовые -10шт.
Уголок мебельный «65» -1шт
Шурупы-саморезы гипрочные по металлу, самые маленькие -3шт.

Инструменты:

Керн.
зенкер китайский -20рублей.


Вложения:
Комментарий к файлу: зенкер.jpg
зенкер.jpg
зенкер.jpg [ 15.88 КБ | Просмотров: 44387 ]

_________________
Escort 1.6L CVH ( был 2V CARBURETTOR) сейчас Карбюратор Solex ДААЗ 21083-1107010, 96г. CLX ,5 DOOR SALOON
Вернуться к началу
 Профиль  
 
 Заголовок сообщения:
СообщениеДобавлено: Сб мар 13, 2010 0:34 
Не в сети
ученик форума
ученик форума
Аватара пользователя

Зарегистрирован: Ср окт 01, 2008 14:39
Сообщения: 33
Откуда: Питер
метчик М6.
напильник круглый.
напильник полукруглый.
сверло D2 -2шт.
сверло D3,5 -2шт.
сверло D5 -1шт.
сверло D6,5 -1шт.
сверло D10 -1шт.
бумага наждачная

в субботу сняли Weber.


Вложения:
Комментарий к файлу: прокладка к веберу.jpg
прокладка к веберу.jpg
прокладка к веберу.jpg [ 91.15 КБ | Просмотров: 35204 ]

_________________
Escort 1.6L CVH ( был 2V CARBURETTOR) сейчас Карбюратор Solex ДААЗ 21083-1107010, 96г. CLX ,5 DOOR SALOON
Вернуться к началу
 Профиль  
 
 Заголовок сообщения:
СообщениеДобавлено: Сб мар 13, 2010 0:38 
Не в сети
ученик форума
ученик форума
Аватара пользователя

Зарегистрирован: Ср окт 01, 2008 14:39
Сообщения: 33
Откуда: Питер
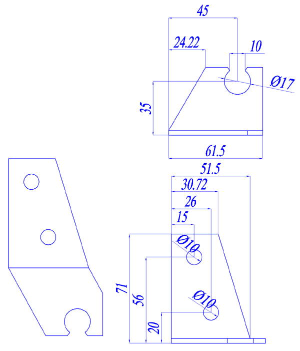
Я замерил и отрисовал в Автокаде коллектор и кронштейн.


Вложения:
Комментарий к файлу: кронштейн развёртка.jpg
кронштейн развёртка.jpg
кронштейн развёртка.jpg [ 68.52 КБ | Просмотров: 35210 ]
Комментарий к файлу: проставка сечение.jpg
проставка сечение.jpg
проставка сечение.jpg [ 32.22 КБ | Просмотров: 44385 ]
Комментарий к файлу: Коллектоы наложение.jpg
Коллектоы наложение.jpg
Коллектоы наложение.jpg [ 107.7 КБ | Просмотров: 35249 ]

_________________
Escort 1.6L CVH ( был 2V CARBURETTOR) сейчас Карбюратор Solex ДААЗ 21083-1107010, 96г. CLX ,5 DOOR SALOON
Вернуться к началу
 Профиль  
 
 Заголовок сообщения:
СообщениеДобавлено: Сб мар 13, 2010 0:40 
Не в сети
ученик форума
ученик форума
Аватара пользователя

Зарегистрирован: Ср окт 01, 2008 14:39
Сообщения: 33
Откуда: Питер
В воскресенье изготавливал проставку:

приклеил распечатку чертежа проставки к заготовке скотчем.
накернил все отверстия.
засверлил сверлом 2мм.
прозенкеровал (отверстия под винты карбюратора зенкеровать с учётом того, чтобы осталось где
нарезать резьбу).
просверлил сверлом D5мм (под резьбу, для карбюратора), и D6.5мм (в коллектор).
нарезал резьбу так, чтобы винты имели лёгкий наклон в центр проставки (1-2 градуса)
винты карбюратора не утапливались, пришлось сточить часть головки, пропилить кончик винта под отвёртку с прямым шлицом.
Просверлил все отверстия по периметру больших отверстий сверлом D3,5мм,
выбил перемычки отвёрткой.
доводил отверстия напильником, сверяя с прокладками
шлифовал плоскости под прокладки.
Проставка готова !!!


Вложения:
Комментарий к файлу: проставка.jpg
проставка.jpg
проставка.jpg [ 100.58 КБ | Просмотров: 35225 ]

_________________
Escort 1.6L CVH ( был 2V CARBURETTOR) сейчас Карбюратор Solex ДААЗ 21083-1107010, 96г. CLX ,5 DOOR SALOON
Вернуться к началу
 Профиль  
 
 Заголовок сообщения:
СообщениеДобавлено: Сб мар 13, 2010 0:41 
Не в сети
ученик форума
ученик форума
Аватара пользователя

Зарегистрирован: Ср окт 01, 2008 14:39
Сообщения: 33
Откуда: Питер
Под кронштейн тросика газа сделал развёртку на бумаге 1:1,
Через приклеенную развёртку
набил керном все отверстия и углы
соединил точки углов чертилкой
вырезал болгаркой деталь
просверлил отверстия
выбил перемычки
доработал напильниками
Кронштейн готов !!!


8 марта в понедельник в 14.00 приступили к сборке ( погода не баловала, ближе к вечеру началась реальная метель )
Процесс установки карбюратора уже подробно описан на форуме. Не буду повторяться.
Остановлюсь на установке кронштейна, и отсоединении шагового двигателя.
Кронштейн лучше устанавливать через шайбы.


Вложения:
Комментарий к файлу: установленный карбюратор.jpg
установленный карбюратор.jpg
установленный карбюратор.jpg [ 199.29 КБ | Просмотров: 35260 ]

_________________
Escort 1.6L CVH ( был 2V CARBURETTOR) сейчас Карбюратор Solex ДААЗ 21083-1107010, 96г. CLX ,5 DOOR SALOON
Вернуться к началу
 Профиль  
 
 Заголовок сообщения:
СообщениеДобавлено: Сб мар 13, 2010 0:43 
Не в сети
ученик форума
ученик форума
Аватара пользователя

Зарегистрирован: Ср окт 01, 2008 14:39
Сообщения: 33
Откуда: Питер
Подбирая шайбами высоту и угол установки.
Под пружиной находится «переходный штуцер» от шлангов подвода охлаждающей жидкости к устройству автоматического управления воздушной заслонкой Weber к шлангу блока подогрева Солекс 21083.


Вложения:
Комментарий к файлу: проставка в сборе.jpg
проставка в сборе.jpg
проставка в сборе.jpg [ 179.14 КБ | Просмотров: 35218 ]
Комментарий к файлу: переходный штуцер.jpg
переходный штуцер.jpg
переходный штуцер.jpg [ 79.63 КБ | Просмотров: 35200 ]

_________________
Escort 1.6L CVH ( был 2V CARBURETTOR) сейчас Карбюратор Solex ДААЗ 21083-1107010, 96г. CLX ,5 DOOR SALOON
Вернуться к началу
 Профиль  
 
 Заголовок сообщения:
СообщениеДобавлено: Сб мар 13, 2010 0:48 
Не в сети
ученик форума
ученик форума
Аватара пользователя

Зарегистрирован: Ср окт 01, 2008 14:39
Сообщения: 33
Откуда: Питер
В колодке, в которую вставляется разъём шагового двигателя, нужно перемкнуть 1-ый и 2-ой контакты.


Вложения:
Без имени-1копирование.jpg
Без имени-1копирование.jpg [ 11.33 КБ | Просмотров: 44381 ]

_________________
Escort 1.6L CVH ( был 2V CARBURETTOR) сейчас Карбюратор Solex ДААЗ 21083-1107010, 96г. CLX ,5 DOOR SALOON
Вернуться к началу
 Профиль  
 
 Заголовок сообщения:
СообщениеДобавлено: Сб мар 13, 2010 0:49 
Не в сети
ученик форума
ученик форума
Аватара пользователя

Зарегистрирован: Ср окт 01, 2008 14:39
Сообщения: 33
Откуда: Питер
Эти контакты отвечают за переключатель холостого хода.


Вложения:
Комментарий к файлу: разъем шагового двигателя с перемычкой из клеймы.jpg
разъем шагового двигателя с перемычкой.jpg
разъем шагового двигателя с перемычкой.jpg [ 133.32 КБ | Просмотров: 35195 ]

_________________
Escort 1.6L CVH ( был 2V CARBURETTOR) сейчас Карбюратор Solex ДААЗ 21083-1107010, 96г. CLX ,5 DOOR SALOON


Последний раз редактировалось Кирилл В Сб мар 13, 2010 1:04, всего редактировалось 1 раз.
Вернуться к началу
 Профиль  
 
 Заголовок сообщения:
СообщениеДобавлено: Сб мар 13, 2010 0:51 
Не в сети
ученик форума
ученик форума
Аватара пользователя

Зарегистрирован: Ср окт 01, 2008 14:39
Сообщения: 33
Откуда: Питер
Принцип его действия следующий: при полностью отпущенной педали газа, упор рычага дроссельной заслонки нажимает на шток ШМ (являющийся, по совместительству, своеобразной кнопкой переключателя нажимного типа) и, тем самым, размыкает цепь, подключенную к EEC-IV, что и сигнализирует последнему о необходимости поддержания холостого хода посредством посылки управляющих команд шаговому мотору (на все время, пока переключатель холостого хода нажат и разомкнул цепь).


Вложения:
Комментарий к файлу: с восьмёрочной кастрюлей.jpg
с восьмёрочной кастрюлей.jpg
с восьмёрочной кастрюлей.jpg [ 209.81 КБ | Просмотров: 35209 ]

_________________
Escort 1.6L CVH ( был 2V CARBURETTOR) сейчас Карбюратор Solex ДААЗ 21083-1107010, 96г. CLX ,5 DOOR SALOON
Вернуться к началу
 Профиль  
 
 Заголовок сообщения:
СообщениеДобавлено: Сб мар 13, 2010 0:52 
Не в сети
ученик форума
ученик форума
Аватара пользователя

Зарегистрирован: Ср окт 01, 2008 14:39
Сообщения: 33
Откуда: Питер
После того, как всё установили, завели. Завелась сразу, но обороты здорово плавали. Меньше 1000 машина глохла. С дуру накрутили винт качества. После выключения двигателя было калильное зажигание.
Проблема оказалась в электромагнитном клапане ЭПХХ. После того, как вынули топливный жиклёр системы холостого хода, обороты стабилизировались. Поехали прокатиться, выявилась ещё одна проблема.
Провал оборотов при резком нажатии газа. Обороты холостого хода все-таки плавают, когда 500, когда под 1000. На холостых такое ощущение, что срабатывают не все цилиндры ( может, загрязнились свечи, некачественной смесью ).
Нашёл в сети статью о замене Weber на Солекс на Сиерре. Там описаны пути решения похожей проблемы.


Вложения:
Комментарий к файлу: Вазовский карбюратор на Форд Сиерра.doc
Вазовский карбюратор на Форд Сиерра.doc [399 КБ]
Скачиваний: 3087

_________________
Escort 1.6L CVH ( был 2V CARBURETTOR) сейчас Карбюратор Solex ДААЗ 21083-1107010, 96г. CLX ,5 DOOR SALOON
Вернуться к началу
 Профиль  
 
 Заголовок сообщения:
СообщениеДобавлено: Сб мар 13, 2010 0:53 
Не в сети
ученик форума
ученик форума
Аватара пользователя

Зарегистрирован: Ср окт 01, 2008 14:39
Сообщения: 33
Откуда: Питер
Хотелось бы узнать советы людей, разбирающихся в настройке Солекса. Помогут ли мне такие переделки?
И где взять плюс на электромагнитный клапан (у меня бесконтактное зажигание).
В общем, нужно искать специалиста по карбюраторам. Сам я карбюратор держал в руках первый раз, опыта мало. ::doh::

_________________
Escort 1.6L CVH ( был 2V CARBURETTOR) сейчас Карбюратор Solex ДААЗ 21083-1107010, 96г. CLX ,5 DOOR SALOON


Вернуться к началу
 Профиль  
 
 Заголовок сообщения:
СообщениеДобавлено: Сб мар 13, 2010 1:04 
Не в сети
Зеленый лихач форума
Зеленый лихач форума

Зарегистрирован: Вт дек 12, 2006 8:00
Сообщения: 458
Откуда: Мурманск
Машина: другой Ford
У тебя гусак ускорительного насоса стоит родной. Докупи нивский, и вынь из него трубку. Далее достань из карба свой гусак(он у тебя двойной), вынь из него аналогичную трубку(что в первую камеру смотрит) и вставь вместо него от нивского. Будешь приятно удивлен разгону ;)

И Смотри, чтобы они ссали не по стенкам и заслонкам, а четко в коллектор.
Кстати, и сам рычаг, что на мембрану ускорительного насоса давит, можешь поставить от нивского карба)


Вернуться к началу
 Профиль  
 
 Заголовок сообщения:
СообщениеДобавлено: Сб мар 13, 2010 1:07 
Не в сети
ученик форума
ученик форума
Аватара пользователя

Зарегистрирован: Ср окт 01, 2008 14:39
Сообщения: 33
Откуда: Питер
спасибо :)

_________________
Escort 1.6L CVH ( был 2V CARBURETTOR) сейчас Карбюратор Solex ДААЗ 21083-1107010, 96г. CLX ,5 DOOR SALOON


Вернуться к началу
 Профиль  
 
 Заголовок сообщения:
СообщениеДобавлено: Сб мар 13, 2010 1:14 
Не в сети
Зеленый лихач форума
Зеленый лихач форума

Зарегистрирован: Вт дек 12, 2006 8:00
Сообщения: 458
Откуда: Мурманск
Машина: другой Ford
Только смотри трубку хорошо вставляй :) А то вылетит и в двиг попадет.


Вернуться к началу
 Профиль  
 
 Заголовок сообщения:
СообщениеДобавлено: Вс мар 14, 2010 21:57 
Не в сети
ученик форума
ученик форума
Аватара пользователя

Зарегистрирован: Ср окт 01, 2008 14:39
Сообщения: 33
Откуда: Питер
Для того чтобы реализовать подогрев воздуха купил воздуховод инжектора 21082 Сызрань.


Вложения:
Комментарий к файлу: воздуховод инжектора 21082 Сызрань
1.jpg
1.jpg [ 245.73 КБ | Просмотров: 35203 ]

_________________
Escort 1.6L CVH ( был 2V CARBURETTOR) сейчас Карбюратор Solex ДААЗ 21083-1107010, 96г. CLX ,5 DOOR SALOON
Вернуться к началу
 Профиль  
 
Показать сообщения за:  Поле сортировки  
Начать новую тему Ответить на тему  [ Сообщений: 62 ]  На страницу 1, 2, 3, 4, 5  След.

Часовой пояс: UTC + 4 часа [ Летнее время ]


Кто сейчас на конференции

Сейчас этот форум просматривают: нет зарегистрированных пользователей и гости: 4


Вы не можете начинать темы
Вы не можете отвечать на сообщения
Вы не можете редактировать свои сообщения
Вы не можете удалять свои сообщения
Вы не можете добавлять вложения

Найти:
Перейти:  
POWERED_BY
Русская поддержка phpBB
[ Time : 0.050s | 16 Queries | GZIP : Off ]