Автомобильные Форумы POKATILI.RU

Форумы Добровольного Общества Взаимного Обеспечения на Дорогах
Текущее время: Ср ноя 05, 2025 5:04

Часовой пояс: UTC + 4 часа [ Летнее время ]




Форум закрыт Эта тема закрыта, вы не можете редактировать и оставлять сообщения в ней.  [ Сообщений: 19 ]  На страницу 1, 2  След.
Автор Сообщение
 Заголовок сообщения: Потухла лампочка заряда
СообщениеДобавлено: Пт май 11, 2007 12:31 
Не в сети
ученик форума
ученик форума

Зарегистрирован: Пт май 11, 2007 12:19
Сообщения: 5
Откуда: Н. Новгород
Потухла лампочка заряда и пропала зарядка АКБ.. Т.е. когда включ. зажигание горит стояночная и давления масла лампочка.. и не включаеться уже никогда :( Предохранители ок.. Щетки посмотрел = блестят тоже.. Подскажите пож-ста куда смотреть?


Вернуться к началу
 Профиль  
 
 Заголовок сообщения:
СообщениеДобавлено: Пт май 11, 2007 13:28 
Не в сети
Специалист по электрике
Аватара пользователя

Зарегистрирован: Вт сен 20, 2005 4:06
Сообщения: 6562
Откуда: сКольский п-ов
Ну ЙОПЭРЭСЭТЭ..., ну аффто то какое??? В студию, пжлста...

Чё делать, чё делать - лампочку то проверял? Скинь фишку голубого проводка с гены, вкл. зажигание(двигло не заводить!), и замкни енту самую фишку на массу. Должна загореться.

Не загорелась - надо проверить лампочку(мож сгорела) и проводку до лампочки на обрыв.

И впалне вазможна будит у тя зарядка... :D

Удачи! :wink:

_________________
Мир всем...
Escort''95 mk6, CLX, hatchback five-door , CFI, J6A, HCS 1.3
...имеющие уши да услышат...
...у быстро бегущей маленькой мышки лапок не видно - отрицать невидимое есть очевидная ересь...


Вернуться к началу
 Профиль  
 
 Заголовок сообщения:
СообщениеДобавлено: Пт май 11, 2007 13:40 
Не в сети
ученик форума
ученик форума

Зарегистрирован: Пт май 11, 2007 12:19
Сообщения: 5
Откуда: Н. Новгород
MozgoveD писал(а):
Ну ЙОПЭРЭСЭТЭ..., ну аффто то какое??? В студию, пжлста...

Чё делать, чё делать - лампочку то проверял? Скинь фишку голубого проводка с гены, вкл. зажигание(двигло не заводить!), и замкни енту самую фишку на массу. Должна загореться.

Не загорелась - надо проверить лампочку(мож сгорела) и проводку до лампочки на обрыв.

И впалне вазможна будит у тя зарядка... :D

Удачи! :wink:


1)Ford Escort'96 1.3 karb (Хетчбек)
2)Скидывал провод с генератора, 3 жилы при включении зажигания дают ток.
заводишь, клемму сбрасываешь = глохнет, т.е. я так понимаю нет заряда, но почему лампочка не горит?

_________________
Ford Escort'96 1.3 karb (Хетчбек)


Вернуться к началу
 Профиль  
 
 Заголовок сообщения:
СообщениеДобавлено: Пт май 11, 2007 14:51 
Не в сети
Специалист по электрике
Аватара пользователя

Зарегистрирован: Вт сен 20, 2005 4:06
Сообщения: 6562
Откуда: сКольский п-ов
Sciner писал(а):
Цитата:
1)Ford Escort'96 1.3 karb (Хетчбек)

Ну вот, видишь, другое дело. Знаем мы твою электрику... :D
Цитата:
Скидывал провод с генератора, 3 жилы при включении зажигания дают ток.

А вот это нипони-и-ил. :shock: Какие 3 жилы? У тебя должно быть 2 провода - толстый красный(сила) - на аккум(через клемму стартера), тонкий голубой - на лампочку гены.
Цитата:
заводишь, клемму сбрасываешь = глохнет

И будет глохнуть - гена не даёт напруги. И скорее всего, потому, что не возбуждается он самый родимый...
А ток в обмотку возбуждения гены подаётся как раз через лампочку гены.
Цитата:
но почему лампочка не горит?

Пачиму-пачиму...
Млин, ты проверил её, как я написал тебе в первом ответе?
Ну что, лампочка загорелась?
ПАВТАРЯЮ!!! :roll: Если не загорелась - меняй лампочку или звони на обрыв цепь: голубой провод от гены - разъем на радиаторе(слева внутри внизу) - лампочка гены - замок зажигания.

Удачи! :wink:

_________________
Мир всем...
Escort''95 mk6, CLX, hatchback five-door , CFI, J6A, HCS 1.3
...имеющие уши да услышат...
...у быстро бегущей маленькой мышки лапок не видно - отрицать невидимое есть очевидная ересь...


Вернуться к началу
 Профиль  
 
 Заголовок сообщения:
СообщениеДобавлено: Пн май 14, 2007 11:57 
Не в сети
ученик форума
ученик форума

Зарегистрирован: Пт май 11, 2007 12:19
Сообщения: 5
Откуда: Н. Новгород
3 провода у меня на генератор идет :?
пробовал ещё раз через переноску при включенном зажигании потестить, при включенном зажигании при контакте с левым проводом зажигаеться лампочка на панели приборов!
что дальше делать :?:


Вложения:
S3000249.JPG [68.54 КБ]
Скачиваний: 141

_________________
Ford Escort'96 1.3 karb (Хетчбек)
Вернуться к началу
 Профиль  
 
 Заголовок сообщения:
СообщениеДобавлено: Пн май 14, 2007 12:19 
Не в сети
Специалист по электрике
Аватара пользователя

Зарегистрирован: Вт сен 20, 2005 4:06
Сообщения: 6562
Откуда: сКольский п-ов
Sciner писал(а):
Цитата:
3 провода у меня (фотку приложил)

:roll:
Где Эскортик сделан?
Я таких на 1.3 не встречал. На гене Магнети-Марелли 2 провода - голубой под фишку и красный под болт.
Гена то небось Бошевский?

Цитата:
пробовал ещё раз через переноску при включенном зажигании потестить, при включенном зажигании при контакте с левым проводом зажигаеться лампочка на панели приборов!

Это уже хуже...
+12В через лампочку в ОВ, значит всё же приходит.

Посмотри на наличие контакты масс на двигле и с двигла на кузов. Если всё нормально, придётся снимать гену. :( Байда в тогда в нём нет контакта ОВ с массой.
С электричеством дружишь?
Надо в первую очередь снять с гены регулятор напряжения - посмотреть щетки на износ, нет ли окислов на контакте массы и проверить исправность самого регулятора.

Удачи! :wink:

_________________
Мир всем...
Escort''95 mk6, CLX, hatchback five-door , CFI, J6A, HCS 1.3
...имеющие уши да услышат...
...у быстро бегущей маленькой мышки лапок не видно - отрицать невидимое есть очевидная ересь...


Вернуться к началу
 Профиль  
 
 Заголовок сообщения:
СообщениеДобавлено: Пн май 14, 2007 12:53 
Не в сети
ученик форума
ученик форума

Зарегистрирован: Пт май 11, 2007 12:19
Сообщения: 5
Откуда: Н. Новгород
Машина сделана в ГДР. Опыта по ремонту нет :)
Думаю придеться снимать генератор. Щётки я раньше проверял уже = блестят.. А что может быть? Обмотка, диодный мост? И что у Бошевского генератора из этих деталей можно заменить более менее недорогим аналогом (Вазовским например)?

_________________
Ford Escort'96 1.3 karb (Хетчбек)


Вернуться к началу
 Профиль  
 
 Заголовок сообщения:
СообщениеДобавлено: Пн май 14, 2007 14:42 
Не в сети
Специалист по электрике
Аватара пользователя

Зарегистрирован: Вт сен 20, 2005 4:06
Сообщения: 6562
Откуда: сКольский п-ов
Sciner писал(а):
Машина сделана в ГДР. Опыта по ремонту нет :)
Думаю придеться снимать генератор. Щётки я раньше проверял уже = блестят.. А что может быть? Обмотка, диодный мост?

Енто плохо, что опыта нет.
Блеск-то блеском, а длина щеток какая? Мож они стерлись банально у тебя. Щетки в пазах РН хорошо ходят при нажиме, не заедают?
Контактные кольца чистые, без масла? Дорожки(выработка) на кольцах есть?

Сопротивление ОВ можно проверить тестером.

А вааще чё я торможу - почитай мой пост в ФАКах про гену Магнети-Марелли, там всё написано.

Удачи! :wink:

_________________
Мир всем...
Escort''95 mk6, CLX, hatchback five-door , CFI, J6A, HCS 1.3
...имеющие уши да услышат...
...у быстро бегущей маленькой мышки лапок не видно - отрицать невидимое есть очевидная ересь...


Вернуться к началу
 Профиль  
 
 Заголовок сообщения:
СообщениеДобавлено: Пн май 14, 2007 20:03 
Не в сети
ас форума
Аватара пользователя

Зарегистрирован: Вс фев 06, 2005 0:03
Сообщения: 3470
Откуда: Питер
Ищи свой


Вложения:
бош.JPG
бош.JPG [ 91.49 КБ | Просмотров: 2636 ]
A5T.JPG
A5T.JPG [ 82.67 КБ | Просмотров: 2636 ]
Magneti-Marelli.JPG [104.02 КБ]
Скачиваний: 99
A002T.JPG
A002T.JPG [ 83.42 КБ | Просмотров: 2636 ]

_________________
И енто пройдет!
Honda CR-V 2001г.- стоит разбитая "доброй"тетенькой- вот вот сделаю!- сделано(весьма не плохо) катаюсь и радуюсь!
Reno Laguna 95г.- "поджопник"-продан
Вернуться к началу
 Профиль  
 
 Заголовок сообщения:
СообщениеДобавлено: Пн май 14, 2007 20:10 
Не в сети
ас форума
Аватара пользователя

Зарегистрирован: Вс фев 06, 2005 0:03
Сообщения: 3470
Откуда: Питер
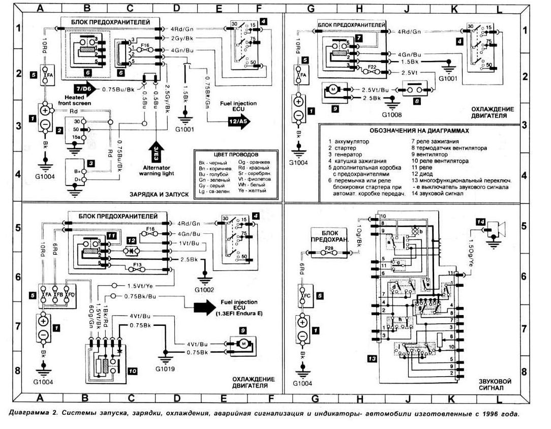
Схема зарядки


Вложения:
сис зарядки.JPG [206.31 КБ]
Скачиваний: 101

_________________
И енто пройдет!
Honda CR-V 2001г.- стоит разбитая "доброй"тетенькой- вот вот сделаю!- сделано(весьма не плохо) катаюсь и радуюсь!
Reno Laguna 95г.- "поджопник"-продан
Вернуться к началу
 Профиль  
 
 Заголовок сообщения:
СообщениеДобавлено: Пн май 14, 2007 21:18 
Не в сети
Админо-модератор
Админо-модератор
Аватара пользователя

Зарегистрирован: Ср фев 21, 2007 15:00
Сообщения: 2194
Откуда: СПб
У меня такой же разъем на 1,3 CVH 82го года, генератор BOSH.
Первое - открываешь этот разъем (у него на стороне, которая на улице остается, крышка открывается) и поддевая тонкой отверткой, вытаскиваешь контакты. ТАм все нафиг окислено (это я по фотке диагностирую :)) и это "все" надо чистить. Почистить и поджать все клеммы. Большие - силовые, их прочищать-поджимать, у меня окислился обжатый контакт клемма-провод, паять пришлось. Еще стоит проверить второй конец двух толстых проводов - он идет вокруг глушителя на стартер, та клемма тоже может окислиться. Расположение провода - это для 82го года, в 96м могли и поменять (а могли и оставить как есть, до 90го не меняли)
Маленькая - это возбуждение гены (тот самый синий провод от лампочки на панели приборов, о котором говорил MozgoveD ). На нем 12V через лампочку, и надо проверять не только их наличие, но и ток - изза неконтакта может просто "не тянуть" возбуждение. На 82м году этот провод имеет еще один разъем - примерно в 20см от того, который на фотке, одноконтактный круглый привешен, там все тоже плохо обычно (низко они, вся грязь и вода там).
Мелкую клемму можно переобжать, такие клеммы есть в продаже, а вот больших я так и не нашел.. Найти бы код для всей этой сборки - разъем генератора и три провода, но в Микрокате не докопался, только проводку целиком предлагают.

_________________
Focus II 1.6 - такое вот приобретение.
Escort IV 1.6i - Карл-Призрак дороги.
Escort III 1.3 CVH. Хорошая была машинка.
Escort IV 1.3 OHV, окончательно сгнил. Не жилец..
Москвич 407. Раритет, однако.


Последний раз редактировалось yak Вт май 15, 2007 2:21, всего редактировалось 1 раз.

Вернуться к началу
 Профиль  
 
 Заголовок сообщения:
СообщениеДобавлено: Пн май 14, 2007 21:32 
Не в сети
Специалист широкого профиля

Зарегистрирован: Ср мар 08, 2006 16:33
Сообщения: 3975
Откуда: Харьков
А на моем Бошевском гене силовой провод один толстый крепится к клемме гены гайкой. Синий тонкий подключается через разъем.
Такой клеммы с тремя проводами, из которых 2 силовых на моем гене нет (2 силовых наверно чтобы сечение было большим, т.е. они параллельно соединены ?)

_________________
Ford Escort хэтч, CVH 1,4 F6D (сейчас карб Pierburg 1B3 ), май 90г., красный, люк, ЦЗ.


Вернуться к началу
 Профиль  
 
 Заголовок сообщения:
СообщениеДобавлено: Вт май 15, 2007 2:27 
Не в сети
Админо-модератор
Админо-модератор
Аватара пользователя

Зарегистрирован: Ср фев 21, 2007 15:00
Сообщения: 2194
Откуда: СПб
Да, силовые параллельно и провода там квадратов 6 гдето, толстенные. у меня они сгнили, я 4 квадрата ставил, чувствуется что тоньше. Но с учетом 45-амперного генератора - тянут, все нормально.
А разъем такой на экзисте например прорисован, если генератор для CVH 80х искать - то как раз генераторы с таким разъемом и выдаются, BOSHевские 35,45,55 ампер.
Но от 100$. Но BOSHевские. :)

_________________
Focus II 1.6 - такое вот приобретение.
Escort IV 1.6i - Карл-Призрак дороги.
Escort III 1.3 CVH. Хорошая была машинка.
Escort IV 1.3 OHV, окончательно сгнил. Не жилец..
Москвич 407. Раритет, однако.


Вернуться к началу
 Профиль  
 
 Заголовок сообщения:
СообщениеДобавлено: Вт май 15, 2007 14:00 
Не в сети
Специалист по электрике
Аватара пользователя

Зарегистрирован: Вт сен 20, 2005 4:06
Сообщения: 6562
Откуда: сКольский п-ов
Bryking писал(а):
А на моем Бошевском гене силовой провод один толстый крепится к клемме гены гайкой. Синий тонкий подключается через разъем.
Такой клеммы с тремя проводами, из которых 2 силовых на моем гене нет (2 силовых наверно чтобы сечение было большим, т.е. они параллельно соединены ?)

На шильдике Бош написано?
По подключению похож на Магнети-Марелли.

Удачи! :wink:

_________________
Мир всем...
Escort''95 mk6, CLX, hatchback five-door , CFI, J6A, HCS 1.3
...имеющие уши да услышат...
...у быстро бегущей маленькой мышки лапок не видно - отрицать невидимое есть очевидная ересь...


Вернуться к началу
 Профиль  
 
 Заголовок сообщения:
СообщениеДобавлено: Вт май 15, 2007 14:01 
Не в сети
Специалист по электрике
Аватара пользователя

Зарегистрирован: Вт сен 20, 2005 4:06
Сообщения: 6562
Откуда: сКольский п-ов
lexa писал(а):
Ищи свой

На генах Магнети-Марелли картинки надо поменять местами - очепятка... :?

Удачи! :wink:

_________________
Мир всем...
Escort''95 mk6, CLX, hatchback five-door , CFI, J6A, HCS 1.3
...имеющие уши да услышат...
...у быстро бегущей маленькой мышки лапок не видно - отрицать невидимое есть очевидная ересь...


Вернуться к началу
 Профиль  
 
Показать сообщения за:  Поле сортировки  
Форум закрыт Эта тема закрыта, вы не можете редактировать и оставлять сообщения в ней.  [ Сообщений: 19 ]  На страницу 1, 2  След.

Часовой пояс: UTC + 4 часа [ Летнее время ]


Кто сейчас на конференции

Сейчас этот форум просматривают: нет зарегистрированных пользователей и гости: 3


Вы не можете начинать темы
Вы не можете отвечать на сообщения
Вы не можете редактировать свои сообщения
Вы не можете удалять свои сообщения
Вы не можете добавлять вложения

Найти:
Перейти:  
cron
POWERED_BY
Русская поддержка phpBB
[ Time : 0.093s | 17 Queries | GZIP : Off ]