Автомобильные Форумы POKATILI.RU

Форумы Добровольного Общества Взаимного Обеспечения на Дорогах
Текущее время: Ср ноя 05, 2025 2:39

Часовой пояс: UTC + 4 часа [ Летнее время ]




Форум закрыт Эта тема закрыта, вы не можете редактировать и оставлять сообщения в ней.  [ Сообщений: 13 ] 
Автор Сообщение
 Заголовок сообщения: Вернёмся всё же к электрике :)
СообщениеДобавлено: Пн май 29, 2006 16:19 
Не в сети
чайник форума (знак 70)
чайник форума (знак 70)

Зарегистрирован: Пт апр 14, 2006 18:17
Сообщения: 85
Привет общественность.
Значит писал я что были глюки, заменил полностью весь блок предохранителей.
Перекинули предохранители и релюшки на новый и всё стало работать кроме одного!
Кроме заднего дворника.

На выходных решил поковыряться поглядеть почему не работаем.
Начал с хвоста, быстренько снял общивку задней двери, длинный провод от аккума, дворник работает.

Дальше разбираю обшивку рулевой опускаю блок предохранителей и на автомате вытаскиваю релюшку открываю и начинаю втыкать и тут опа пробивает, не та релюшка.

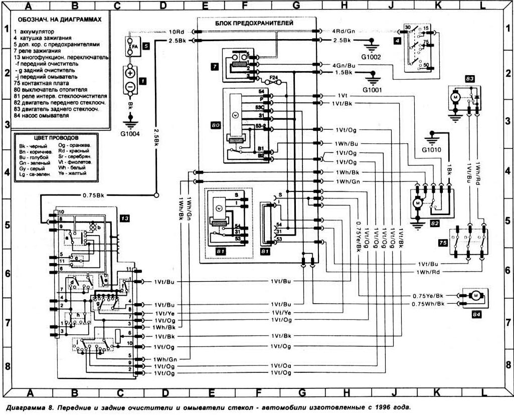
Читаю документацию (см картинку 1)
Что то не то в этой жизни.
Оказывает должна быть оранжевая реле под номером 7 (см картинку 2)

Где же реле, смотрю гнездо пустое, явно что то при замене забыли поставить на место.

А теперь внимание вопрос, кто может посмотреть что стоит и есть ли там реле? Вероятно что там реле нет, а может быть просто железная заглушка. Тем более что лишнее реле вызвало бы вопросы но его нет.
Так вот если она там есть то какие контакты она замыкает?

Пытался эксперементально найти контакты, остановился после того как спалил предохранитель, решил больше не эксперементировать а узнать мнение общества.


Вложения:
Комментарий к файлу: На всякий случай схема устройства дворников
ford_dvorniki_scheme.JPG [172.96 КБ]
Скачиваний: 250
Комментарий к файлу: Картинка 2 расположение релюшек
DSC00223.JPG [199.19 КБ]
Скачиваний: 251
Комментарий к файлу: Картинка 1 (реле эскортов с 96 года)
ford_rele.JPG
ford_rele.JPG [ 55.38 КБ | Просмотров: 2059 ]

_________________
Форд Эскорт
август 1996
Зетек 1,6

Молдова, Кишинёв.
Вернуться к началу
 Профиль  
 
 Заголовок сообщения:
СообщениеДобавлено: Пн май 29, 2006 23:11 
Не в сети
Специалист по электрике
Аватара пользователя

Зарегистрирован: Вт сен 20, 2005 4:06
Сообщения: 6562
Откуда: сКольский п-ов
Попробую выступить в роли экстрасекса... :?
Почему?
А тип кузова какой?
Судя по тому, что релюхи не стоит, то у тебя хэтч.
Если я угадал, то вместо релюхи у хэтча стоит перемычка на плате реле(на схеме показано какие контакты она перемыкает), т.к. прерывистого режима работы заднего дворника как правило на хэтчах нет.
А вот на универсалах(не на всех) стоит уже релюха для прерывистого режима работы заднего дворника.

Понять, предусмотрен ли на твоем аффто прерывистый режим можно еще взглянув на стрекозу. Если не предусмотрен - на стрекозе будет только одно переключаемое положение на задний дворник.

Что не получится или не понятно, спрашивай ещё.

Удачи! :wink:

_________________
Мир всем...
Escort''95 mk6, CLX, hatchback five-door , CFI, J6A, HCS 1.3
...имеющие уши да услышат...
...у быстро бегущей маленькой мышки лапок не видно - отрицать невидимое есть очевидная ересь...


Вернуться к началу
 Профиль  
 
 Заголовок сообщения:
СообщениеДобавлено: Пн май 29, 2006 23:58 
Не в сети
Модератор раздела FAQ
Модератор раздела FAQ
Аватара пользователя

Зарегистрирован: Вт фев 28, 2006 16:15
Сообщения: 6483
Откуда: Москва.
Машина: другой Ford
А, что такое - стрекоза ? Подрулевой переключатель , наверно..
Мне тоже, такая замена предстоит...

_________________
С уважением, Михаил.
Променял Эскорт 16V на Форд-Фокус II и III.


Вернуться к началу
 Профиль  
 
 Заголовок сообщения:
СообщениеДобавлено: Вт май 30, 2006 2:19 
Не в сети
Специалист по электрике
Аватара пользователя

Зарегистрирован: Вт сен 20, 2005 4:06
Сообщения: 6562
Откуда: сКольский п-ов
Как в воду смотрел... :D
Стрекоза - это подрулевик!

А чего задумал менять-то? Я описывал способ ремонта(да и не только я) стрекозы.

Удачи! :wink:

_________________
Мир всем...
Escort''95 mk6, CLX, hatchback five-door , CFI, J6A, HCS 1.3
...имеющие уши да услышат...
...у быстро бегущей маленькой мышки лапок не видно - отрицать невидимое есть очевидная ересь...


Вернуться к началу
 Профиль  
 
 Заголовок сообщения:
СообщениеДобавлено: Вт май 30, 2006 16:49 
Не в сети
чайник форума (знак 70)
чайник форума (знак 70)

Зарегистрирован: Пт апр 14, 2006 18:17
Сообщения: 85
MozgoveD писал(а):
Попробую выступить в роли экстрасекса... :?
Почему?
А тип кузова какой?
Судя по тому, что релюхи не стоит, то у тебя хэтч.
Если я угадал, то вместо релюхи у хэтча стоит перемычка на плате реле(на схеме показано какие контакты она перемыкает), т.к. прерывистого режима работы заднего дворника как правило на хэтчах нет.
А вот на универсалах(не на всех) стоит уже релюха для прерывистого режима работы заднего дворника.

Понять, предусмотрен ли на твоем аффто прерывистый режим можно еще взглянув на стрекозу. Если не предусмотрен - на стрекозе будет только одно переключаемое положение на задний дворник.

Что не получится или не понятно, спрашивай ещё.

Удачи! :wink:

О!
Сразу видно знающего человека :)
Ссори не отписал Хэтч как ты правильно и заметил.
По схеме мне пока что то не очень понятно какая должна быть перемычка?
---
| --- |
|
Вот так вроде выглядит разъём.
Контакты не подписанны, что с чем замкнуть?
Сейчас ещё пофткаю, может пойму, но пока что то не догадался.

_________________
Форд Эскорт
август 1996
Зетек 1,6

Молдова, Кишинёв.


Вернуться к началу
 Профиль  
 
 Заголовок сообщения:
СообщениеДобавлено: Вт май 30, 2006 20:19 
Не в сети
чайник форума (знак 70)
чайник форума (знак 70)

Зарегистрирован: Пт апр 14, 2006 18:17
Сообщения: 85
неа чё то не въезжаю
Вот на картинке что с чем мне замкнуть?
Я там коряво но попытался подписать ноги?

И там вижу какие то закрашенные прямоугольники, они чтоли что то означают :)


Вложения:
Комментарий к файлу: Вид посадочного гнезда для релюшки
r7.JPG
r7.JPG [ 5.19 КБ | Просмотров: 1994 ]

_________________
Форд Эскорт
август 1996
Зетек 1,6

Молдова, Кишинёв.
Вернуться к началу
 Профиль  
 
 Заголовок сообщения:
СообщениеДобавлено: Ср май 31, 2006 20:39 
Не в сети
чайник форума (знак 70)
чайник форума (знак 70)

Зарегистрирован: Пт апр 14, 2006 18:17
Сообщения: 85
Ну что никто не может сфоткать какая перемычка у него там стоит?
А то тут негде узнать правду?

_________________
Форд Эскорт
август 1996
Зетек 1,6

Молдова, Кишинёв.


Вернуться к началу
 Профиль  
 
 Заголовок сообщения:
СообщениеДобавлено: Пт июн 02, 2006 18:49 
Не в сети
чайник форума (знак 70)
чайник форума (знак 70)

Зарегистрирован: Пт апр 14, 2006 18:17
Сообщения: 85
В обед поехал договариваться в автосервис на счёт замены втулок стабилизатора, заодно по дороге заехал и купил сами втулки.
Вообщем ребята сказали что за 30 минут заменят, таки заменили за минут 30.
Открутили подрамник, разобрали собрали, попросил проверить колёса, и внимание обнаружилось что у меня в колёсах накаченно 2.7 атмосферы :)
Тут что хочешь застучит :)
Вообщем противный стук ушёл, я доволен осталось только разобраться с задним дворником.

_________________
Форд Эскорт
август 1996
Зетек 1,6

Молдова, Кишинёв.


Вернуться к началу
 Профиль  
 
 Заголовок сообщения:
СообщениеДобавлено: Вс июн 04, 2006 10:37 
Не в сети
Специалист по электрике
Аватара пользователя

Зарегистрирован: Вт сен 20, 2005 4:06
Сообщения: 6562
Откуда: сКольский п-ов
Цитата:
Ну что никто не может сфоткать какая перемычка у него там стоит?

Я и без фотки могу... По схеме.

Но видишь, какая байда получается, боюсь лажануться.

Т.к. по схеме до 95г. со стрекозы плюсевич приходит на контакт реле S.
А по схеме после 95г. со стрекозы плюсевич приходит на контакт реле I.
Где-то закралась АШИПКА, и чему верить?
Так что если можешь подожди, на следующей неделе всеравно лезть в блок реле - посмотрю в натуре.
Сейчас, звиняй, некогда, надо ТО пройти.

Удачи! :wink:

_________________
Мир всем...
Escort''95 mk6, CLX, hatchback five-door , CFI, J6A, HCS 1.3
...имеющие уши да услышат...
...у быстро бегущей маленькой мышки лапок не видно - отрицать невидимое есть очевидная ересь...


Вернуться к началу
 Профиль  
 
 Заголовок сообщения:
СообщениеДобавлено: Пн июн 05, 2006 14:40 
Не в сети
чайник форума (знак 70)
чайник форума (знак 70)

Зарегистрирован: Пт апр 14, 2006 18:17
Сообщения: 85
MozgoveD писал(а):
Я и без фотки могу... По схеме.

Ну по схеме то ясно что куда приходит, просто я в глаза того реле не видел и не знаю на каком выходе\входе чё стоит.
Ну ок, подожду пока ты залезешь.

_________________
Форд Эскорт
август 1996
Зетек 1,6

Молдова, Кишинёв.


Вернуться к началу
 Профиль  
 
 Заголовок сообщения:
СообщениеДобавлено: Сб июн 10, 2006 4:15 
Не в сети
Специалист по электрике
Аватара пользователя

Зарегистрирован: Вт сен 20, 2005 4:06
Сообщения: 6562
Откуда: сКольский п-ов
Посмотри вот здесь:
http://pokatili.ru/forum/viewtopic.php?t=6388
Это хоть и не твой блок, но Р7 такое-же и перемычка четко видна.

Удачи! :wink:

_________________
Мир всем...
Escort''95 mk6, CLX, hatchback five-door , CFI, J6A, HCS 1.3
...имеющие уши да услышат...
...у быстро бегущей маленькой мышки лапок не видно - отрицать невидимое есть очевидная ересь...


Вернуться к началу
 Профиль  
 
 Заголовок сообщения:
СообщениеДобавлено: Пн июн 12, 2006 13:17 
Не в сети
чайник форума (знак 70)
чайник форума (знак 70)

Зарегистрирован: Пт апр 14, 2006 18:17
Сообщения: 85
Отлично, как раз такая перемычка есть среди оставшихся.
Значит обязательно попробую вечером и доложу потом :)

_________________
Форд Эскорт
август 1996
Зетек 1,6

Молдова, Кишинёв.


Вернуться к началу
 Профиль  
 
 Заголовок сообщения:
СообщениеДобавлено: Вт июн 13, 2006 12:55 
Не в сети
чайник форума (знак 70)
чайник форума (знак 70)

Зарегистрирован: Пт апр 14, 2006 18:17
Сообщения: 85
Нет не получилось ничего :(

Когда ставлю перемычку и включаю задний дворник то он не работает, зато загорается свтодиодики в кнопках обогрева заднего стекла и противотуманки.

Потом опять решил попробовать разные комбинации, спалил предохранитель и успокоился :)

_________________
Форд Эскорт
август 1996
Зетек 1,6

Молдова, Кишинёв.


Вернуться к началу
 Профиль  
 
Показать сообщения за:  Поле сортировки  
Форум закрыт Эта тема закрыта, вы не можете редактировать и оставлять сообщения в ней.  [ Сообщений: 13 ] 

Часовой пояс: UTC + 4 часа [ Летнее время ]


Кто сейчас на конференции

Сейчас этот форум просматривают: нет зарегистрированных пользователей и гости: 2


Вы не можете начинать темы
Вы не можете отвечать на сообщения
Вы не можете редактировать свои сообщения
Вы не можете удалять свои сообщения
Вы не можете добавлять вложения

Найти:
Перейти:  
cron
POWERED_BY
Русская поддержка phpBB
[ Time : 0.038s | 16 Queries | GZIP : Off ]