Автомобильные Форумы POKATILI.RU

Форумы Добровольного Общества Взаимного Обеспечения на Дорогах
Текущее время: Сб апр 25, 2026 21:58

Часовой пояс: UTC + 4 часа [ Летнее время ]




Форум закрыт Эта тема закрыта, вы не можете редактировать и оставлять сообщения в ней.  [ Сообщений: 24 ]  На страницу 1, 2  След.
Автор Сообщение
СообщениеДобавлено: Пт фев 23, 2007 1:17 
Не в сети
ученик форума
ученик форума

Зарегистрирован: Чт фев 22, 2007 15:28
Сообщения: 8
Откуда: моск. обл.
форд эскорт 1.8i 16v 1992, SEFI
Не заводится. Нет искры. Нет +12 на 8-мой ноге коммутатора.
Вопрос: откуда на этот контакт идет +, от какого реле? Если это реле запуска (R26), то на схеме в книге эскорт/орион 1990-97 здесь тупик.


Вернуться к началу
 Профиль  
 
 Заголовок сообщения:
СообщениеДобавлено: Пт фев 23, 2007 3:15 
Не в сети
Модератор раздела
Модератор раздела
Аватара пользователя

Зарегистрирован: Вс авг 20, 2006 17:59
Сообщения: 14895
Откуда: Питер,м.Нарвская,м.В.О.
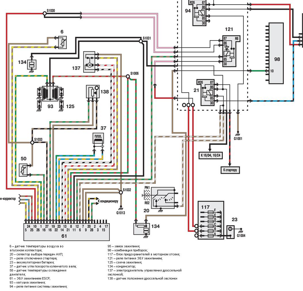
:!:Это для 1,6 Система зажигания (двигатели 1,6 CVH и АКПП до 1995 г.)


Вложения:
схема зажигания.JPG [168.69 КБ]
Скачиваний: 215

_________________
BMW e36/M44 319is/93-98/синий седан/
были: БТР,Урал375,Ваз21061,Orion1,4CVH(carb21083)Green Metal 1986(продан...скучаю...)
Моя музыка Изображение


Последний раз редактировалось Guitarist Пт фев 23, 2007 3:27, всего редактировалось 1 раз.
Вернуться к началу
 Профиль  
 
 Заголовок сообщения:
СообщениеДобавлено: Пт фев 23, 2007 3:25 
Не в сети
Модератор раздела
Модератор раздела
Аватара пользователя

Зарегистрирован: Вс авг 20, 2006 17:59
Сообщения: 14895
Откуда: Питер,м.Нарвская,м.В.О.
Пардон схема не та!
Вот для Зетека,модуль 46


Вложения:
Resize of Зетек1.JPG
Resize of Зетек1.JPG [ 110.23 КБ | Просмотров: 8373 ]

_________________
BMW e36/M44 319is/93-98/синий седан/
были: БТР,Урал375,Ваз21061,Orion1,4CVH(carb21083)Green Metal 1986(продан...скучаю...)
Моя музыка Изображение


Последний раз редактировалось Guitarist Пт фев 23, 2007 3:52, всего редактировалось 1 раз.
Вернуться к началу
 Профиль  
 
 Заголовок сообщения:
СообщениеДобавлено: Пт фев 23, 2007 3:36 
Не в сети
Модератор раздела
Модератор раздела
Аватара пользователя

Зарегистрирован: Вс авг 20, 2006 17:59
Сообщения: 14895
Откуда: Питер,м.Нарвская,м.В.О.
Если смотреть на схему:то реле R26 имеет три ноги -одна на землю.одна на блок предохранителей(117),одна на замок зажигания(95)

П.С. Прошу прощения за размеры схем,но меньше их лучше не делать и так мелко :oops:

_________________
BMW e36/M44 319is/93-98/синий седан/
были: БТР,Урал375,Ваз21061,Orion1,4CVH(carb21083)Green Metal 1986(продан...скучаю...)
Моя музыка Изображение


Вернуться к началу
 Профиль  
 
 Заголовок сообщения:
СообщениеДобавлено: Пт фев 23, 2007 13:51 
Не в сети
ученик форума
ученик форума

Зарегистрирован: Чт фев 22, 2007 15:28
Сообщения: 8
Откуда: моск. обл.
Огромное спасибо.
Но эта схема та же, что и в моем мануале, только цветная. Мне кажется она не правильная.
1. Не совпадают номера ног у коммутатора с реальной проводкой.
2. R8 и R9 контактами 86 и 85 на реальном блоке предохранителей почему-то не сходятся.

Может у меня система управления как у двигателя EFI ?

И все же, через какое реле подается +12В на коммутатор? Ведь у R26 нога 30 на схеме свободна.


Вернуться к началу
 Профиль  
 
 Заголовок сообщения:
СообщениеДобавлено: Сб фев 24, 2007 19:30 
Не в сети
ученик форума
ученик форума

Зарегистрирован: Чт фев 22, 2007 15:28
Сообщения: 8
Откуда: моск. обл.
Всё таки у неё схема как у 1.6 EFI.
Хотя при вводе ВИНа выдается : ZETEC 1.8 EFI 16V (2/1992).
Как я уже писал нет искры, и к тому оказывается не работает насос.
Два дня тыкал тестером (гаража нет, а на улице не май месяц) и обнаружил отсутствие + на ноге 86 реле R8 (реле EEC IV). Сколько должно 12В или меньше не знаю, но на катушке этой реле тока нет. По схеме эта цепь уходит к 16/С4, но где это?, вроде должно означать диаграмма 16 квадрат С4 - но я такой диаграммы не нашел).
Поэтому подал перемычку к ноге 86 реле R8 от той самой (тупиковой по схеме) ноги 30 реле R26. R8 дало ток на контакт 8 коммутатора (черный провод) и на реле насоса R9, а оно пропустило ток на насос.
Машина завелась. Все бы хорошо, но она не выключается !!!
Выключил только отсединением разъема коммутатора (модул EDIS).

Лёлик, что делать? (Вспомнилось кино)

Может кто-то подскажет. Спецы отзовитесь.


Вернуться к началу
 Профиль  
 
 Заголовок сообщения:
СообщениеДобавлено: Сб фев 24, 2007 20:47 
Не в сети
чайник форума (знак 70)
чайник форума (знак 70)
Аватара пользователя

Зарегистрирован: Вс апр 16, 2006 14:29
Сообщения: 274
Откуда: Estonia.Tallinn
Распайка внутри блока,по крайней мере было у меня.

_________________
TOYOTA COROLLA 1.6 LINEA TERRA 5D HB 2004 ,AUDI A6 2.8 AVANT 1997, AUDI 100 2,8 AVANT 1992 Был: FORD ESCORT 1.4i mono 1991(продан),AUDI 100 2.8 AVANT 1994(разбита)


Вернуться к началу
 Профиль  
 
 Заголовок сообщения:
СообщениеДобавлено: Вс фев 25, 2007 18:41 
Не в сети
ученик форума
ученик форума

Зарегистрирован: Чт фев 22, 2007 15:28
Сообщения: 8
Откуда: моск. обл.
Не дождавшись помощи форумчан, решил поискать другие мануалы на Форд в КЭМПе, по дороге форд нормально работал и даже сам выключился при выключении ключа зажигания!!! Я даже обрадовался, но при повторном запуске неисправность повторилась. И вдруг я случайно нажал на тормоз (после поворота ключа зажигания)и двигатель заглох. Так что, пока пользуюсь тормозом для выключения движка, если он сам не выключается.
В КЭМПе купил мануал по Фордам 90-97 гг Питерского издательства АЛФА МЕР. В нем нашел схему №16 ( куда шла цепь от реле мозгов R9)- оказывается +12В идет через перемычку не от 30-той ноги R26 (реле зажигания), а от ноги 86. А также идет связка с блоком охранной сигнализации, контакт 8. Скоренько перебросил мой провод как положено по схеме. Но вышло хуже: насос включился сразу (без ключа зажигания), а двигатель не выключается ни от ключа отдельно, ни от клча снажатием тормоза.

Попробую прозвонить смязку с блоком охранной сигнализации. Только надо найти где он стоит и с чем его едят.
У кого-нибудь что-то подобное было???


Вернуться к началу
 Профиль  
 
 Заголовок сообщения:
СообщениеДобавлено: Ср фев 28, 2007 0:01 
Не в сети
чайник форума (знак 70)
чайник форума (знак 70)

Зарегистрирован: Чт фев 08, 2007 20:52
Сообщения: 153
Откуда: Мурманская обл. ПЗ
Guitarist писал(а):
Пардон схема не та!
Вот для Зетека,модуль
Дорогой ГИТАРИСТ ненайдется ли у тебя схемки на мой Zetec с АКПП. Хочется знать как движок привязан к коробке. Буду очень благодарен.

_________________
Ford Escort Zetec 1.6 16v АТ 1997 был Ford Escort 1.6d , Peugeot 405, Fiat Tempra, ВАЗ21093, ОКА


Вернуться к началу
 Профиль  
 
 Заголовок сообщения:
СообщениеДобавлено: Ср фев 28, 2007 0:03 
Не в сети
Модератор раздела
Модератор раздела
Аватара пользователя

Зарегистрирован: Вс авг 20, 2006 17:59
Сообщения: 14895
Откуда: Питер,м.Нарвская,м.В.О.
МОРОЗ писал(а):
Guitarist писал(а):
Пардон схема не та!
Вот для Зетека,модуль
Дорогой ГИТАРИСТ ненайдется ли у тебя схемки на мой Zetec с АКПП. Хочется знать как движок привязан к коробке. Буду очень благодарен.

:oops: смутил меня"дорогим" :wink: .Щас пошукаю,брат...

_________________
BMW e36/M44 319is/93-98/синий седан/
были: БТР,Урал375,Ваз21061,Orion1,4CVH(carb21083)Green Metal 1986(продан...скучаю...)
Моя музыка Изображение


Вернуться к началу
 Профиль  
 
 Заголовок сообщения:
СообщениеДобавлено: Ср фев 28, 2007 0:09 
Не в сети
Модератор раздела
Модератор раздела
Аватара пользователя

Зарегистрирован: Вс авг 20, 2006 17:59
Сообщения: 14895
Откуда: Питер,м.Нарвская,м.В.О.
Вот,но пишут ,что до 95 года.Может она не менялась?Но CVH...


Вложения:
CVH-автомат.JPG
CVH-автомат.JPG [ 28.56 КБ | Просмотров: 8297 ]
Resize of АКПП.JPG
Resize of АКПП.JPG [ 83.8 КБ | Просмотров: 8310 ]

_________________
BMW e36/M44 319is/93-98/синий седан/
были: БТР,Урал375,Ваз21061,Orion1,4CVH(carb21083)Green Metal 1986(продан...скучаю...)
Моя музыка Изображение


Последний раз редактировалось Guitarist Ср фев 28, 2007 2:42, всего редактировалось 1 раз.
Вернуться к началу
 Профиль  
 
 Заголовок сообщения:
СообщениеДобавлено: Ср фев 28, 2007 0:16 
Не в сети
Модератор раздела
Модератор раздела
Аватара пользователя

Зарегистрирован: Вс авг 20, 2006 17:59
Сообщения: 14895
Откуда: Питер,м.Нарвская,м.В.О.
А это уже зетек на 16 клапанов.Всё,что есть.Но у тебя теперь есть возможность сравнить.Звыняй если что не так.


Вложения:
зетек.JPG
зетек.JPG [ 34.57 КБ | Просмотров: 8298 ]
Resize of зетек 16 кл.JPG
Resize of зетек 16 кл.JPG [ 105.44 КБ | Просмотров: 8307 ]

_________________
BMW e36/M44 319is/93-98/синий седан/
были: БТР,Урал375,Ваз21061,Orion1,4CVH(carb21083)Green Metal 1986(продан...скучаю...)
Моя музыка Изображение


Последний раз редактировалось Guitarist Ср фев 28, 2007 2:40, всего редактировалось 1 раз.
Вернуться к началу
 Профиль  
 
 Заголовок сообщения:
СообщениеДобавлено: Ср фев 28, 2007 1:24 
Не в сети
чайник форума (знак 70)
чайник форума (знак 70)

Зарегистрирован: Чт фев 08, 2007 20:52
Сообщения: 153
Откуда: Мурманская обл. ПЗ
Здорово!!! Может найдется и раскладка цифровых обозначений? СПАСИБО!!! РЕСПЕКТ и УВАЖУХА ТЕБЕ!!!

_________________
Ford Escort Zetec 1.6 16v АТ 1997 был Ford Escort 1.6d , Peugeot 405, Fiat Tempra, ВАЗ21093, ОКА


Вернуться к началу
 Профиль  
 
 Заголовок сообщения:
СообщениеДобавлено: Ср фев 28, 2007 1:25 
Не в сети
Ученик форума.
Аватара пользователя

Зарегистрирован: Пт мар 18, 2005 0:21
Сообщения: 8462
Откуда: Москва, СВАО
:roll: в ФАКус просица..... :roll: :roll:

_________________

Есть: Nissan Almera, 2005, 1.5 QG15, МКПП, серый. СиБи связь в авто, 15й канал.
Есть: Daewoo Matiz II (M150) 2002 0.8 MКПП , зеленый.
Было: Ford Escort CL, 1991, 1.4 mono, CVH, F6F, МКПП 5-В, белый, хэтч, 5 дв.
Было: ВАЗ 2101, 1980, дв 1200, красный

На форуме не хулиганить... Я всё вижу. Ваши данные:

Изображение


Вернуться к началу
 Профиль  
 
 Заголовок сообщения:
СообщениеДобавлено: Ср фев 28, 2007 2:18 
Не в сети
Модератор раздела
Модератор раздела
Аватара пользователя

Зарегистрирован: Вс авг 20, 2006 17:59
Сообщения: 14895
Откуда: Питер,м.Нарвская,м.В.О.
keeper писал(а):
:roll: в ФАКус просица..... :roll: :roll:


Виталь,меня щас жена придушит :lol:(давно за компом сижу). Уже думал про ФАК.
Попробую все схемы на выходных закинуть.

_________________
BMW e36/M44 319is/93-98/синий седан/
были: БТР,Урал375,Ваз21061,Orion1,4CVH(carb21083)Green Metal 1986(продан...скучаю...)
Моя музыка Изображение


Вернуться к началу
 Профиль  
 
Показать сообщения за:  Поле сортировки  
Форум закрыт Эта тема закрыта, вы не можете редактировать и оставлять сообщения в ней.  [ Сообщений: 24 ]  На страницу 1, 2  След.

Часовой пояс: UTC + 4 часа [ Летнее время ]


Кто сейчас на конференции

Сейчас этот форум просматривают: нет зарегистрированных пользователей и гости: 2


Вы не можете начинать темы
Вы не можете отвечать на сообщения
Вы не можете редактировать свои сообщения
Вы не можете удалять свои сообщения
Вы не можете добавлять вложения

Найти:
Перейти:  
POWERED_BY
Русская поддержка phpBB
[ Time : 0.039s | 16 Queries | GZIP : Off ]