Автомобильные Форумы POKATILI.RU

Форумы Добровольного Общества Взаимного Обеспечения на Дорогах
Текущее время: Ср мар 04, 2026 13:24

Часовой пояс: UTC + 4 часа [ Летнее время ]




Начать новую тему Ответить на тему  [ Сообщений: 31 ]  На страницу 1, 2, 3  След.
Автор Сообщение
 Заголовок сообщения: Электропривод зеркал
СообщениеДобавлено: Чт май 16, 2013 23:33 
Не в сети
профессионал форума
профессионал форума
Аватара пользователя

Зарегистрирован: Пт окт 01, 2010 23:34
Сообщения: 1805
Откуда: Москва
Не работает электропривод зеркал, все предохранители целые, штекеры разбирал чистил, кнопку разбирал и чистил. Подавал питание на кнопку - тишина. В чем может быть дело?

_________________
RS2000 92 г, Немец
http://www.drive2.ru/cars/ford/escort/e ... iger199/2/

RS2000 92 г, Немец


Вернуться к началу
 Профиль  
 
 Заголовок сообщения: Re: Электропривод зеркал
СообщениеДобавлено: Пт май 17, 2013 2:25 
Не в сети
Модератор форума
Модератор форума
Аватара пользователя

Зарегистрирован: Ср сен 01, 2010 13:53
Сообщения: 1979
Откуда: Россия, Питер, центральный р-н
Машина: другой Ford
а на моторы приходит?

_________________
С уважением, Антон.
-------------------------------------
Ford Focus 2006 универсал TDCI 1,8
был Ford Escort 1997 универсал Zetec 1.6 16v


Вернуться к началу
 Профиль  
 
 Заголовок сообщения: Re: Электропривод зеркал
СообщениеДобавлено: Пт май 17, 2013 9:38 
Не в сети
чайник форума (знак 70)
чайник форума (знак 70)

Зарегистрирован: Вс дек 18, 2011 20:34
Сообщения: 180
Откуда: Киев
Машина: Ford Escort
Не работает один привод или оба?

_________________
Ford Escort CVH 1,4 CFi, хетчбэк 3-х дверный, 1991 год
http://www.drive2.ru/cars/ford/escort/e ... 5/burakov/


Вернуться к началу
 Профиль  
 
 Заголовок сообщения: Re: Электропривод зеркал
СообщениеДобавлено: Пт май 17, 2013 10:02 
Не в сети
профессионал форума
профессионал форума
Аватара пользователя

Зарегистрирован: Пт окт 01, 2010 23:34
Сообщения: 1805
Откуда: Москва
Не работают оба, моторы не смотрел т.к. туда не добраться, был печальный опыт, когда пробовал разбирать - в итоге сломал зеркало...

_________________
RS2000 92 г, Немец
http://www.drive2.ru/cars/ford/escort/e ... iger199/2/

RS2000 92 г, Немец


Вернуться к началу
 Профиль  
 
 Заголовок сообщения: Re: Электропривод зеркал
СообщениеДобавлено: Пт май 17, 2013 10:37 
Не в сети
чайник форума (знак 70)
чайник форума (знак 70)

Зарегистрирован: Вс дек 18, 2011 20:34
Сообщения: 180
Откуда: Киев
Машина: Ford Escort
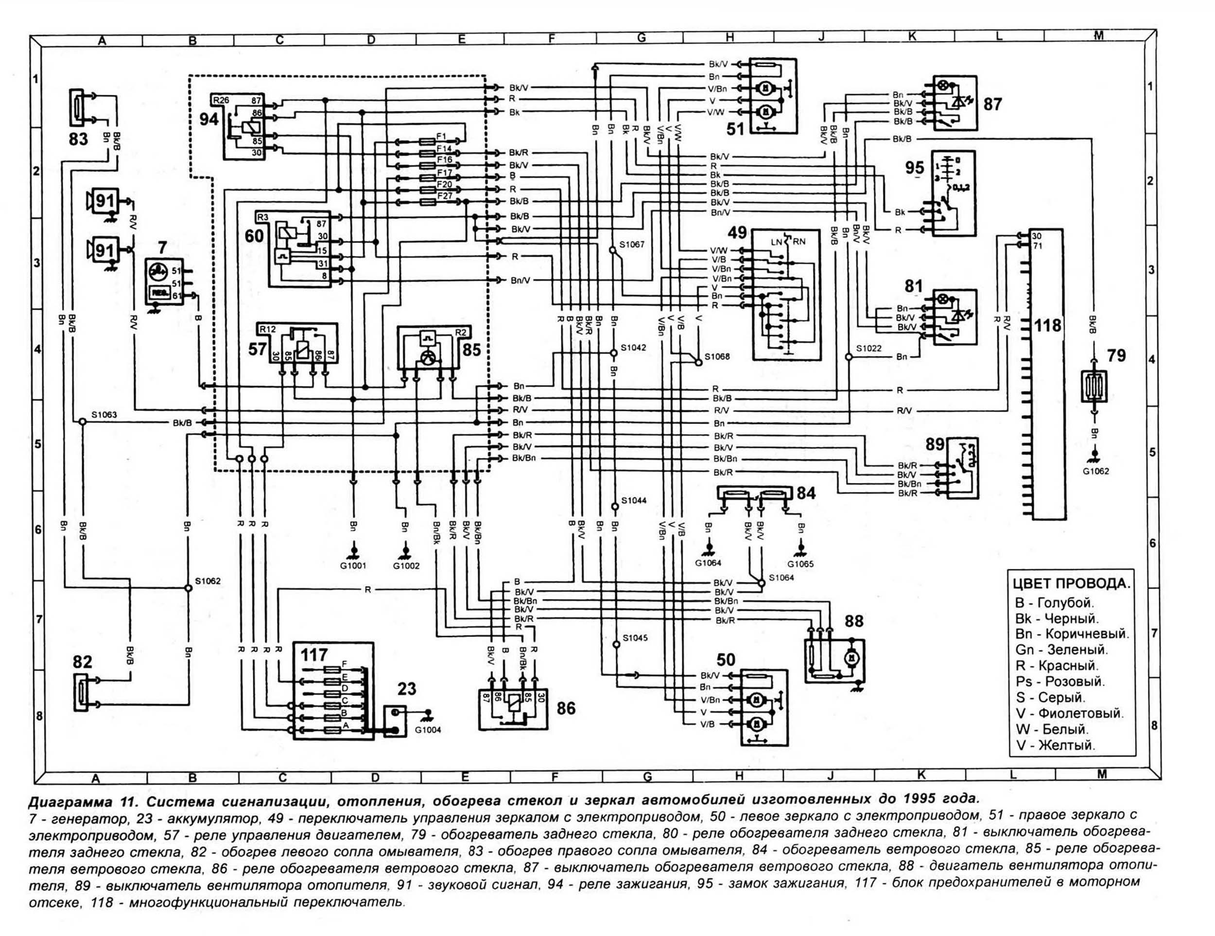
То, что сгорели все четыре мотора одновременно вероятность крайне мала. Я бы начал с проверки части схемы, которая является общей для обеих зеркал. В данном случае это точка, обозначенная на схеме S1068, маркировка провода V. По любому без мультиметра на обойтись. Как я понял, вы им не пользовались. А как вы подавали питание на кнопку?


Вложения:
зеркала.jpg
зеркала.jpg [ 452.07 КБ | Просмотров: 5781 ]

_________________
Ford Escort CVH 1,4 CFi, хетчбэк 3-х дверный, 1991 год
http://www.drive2.ru/cars/ford/escort/e ... 5/burakov/
Вернуться к началу
 Профиль  
 
 Заголовок сообщения: Re: Электропривод зеркал
СообщениеДобавлено: Пт май 17, 2013 12:54 
Не в сети
профессионал форума
профессионал форума
Аватара пользователя

Зарегистрирован: Пт окт 01, 2010 23:34
Сообщения: 1805
Откуда: Москва
очень просто, кинул на красный плюс, на коричневый минус - ничего. на двух штекерах нет напряжения.

_________________
RS2000 92 г, Немец
http://www.drive2.ru/cars/ford/escort/e ... iger199/2/

RS2000 92 г, Немец


Вернуться к началу
 Профиль  
 
 Заголовок сообщения: Re: Электропривод зеркал
СообщениеДобавлено: Пт май 17, 2013 13:47 
Не в сети
чайник форума (знак 70)
чайник форума (знак 70)

Зарегистрирован: Вс дек 18, 2011 20:34
Сообщения: 180
Откуда: Киев
Машина: Ford Escort
Надо проверять напряжение на выходе переключателя управления зеркал.

_________________
Ford Escort CVH 1,4 CFi, хетчбэк 3-х дверный, 1991 год
http://www.drive2.ru/cars/ford/escort/e ... 5/burakov/


Вернуться к началу
 Профиль  
 
 Заголовок сообщения: Re: Электропривод зеркал
СообщениеДобавлено: Пт май 17, 2013 13:51 
Не в сети
профессионал форума
профессионал форума
Аватара пользователя

Зарегистрирован: Пт окт 01, 2010 23:34
Сообщения: 1805
Откуда: Москва
там нет напряжения

_________________
RS2000 92 г, Немец
http://www.drive2.ru/cars/ford/escort/e ... iger199/2/

RS2000 92 г, Немец


Вернуться к началу
 Профиль  
 
 Заголовок сообщения: Re: Электропривод зеркал
СообщениеДобавлено: Пт май 17, 2013 13:56 
Не в сети
чайник форума (знак 70)
чайник форума (знак 70)

Зарегистрирован: Вс дек 18, 2011 20:34
Сообщения: 180
Откуда: Киев
Машина: Ford Escort
А на входе есть? И что отсутствует на выходе - плюс или минус?

_________________
Ford Escort CVH 1,4 CFi, хетчбэк 3-х дверный, 1991 год
http://www.drive2.ru/cars/ford/escort/e ... 5/burakov/


Вернуться к началу
 Профиль  
 
 Заголовок сообщения: Re: Электропривод зеркал
СообщениеДобавлено: Пт май 17, 2013 14:04 
Не в сети
профессионал форума
профессионал форума
Аватара пользователя

Зарегистрирован: Пт окт 01, 2010 23:34
Сообщения: 1805
Откуда: Москва
там нигде нет напряжения

_________________
RS2000 92 г, Немец
http://www.drive2.ru/cars/ford/escort/e ... iger199/2/

RS2000 92 г, Немец


Вернуться к началу
 Профиль  
 
 Заголовок сообщения: Re: Электропривод зеркал
СообщениеДобавлено: Пт май 17, 2013 14:28 
Не в сети
чайник форума (знак 70)
чайник форума (знак 70)

Зарегистрирован: Вс дек 18, 2011 20:34
Сообщения: 180
Откуда: Киев
Машина: Ford Escort
По схеме и плюс и мунус на зеркала приходят из блока предохранителей. Плюс через предохранитель F1. Причина скорее всего в них.

_________________
Ford Escort CVH 1,4 CFi, хетчбэк 3-х дверный, 1991 год
http://www.drive2.ru/cars/ford/escort/e ... 5/burakov/


Вернуться к началу
 Профиль  
 
 Заголовок сообщения: Re: Электропривод зеркал
СообщениеДобавлено: Пт май 17, 2013 15:12 
Не в сети
профессионал форума
профессионал форума
Аватара пользователя

Зарегистрирован: Пт окт 01, 2010 23:34
Сообщения: 1805
Откуда: Москва
там целый предохранитель

_________________
RS2000 92 г, Немец
http://www.drive2.ru/cars/ford/escort/e ... iger199/2/

RS2000 92 г, Немец


Вернуться к началу
 Профиль  
 
 Заголовок сообщения: Re: Электропривод зеркал
СообщениеДобавлено: Пт май 17, 2013 15:14 
Не в сети
Модератор форума
Модератор форума
Аватара пользователя

Зарегистрирован: Ср сен 01, 2010 13:53
Сообщения: 1979
Откуда: Россия, Питер, центральный р-н
Машина: другой Ford
а на нем то напряжение есть?

_________________
С уважением, Антон.
-------------------------------------
Ford Focus 2006 универсал TDCI 1,8
был Ford Escort 1997 универсал Zetec 1.6 16v


Вернуться к началу
 Профиль  
 
 Заголовок сообщения: Re: Электропривод зеркал
СообщениеДобавлено: Пт май 17, 2013 15:24 
Не в сети
профессионал форума
профессионал форума
Аватара пользователя

Зарегистрирован: Пт окт 01, 2010 23:34
Сообщения: 1805
Откуда: Москва
при включенном зажигании?

_________________
RS2000 92 г, Немец
http://www.drive2.ru/cars/ford/escort/e ... iger199/2/

RS2000 92 г, Немец


Вернуться к началу
 Профиль  
 
 Заголовок сообщения: Re: Электропривод зеркал
СообщениеДобавлено: Пт май 17, 2013 15:31 
Не в сети
Модератор форума
Модератор форума
Аватара пользователя

Зарегистрирован: Ср сен 01, 2010 13:53
Сообщения: 1979
Откуда: Россия, Питер, центральный р-н
Машина: другой Ford
я не знаю зеркала активны всегда или при зажигании. Скорее всего только при зажигании

_________________
С уважением, Антон.
-------------------------------------
Ford Focus 2006 универсал TDCI 1,8
был Ford Escort 1997 универсал Zetec 1.6 16v


Вернуться к началу
 Профиль  
 
Показать сообщения за:  Поле сортировки  
Начать новую тему Ответить на тему  [ Сообщений: 31 ]  На страницу 1, 2, 3  След.

Часовой пояс: UTC + 4 часа [ Летнее время ]


Кто сейчас на конференции

Сейчас этот форум просматривают: нет зарегистрированных пользователей и гости: 5


Вы не можете начинать темы
Вы не можете отвечать на сообщения
Вы не можете редактировать свои сообщения
Вы не можете удалять свои сообщения
Вы не можете добавлять вложения

Найти:
Перейти:  
POWERED_BY
Русская поддержка phpBB
[ Time : 0.026s | 16 Queries | GZIP : Off ]