Автомобильные Форумы POKATILI.RU

Форумы Добровольного Общества Взаимного Обеспечения на Дорогах
Текущее время: Чт апр 16, 2026 9:49

Часовой пояс: UTC + 4 часа [ Летнее время ]




Начать новую тему Ответить на тему  [ Сообщений: 18 ]  На страницу 1, 2  След.
Автор Сообщение
 Заголовок сообщения: Распиновка
СообщениеДобавлено: Чт янв 03, 2013 1:07 
Не в сети
профессионал форума
профессионал форума
Аватара пользователя

Зарегистрирован: Пт окт 01, 2010 23:34
Сообщения: 1805
Откуда: Москва
http://euro-escort.narod.ru/ecu.htm правильно ли я понимаю, что на EEC-IV сигнал приходит от датчика скорости и форсунки приходят в 4 и 58, 59 (одинаковые) ? Думаю бк подключить.

_________________
RS2000 92 г, Немец
http://www.drive2.ru/cars/ford/escort/e ... iger199/2/

RS2000 92 г, Немец


Вернуться к началу
 Профиль  
 
 Заголовок сообщения: Re: Распиновка
СообщениеДобавлено: Чт янв 03, 2013 17:17 
Не в сети
чайник форума (знак 70)
чайник форума (знак 70)
Аватара пользователя

Зарегистрирован: Вс ноя 01, 2009 3:32
Сообщения: 111
Откуда: КУРСК
Машина: Ford Escort
чтобы снимать показания скорости и расхода топлива я так понял....? сомневаюсь я однако, что получится, нужно знать скольки импульсный датчик скорости, и сколько форсунка выдает топлива за одно открытие. Можешь мозги спалить как нефиг делать. Тем более что ты указал ссылку на мозги от моновпрыска 1,4 CFI (1 форсунка), а у тебя полноценный инжектор зетек 1,6 (4 форсунки). Ищи на форумах схему системы управления двигателем SEFI. Я себе с такой как у тебя модели движок ставил схема очень помогла. Есть еще схема управления двигателем Зетек 1,6, но там она с блоком зажигания ODIS и цвета проводов не совпадают совсем.

_________________
Ford Escort MK-V 1991 г.в. "CVH 1.4, CFI" заменен на DOCH (Zetec) 1.6 16V SEFI


Вернуться к началу
 Профиль  
 
 Заголовок сообщения: Re: Распиновка
СообщениеДобавлено: Чт янв 03, 2013 17:41 
Не в сети
чайник форума (знак 70)
чайник форума (знак 70)

Зарегистрирован: Вс дек 18, 2011 20:34
Сообщения: 180
Откуда: Киев
Машина: Ford Escort
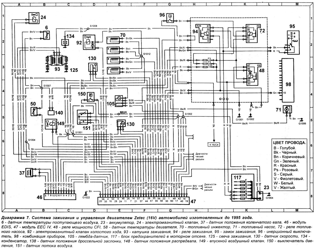
Вот схема Zeteс 1,6


Вложения:
Схема.png
Схема.png [ 492.14 КБ | Просмотров: 8136 ]

_________________
Ford Escort CVH 1,4 CFi, хетчбэк 3-х дверный, 1991 год
http://www.drive2.ru/cars/ford/escort/e ... 5/burakov/
Вернуться к началу
 Профиль  
 
 Заголовок сообщения: Re: Распиновка
СообщениеДобавлено: Чт янв 03, 2013 18:46 
Не в сети
чайник форума (знак 70)
чайник форума (знак 70)
Аватара пользователя

Зарегистрирован: Вс ноя 01, 2009 3:32
Сообщения: 111
Откуда: КУРСК
Машина: Ford Escort
на форуме и цветные схемы есть. Я снимал двигатель и мозги с такого же форда как у Tiger199. у меня в схеме не было позиции 46 - это и есть блок управления зажиганием EDIS. Такая шоколадка черная под капотом на левом крыле. У меня (и скорее всего у Tiger199) зажигание управляется мозгами (трехзначные коды). Поэтому я пользовался схемой от системы управления двигателем SEFI. цвета проводов и распиновка разъема полностью совпадает.

_________________
Ford Escort MK-V 1991 г.в. "CVH 1.4, CFI" заменен на DOCH (Zetec) 1.6 16V SEFI


Вернуться к началу
 Профиль  
 
 Заголовок сообщения: Re: Распиновка
СообщениеДобавлено: Чт янв 03, 2013 18:48 
Не в сети
чайник форума (знак 70)
чайник форума (знак 70)
Аватара пользователя

Зарегистрирован: Вс ноя 01, 2009 3:32
Сообщения: 111
Откуда: КУРСК
Машина: Ford Escort
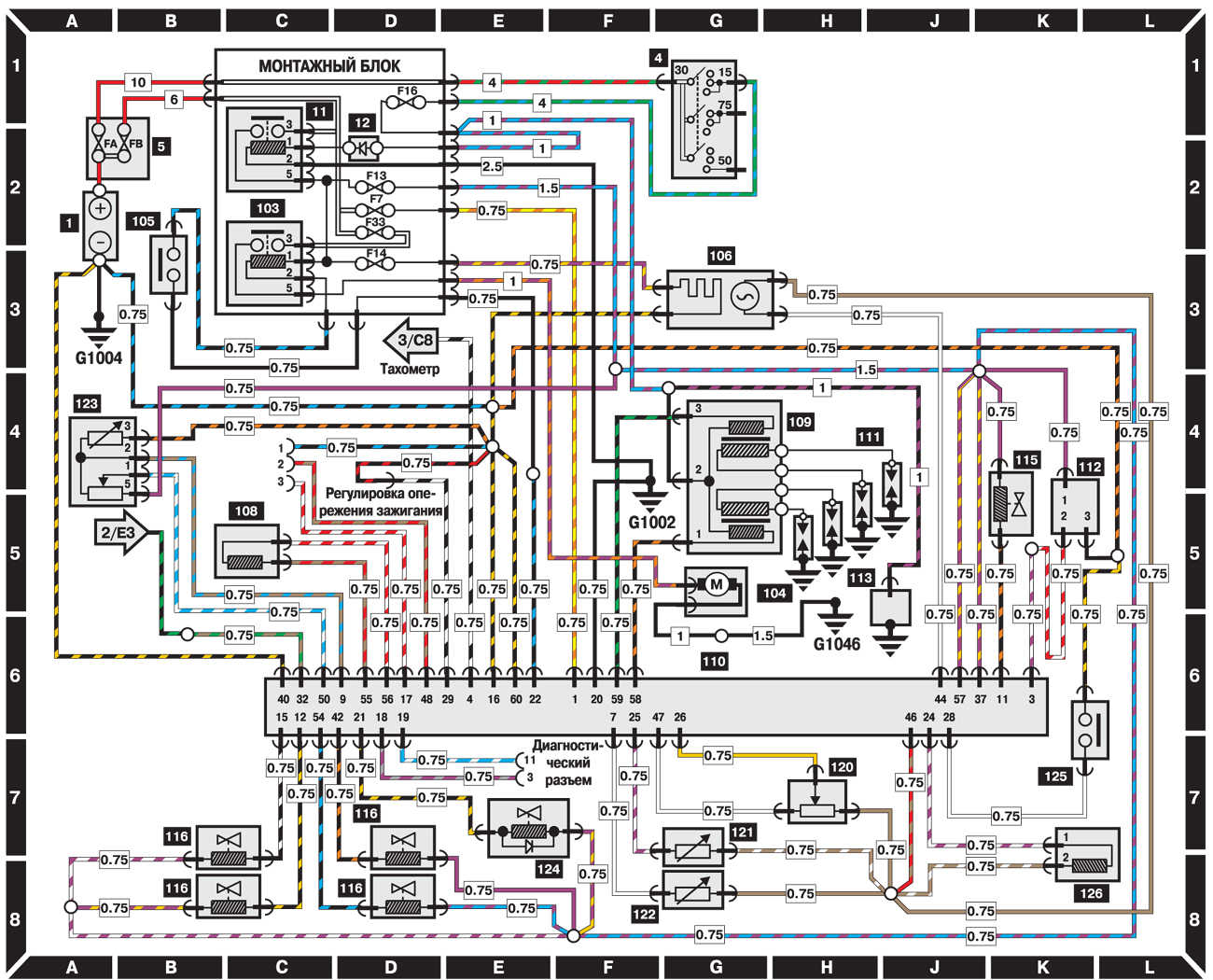
вот схема. Как видно позиции 46 тут нет. 110 - это мозги и датчик скорости и форсунки все подключено туда.


Вложения:
sh22.jpg
sh22.jpg [ 204.38 КБ | Просмотров: 8135 ]

_________________
Ford Escort MK-V 1991 г.в. "CVH 1.4, CFI" заменен на DOCH (Zetec) 1.6 16V SEFI
Вернуться к началу
 Профиль  
 
 Заголовок сообщения: Re: Распиновка
СообщениеДобавлено: Чт янв 03, 2013 18:55 
Не в сети
чайник форума (знак 70)
чайник форума (знак 70)

Зарегистрирован: Вс дек 18, 2011 20:34
Сообщения: 180
Откуда: Киев
Машина: Ford Escort
Твоя схема для автомобилей с системой впрыска SEFI, изготовленных с 1996 года. Для топикстартера она не подходит.

_________________
Ford Escort CVH 1,4 CFi, хетчбэк 3-х дверный, 1991 год
http://www.drive2.ru/cars/ford/escort/e ... 5/burakov/


Вернуться к началу
 Профиль  
 
 Заголовок сообщения: Re: Распиновка
СообщениеДобавлено: Чт янв 03, 2013 19:02 
Не в сети
Зеленый лихач форума
Зеленый лихач форума
Аватара пользователя

Зарегистрирован: Пт окт 28, 2011 21:39
Сообщения: 319
Откуда: Харьков
Машина: Ford Escort
Спорить и указывать не буду, НО в цветных схемах из ПЕЧАТНЫХ книг ОЧЕНЬ много неточностей (я бы даже сказал больше - ОШИБОК!!!). Как пример: на мое авто (в подписи) цветные и близко не подошли - в цветной предохранитель на бензонасос №6, а реально - №5 (в схеме от Хайнеса, аналог привел для Zetec svyatoslav). В электронном виде такие схемы есть на сайте http://www.filecrop.com/haynes-ford-DIE ... ORION.html , 4-я ссылка.

_________________
Escort 1992, CVH 1.4 CFI (71PS), blue(17.01.1992)
Москвич 2140, 1,5L,1981, первый круг - 86 264 км


Вернуться к началу
 Профиль  
 
 Заголовок сообщения: Re: Распиновка
СообщениеДобавлено: Чт янв 03, 2013 19:13 
Не в сети
чайник форума (знак 70)
чайник форума (знак 70)

Зарегистрирован: Вс дек 18, 2011 20:34
Сообщения: 180
Откуда: Киев
Машина: Ford Escort
Я пользуюсь схемами из руководства Эскорт/Орион, которое в формате PDF.
Вот та схема, которую ты привел. Цветные схемы я скачивал, читать их удобней, но не указано к автомобилю какого года выпуска.


Вложения:
Схема 2.jpg
Схема 2.jpg [ 456.79 КБ | Просмотров: 8133 ]

_________________
Ford Escort CVH 1,4 CFi, хетчбэк 3-х дверный, 1991 год
http://www.drive2.ru/cars/ford/escort/e ... 5/burakov/
Вернуться к началу
 Профиль  
 
 Заголовок сообщения: Re: Распиновка
СообщениеДобавлено: Чт янв 03, 2013 20:33 
Не в сети
Специалист по электрике
Аватара пользователя

Зарегистрирован: Вт окт 11, 2011 11:02
Сообщения: 1132
Откуда: г.Вязники Владимирской обл.
Машина: Ford Escort
Схема подключения форсунок зависит и от наличия иммобилайзера. В свое время я насобирал информацию, есть в этой теме viewtopic.php?f=130&t=43817

_________________
Escort Ghia 5d 1995 - Zetec 1.8 16v
был купе 1993 - 1.6 16v - разобрал на запчасти

Глаза боятся - руки делают...


Вернуться к началу
 Профиль  
 
 Заголовок сообщения: Re: Распиновка
СообщениеДобавлено: Чт янв 03, 2013 20:54 
Не в сети
профессионал форума
профессионал форума
Аватара пользователя

Зарегистрирован: Пт окт 01, 2010 23:34
Сообщения: 1805
Откуда: Москва
Как понять какая у меня распиновка?

_________________
RS2000 92 г, Немец
http://www.drive2.ru/cars/ford/escort/e ... iger199/2/

RS2000 92 г, Немец


Вернуться к началу
 Профиль  
 
 Заголовок сообщения: Re: Распиновка
СообщениеДобавлено: Чт янв 03, 2013 21:01 
Не в сети
чайник форума (знак 70)
чайник форума (знак 70)

Зарегистрирован: Вс дек 18, 2011 20:34
Сообщения: 180
Откуда: Киев
Машина: Ford Escort
Если есть возможность, то проще всего визуально, т.е. добраться к блоку управления и зафиксировать цвета проводов, посмотреть цвета на форсунках а потом сравнить со схемой.

_________________
Ford Escort CVH 1,4 CFi, хетчбэк 3-х дверный, 1991 год
http://www.drive2.ru/cars/ford/escort/e ... 5/burakov/


Вернуться к началу
 Профиль  
 
 Заголовок сообщения: Re: Распиновка
СообщениеДобавлено: Пт янв 04, 2013 0:38 
Не в сети
чайник форума (знак 70)
чайник форума (знак 70)
Аватара пользователя

Зарегистрирован: Вс ноя 01, 2009 3:32
Сообщения: 111
Откуда: КУРСК
Машина: Ford Escort
Tiger199 писал(а):
Как понять какая у меня распиновка?

достаешь мозги из ниши ног пассажира и смотришь на разъем. По цветам проводов и куда (на какой пин приходят) определишь какая схема твоя.

_________________
Ford Escort MK-V 1991 г.в. "CVH 1.4, CFI" заменен на DOCH (Zetec) 1.6 16V SEFI


Вернуться к началу
 Профиль  
 
 Заголовок сообщения: Re: Распиновка
СообщениеДобавлено: Пт янв 04, 2013 0:44 
Не в сети
чайник форума (знак 70)
чайник форума (знак 70)
Аватара пользователя

Зарегистрирован: Вс ноя 01, 2009 3:32
Сообщения: 111
Откуда: КУРСК
Машина: Ford Escort
Sergio58 писал(а):
Схема подключения форсунок зависит и от наличия иммобилайзера. В свое время я насобирал информацию, есть в этой теме viewtopic.php?f=130&t=43817

не было у меня имобилайзера, даже представления не имею как он выглядит

_________________
Ford Escort MK-V 1991 г.в. "CVH 1.4, CFI" заменен на DOCH (Zetec) 1.6 16V SEFI


Вернуться к началу
 Профиль  
 
 Заголовок сообщения: Re: Распиновка
СообщениеДобавлено: Пт янв 04, 2013 0:56 
Не в сети
чайник форума (знак 70)
чайник форума (знак 70)
Аватара пользователя

Зарегистрирован: Вс ноя 01, 2009 3:32
Сообщения: 111
Откуда: КУРСК
Машина: Ford Escort
svyatoslav писал(а):
Твоя схема для автомобилей с системой впрыска SEFI, изготовленных с 1996 года. Для топикстартера она не подходит.

Понятия не имею, что такое топикстартер, но я разбирал два одинаковых эскорта, одного, 1993 года, с одного снимал двигатель и мозги, со второго проводку (косу) на мозги. И подошла только это схема, несмотря на то что она 1996 года. Ну не было в обоих машинах EDIS отродясь. Езжу уже второй год, без нареканий. Единственное, что обе машины были с гуром, а моя нет, поэтому нахрен отрезал этот разъем. И систему пульсации воздуха тоже в топку.

_________________
Ford Escort MK-V 1991 г.в. "CVH 1.4, CFI" заменен на DOCH (Zetec) 1.6 16V SEFI


Вернуться к началу
 Профиль  
 
 Заголовок сообщения: Re: Распиновка
СообщениеДобавлено: Пт янв 04, 2013 1:10 
Не в сети
чайник форума (знак 70)
чайник форума (знак 70)
Аватара пользователя

Зарегистрирован: Вс ноя 01, 2009 3:32
Сообщения: 111
Откуда: КУРСК
Машина: Ford Escort
Да если кто не знает, что дырки в выпускном коллекторе 16V от системы пульсации воздуха, просто очумительно заделываются пробками фиксаторов коробки передач ваз 2108(09, 099, 13, 14, 15) через медную шайбу подходящего диаметра. резьба один в один и смотрится по заводскому.

_________________
Ford Escort MK-V 1991 г.в. "CVH 1.4, CFI" заменен на DOCH (Zetec) 1.6 16V SEFI


Вернуться к началу
 Профиль  
 
Показать сообщения за:  Поле сортировки  
Начать новую тему Ответить на тему  [ Сообщений: 18 ]  На страницу 1, 2  След.

Часовой пояс: UTC + 4 часа [ Летнее время ]


Кто сейчас на конференции

Сейчас этот форум просматривают: нет зарегистрированных пользователей и гости: 1


Вы не можете начинать темы
Вы не можете отвечать на сообщения
Вы не можете редактировать свои сообщения
Вы не можете удалять свои сообщения
Вы не можете добавлять вложения

Найти:
Перейти:  
cron
POWERED_BY
Русская поддержка phpBB
[ Time : 0.032s | 16 Queries | GZIP : Off ]