Автомобильные Форумы POKATILI.RU

Форумы Добровольного Общества Взаимного Обеспечения на Дорогах
Текущее время: Чт апр 23, 2026 22:38

Часовой пояс: UTC + 4 часа [ Летнее время ]




Начать новую тему Ответить на тему  [ Сообщений: 6 ] 
Автор Сообщение
СообщениеДобавлено: Пн дек 12, 2011 19:56 
Не в сети
ученик форума
ученик форума

Зарегистрирован: Пн май 02, 2011 1:06
Сообщения: 28
Откуда: Мос обл Пушкино
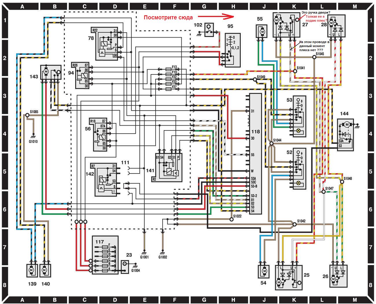
ответьте на вопросы в схеме, вопросы на схеме Спасибо!


Вложения:
sh13 испр.jpg
sh13 испр.jpg [ 232.81 КБ | Просмотров: 3682 ]

_________________
Ford Escort VII 1996, двигатель CVH 1.6
МКПП B5
WEBER TLDM 28/32
Вернуться к началу
 Профиль  
 
 Заголовок сообщения:
СообщениеДобавлено: Ср дек 14, 2011 18:34 
Не в сети
Модератор раздела FAQ
Модератор раздела FAQ
Аватара пользователя

Зарегистрирован: Вт фев 28, 2006 16:15
Сообщения: 6483
Откуда: Москва.
Машина: другой Ford
Эта схема монтажного блока, что ль?

_________________
С уважением, Михаил.
Променял Эскорт 16V на Форд-Фокус II и III.


Вернуться к началу
 Профиль  
 
 Заголовок сообщения:
СообщениеДобавлено: Ср дек 14, 2011 18:53 
Не в сети
ученик форума
ученик форума

Зарегистрирован: Пн май 02, 2011 1:06
Сообщения: 28
Откуда: Мос обл Пушкино
нет это схема Центрального замка

_________________
Ford Escort VII 1996, двигатель CVH 1.6
МКПП B5
WEBER TLDM 28/32


Вернуться к началу
 Профиль  
 
 Заголовок сообщения:
СообщениеДобавлено: Ср дек 14, 2011 23:22 
Не в сети
Специалист по электрике
Аватара пользователя

Зарегистрирован: Вт сен 20, 2005 4:06
Сообщения: 6562
Откуда: сКольский п-ов
Это переключатель, управляемый ключом.
Да, подаётся плюс.
На коричневом/белом в данный момент плюса нет.

_________________
Мир всем...
Escort''95 mk6, CLX, hatchback five-door , CFI, J6A, HCS 1.3
...имеющие уши да услышат...
...у быстро бегущей маленькой мышки лапок не видно - отрицать невидимое есть очевидная ересь...


Вернуться к началу
 Профиль  
 
 Заголовок сообщения:
СообщениеДобавлено: Ср дек 14, 2011 23:42 
Не в сети
ученик форума
ученик форума

Зарегистрирован: Пн май 02, 2011 1:06
Сообщения: 28
Откуда: Мос обл Пушкино
У меня два провода приходят меняется плюс то на одном проводе то на втором, если двери открывать закрывать. Если я подам +12 на провод на котором нет плюса (зато там появился минус я так понял от моторчика) ручка закроется , потом также кратковременно подам плюс на другой провод ручка откроется
Тогда переключатель связан механический с переключающим плюсом на проводах коричневобелом и коричневожелтым просто ручка за счет чего сама двигается по схеме не понятно.

_________________
Ford Escort VII 1996, двигатель CVH 1.6
МКПП B5
WEBER TLDM 28/32


Вернуться к началу
 Профиль  
 
 Заголовок сообщения:
СообщениеДобавлено: Чт дек 15, 2011 3:13 
Не в сети
Специалист по электрике
Аватара пользователя

Зарегистрирован: Вт сен 20, 2005 4:06
Сообщения: 6562
Откуда: сКольский п-ов
mulat писал(а):
У меня два провода приходят меняется плюс то на одном проводе то на втором, если двери открывать закрывать

Так у всех мк6 эскортов - позитивное управление.
mulat писал(а):
Если я подам +12 на провод на котором нет плюса (зато там появился минус я так понял от моторчика) ручка закроется , потом также кратковременно подам плюс на другой провод ручка откроется

Именно так.
mulat писал(а):
просто ручка за счет чего сама двигается по схеме не понятно

Вот Вам сам привод. Ну и воопче сабж перечитать лишним не будет.

_________________
Мир всем...
Escort''95 mk6, CLX, hatchback five-door , CFI, J6A, HCS 1.3
...имеющие уши да услышат...
...у быстро бегущей маленькой мышки лапок не видно - отрицать невидимое есть очевидная ересь...


Вернуться к началу
 Профиль  
 
Показать сообщения за:  Поле сортировки  
Начать новую тему Ответить на тему  [ Сообщений: 6 ] 

Часовой пояс: UTC + 4 часа [ Летнее время ]


Кто сейчас на конференции

Сейчас этот форум просматривают: нет зарегистрированных пользователей и гости: 2


Вы не можете начинать темы
Вы не можете отвечать на сообщения
Вы не можете редактировать свои сообщения
Вы не можете удалять свои сообщения
Вы не можете добавлять вложения

Найти:
Перейти:  
POWERED_BY
Русская поддержка phpBB
[ Time : 0.056s | 17 Queries | GZIP : Off ]