Автомобильные Форумы POKATILI.RU

Форумы Добровольного Общества Взаимного Обеспечения на Дорогах
Текущее время: Сб май 02, 2026 13:46

Часовой пояс: UTC + 4 часа [ Летнее время ]




Начать новую тему Ответить на тему  [ Сообщений: 9 ] 
Автор Сообщение
 Заголовок сообщения: Переобогащение смеси
СообщениеДобавлено: Пт авг 21, 2009 13:28 
Не в сети
ученик форума
ученик форума

Зарегистрирован: Вс окт 15, 2006 17:44
Сообщения: 40
Откуда: Нелидово
Извиняюсь за новую тему. но все же конкретные данные, конкретная проблема. значит так
у меня стоит в панели лампочка диагностики, которая мигает при разорванном контакте диагностики в такт открывания форсунки. в последнее время лампочка стала слишком часто мигать даже на холостых, машину дергает, и др. глюки, свечи черные - заливает двигло.
Дямбду поменял, поставил десятошную, все стало нормально, двигатель успокоился, стал тянуть, не рычит не дымит. но в третьем тесте выдает ошибку 38 - бедная смесь. До этого тоже стояла десятошная лямбда и тоже ошибка 38 была, но я ездил. Старую лямбду проверил осцилом, на богатой смеси выдает амплитуду 0,5 В - плохая. Новая лямбда выдает амплитуду максимум 0,8 В. и все десятошные которые я пробывал более 0,8 В не выдают. осцилограмма на новых лямбдах нормальная с незатянутыми фронтами.
с новой лямбдой я отъездил день, потом опять начался глюк с заливанием двигла. форсунка на холостых открывалась слишком часто, судя по миганиям, двигло глохло и дергалось. залез в лямбду с вольтметром. все показания в норме, показывает и богатую и бедную смесь. пока торкался вольтметром, машина нормально стала работать.. щас ездит не заливает.
Предположения: десятошная лямбда по умолчанию на богатой смеси выдает не более 0,8 В, поэтому комп думает, когда на максимум открываешь заслонку,что качества смеси не хватает, ему-то 0,9 нужно.
Пробывал увеличивать давление в топливопроводе, думал на форсунку не хватает, непомогло.
Замерил напряжение между массой и "земляным сигнальным" проводом
на холостых 5,91 В. все что больше холостых 6 В.
"земляной сигнальный" провод звониться на массу при выключенном зажигании с сопротивлением 51 Ом.

Просьба владельцам эскортов с EEC4 на моновпрыске 1,4 л с безошибочным двиглом, замерить напряжение на "сигнальной земле". есть оно там и сколько?
Я так понял мозги разные. на некоторых земля сигнальная сидит прямо на корпусе, а у некоторых подается опорное напряжение на лямбду.
если мерить лямбду между сигнальным проводом и сигнальной землей, все как положено до 0,8 вольта не более.

_________________
Ford Escort 1,4 CVH 91 г.в 5 дв.


Вернуться к началу
 Профиль  
 
 Заголовок сообщения:
СообщениеДобавлено: Пт авг 21, 2009 20:01 
Не в сети
ученик форума
ученик форума

Зарегистрирован: Вс окт 15, 2006 17:44
Сообщения: 40
Откуда: Нелидово
Во нашел. кому интересно все про EEC4 вся документация
http://www.austincc.edu/cloud/tc_eec.htm
буду изучать
особенно советую http://www.austincc.edu/cloud/efi/eectch98.pdf

кстати для эскорта интел лепил процы. доработанный Intel 8086

_________________
Ford Escort 1,4 CVH 91 г.в 5 дв.


Вернуться к началу
 Профиль  
 
 Заголовок сообщения:
СообщениеДобавлено: Пт авг 21, 2009 21:58 
Не в сети
Модератор раздела
Модератор раздела
Аватара пользователя

Зарегистрирован: Пт дек 05, 2008 0:10
Сообщения: 8793
Откуда: г Обнинск Калужская обл
Вот большая темка по лямбде http://pokatili.ru/forum/ftopic5324.php,попробуй перемычку между 49 и 60 пинами поставить,ну и почитай темку.

_________________
.Был:FORD eskort 1991г 1,4дв,СVН, EFI,хетч
сейчас Хонда CR-V 2000г.американка
Несправедливо не ответить на несправедливость!
Жестоко не ответить на жестокость!


Вернуться к началу
 Профиль  
 
 Заголовок сообщения:
СообщениеДобавлено: Сб авг 22, 2009 10:55 
Не в сети
ученик форума
ученик форума

Зарегистрирован: Вс окт 15, 2006 17:44
Сообщения: 40
Откуда: Нелидово
у меня стояла перемычка на 46 ногу. я ее выкинул нафиг.
а на 60 ставить нельзя это же земля!
смотрим схему. на 46 ноге через стабилитрон +5 в
http://www.austincc.edu/cloud/images/unk.zip

_________________
Ford Escort 1,4 CVH 91 г.в 5 дв.


Вернуться к началу
 Профиль  
 
 Заголовок сообщения:
СообщениеДобавлено: Сб авг 22, 2009 10:57 
Не в сети
ученик форума
ученик форума

Зарегистрирован: Вс окт 15, 2006 17:44
Сообщения: 40
Откуда: Нелидово
то есть на 49 ноге +5 по схеме

_________________
Ford Escort 1,4 CVH 91 г.в 5 дв.


Вернуться к началу
 Профиль  
 
 Заголовок сообщения:
СообщениеДобавлено: Вс авг 23, 2009 11:08 
Не в сети
ученик форума
ученик форума

Зарегистрирован: Вс окт 15, 2006 17:44
Сообщения: 40
Откуда: Нелидово
кому не лень сунтесь омметром "земля сигнал" - масса. меняя полярность щупов

_________________
Ford Escort 1,4 CVH 91 г.в 5 дв.


Вернуться к началу
 Профиль  
 
 Заголовок сообщения:
СообщениеДобавлено: Пн авг 24, 2009 21:10 
Не в сети
Модератор раздела
Модератор раздела
Аватара пользователя

Зарегистрирован: Пт дек 05, 2008 0:10
Сообщения: 8793
Откуда: г Обнинск Калужская обл
Вообщето 49 нога сидит на земле подогревателя http://pokatili.ru/forum/download.php?id=4863 вот схема твоя что то не открылась,

_________________
.Был:FORD eskort 1991г 1,4дв,СVН, EFI,хетч
сейчас Хонда CR-V 2000г.американка
Несправедливо не ответить на несправедливость!
Жестоко не ответить на жестокость!


Вернуться к началу
 Профиль  
 
 Заголовок сообщения:
СообщениеДобавлено: Ср авг 26, 2009 16:34 
Не в сети
ученик форума
ученик форума

Зарегистрирован: Вс окт 15, 2006 17:44
Сообщения: 40
Откуда: Нелидово
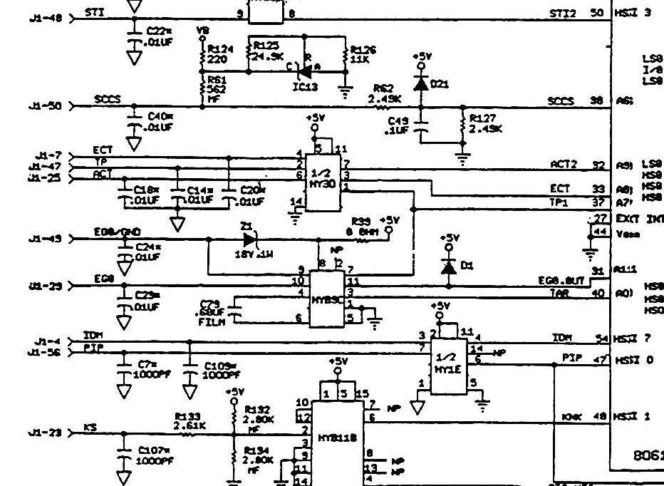
tsarik, и как по твоему на схеме отображается подогреватель???? подогреватель рисуется как РЕЗИСТОР. а у меня пороизошло вот что. оказывается предыдущий хозяин уже менял лямбду и перепутал землю и "землю сигнал" в результате чего в мозги пошло 12 вольт через 2,5 Ом подогреватель. сгорел микшер сигнала MY9bc


Вложения:
Комментарий к файлу: часть схемы EEC4
EEC4.jpg
EEC4.jpg [ 109.65 КБ | Просмотров: 3367 ]

_________________
Ford Escort 1,4 CVH 91 г.в 5 дв.
Вернуться к началу
 Профиль  
 
 Заголовок сообщения:
СообщениеДобавлено: Ср авг 26, 2009 16:54 
Не в сети
ученик форума
ученик форума

Зарегистрирован: Вс окт 15, 2006 17:44
Сообщения: 40
Откуда: Нелидово
часть схемы EEC4


Вложения:
EEC4.jpg
EEC4.jpg [ 109.65 КБ | Просмотров: 3364 ]

_________________
Ford Escort 1,4 CVH 91 г.в 5 дв.
Вернуться к началу
 Профиль  
 
Показать сообщения за:  Поле сортировки  
Начать новую тему Ответить на тему  [ Сообщений: 9 ] 

Часовой пояс: UTC + 4 часа [ Летнее время ]


Кто сейчас на конференции

Сейчас этот форум просматривают: нет зарегистрированных пользователей и гости: 11


Вы не можете начинать темы
Вы не можете отвечать на сообщения
Вы не можете редактировать свои сообщения
Вы не можете удалять свои сообщения
Вы не можете добавлять вложения

Найти:
Перейти:  
POWERED_BY
Русская поддержка phpBB
[ Time : 0.024s | 15 Queries | GZIP : Off ]