Автомобильные Форумы POKATILI.RU

Форумы Добровольного Общества Взаимного Обеспечения на Дорогах
Текущее время: Чт апр 16, 2026 9:51

Часовой пояс: UTC + 4 часа [ Летнее время ]




Начать новую тему Ответить на тему  [ Сообщений: 14 ] 
Автор Сообщение
 Заголовок сообщения: Подключение сигналки
СообщениеДобавлено: Ср апр 03, 2013 2:05 
Не в сети
ученик форума
ученик форума

Зарегистрирован: Ср апр 03, 2013 1:52
Сообщения: 6
Машина: Ford Escort
Недавно приобрел сигналку ... Хочу подключить на Ford Escort CL 1.3 HCS '95г.в. карб.
Подключать думал на сам блок предохранителей, но когда посмотрел на него - на первый взгляд подключиться-то некуда = заводские разъемы и места для релюх... никаких тебе клемников ;-)

Интересует два момента...

1) Как лучше всего подключиться?... (я думаю подключаться возле блока предохранителей под пайку непосредственно к подходящему на разъем проводу) или есть другие варианты подключения?

2) Есть ли вменяемая распиновка разъемов, которые приходят на блок предохранителей? Листал TIS у меня блок как LHD - там только названия разъемов и по цветам разрисованы какие провода приходят, а вот их назначение я так и не смог найти...может плохо искал - ткните носом, пожалуйста! или надо только вызванивать?

_________________
_______________________________
Ford Escort CL 1.3 HCS '95г.в. карб. 5 двер. хэтч
Изображение


Вернуться к началу
 Профиль  
 
 Заголовок сообщения: Re: Подключение сигналки
СообщениеДобавлено: Ср апр 03, 2013 11:43 
Не в сети
чайник форума (знак 70)
чайник форума (знак 70)

Зарегистрирован: Вс дек 18, 2011 20:34
Сообщения: 180
Откуда: Киев
Машина: Ford Escort
Я бы не советовал подключаться от блока предохранителей, так как питающие провода (три красных провода), которые приходят на блок, подключены через предохранители, установленные возле аккумуляторной батареи. В случае сгорания предохранителя, после которого будет подключена сигнализация, последняя прийдет в нерабочее состояние. Подключайте сигнализацию максимально близко к источнику питания, то есть от плюсовой клеммы аккумулятора. В комплекте любой нормальной сигнализации должны идти свои предохранители.

_________________
Ford Escort CVH 1,4 CFi, хетчбэк 3-х дверный, 1991 год
http://www.drive2.ru/cars/ford/escort/e ... 5/burakov/


Вернуться к началу
 Профиль  
 
 Заголовок сообщения: Re: Подключение сигналки
СообщениеДобавлено: Ср апр 03, 2013 12:15 
Не в сети
ученик форума
ученик форума

Зарегистрирован: Ср апр 03, 2013 1:52
Сообщения: 6
Машина: Ford Escort
Странно....но у меня непосредственно возле АКБ никаких предохранителей нет...такое впечатление, что провода с клемм идут прямо на 4-х контактный разъем на монтажный блок...
ну или эти предохранители запрятаны от посторонних глаз. Хотя, когда я листал мануал - они нарисованы в нише рядом с АКБ.

И все-таки нет ли где подсмотреть распиновку разъемов монтажного блока (блока предохранителей)?

_________________
_______________________________
Ford Escort CL 1.3 HCS '95г.в. карб. 5 двер. хэтч
Изображение


Вернуться к началу
 Профиль  
 
 Заголовок сообщения: Re: Подключение сигналки
СообщениеДобавлено: Ср апр 03, 2013 12:32 
Не в сети
чайник форума (знак 70)
чайник форума (знак 70)

Зарегистрирован: Вс дек 18, 2011 20:34
Сообщения: 180
Откуда: Киев
Машина: Ford Escort
У меня к сожалению нет такой информации. Люди смотрят в Хейлисе. На форуме должны быть руководства или скачать с http://rutracker.org, там их полно. Предохранители на блок и так же на вентилятор охлаждения, обогрев стёкол находятся в чёрном корпусе, этот корпус прикручен медной пластиной возле плюсовой клеммы аккумулятора. Если их кто-то вырезал, то желательно восстановить. А если вам так охота подключиться именно от блока предохранителей, то подключайтесь непосредственно от входа в блок плюсовых проводов - их три.

_________________
Ford Escort CVH 1,4 CFi, хетчбэк 3-х дверный, 1991 год
http://www.drive2.ru/cars/ford/escort/e ... 5/burakov/


Вернуться к началу
 Профиль  
 
 Заголовок сообщения: Re: Подключение сигналки
СообщениеДобавлено: Ср апр 03, 2013 21:33 
Не в сети
Модератор форума
Модератор форума
Аватара пользователя

Зарегистрирован: Ср сен 01, 2010 13:53
Сообщения: 1979
Откуда: Россия, Питер, центральный р-н
Машина: другой Ford
Для начала данные в студию
1. навык владения тестером
2. знание доработок в машине предхозом
3. название сигналки желательно с сылкой на мануал

4 силовой блок предохранителей существует обязательно во всех моделях FORD.
Вложение:
pred.PNG
pred.PNG [ 27.75 КБ | Просмотров: 7119 ]

его 100% надо восстанавливать это основной блок отсечки электрики на случай

_________________
С уважением, Антон.
-------------------------------------
Ford Focus 2006 универсал TDCI 1,8
был Ford Escort 1997 универсал Zetec 1.6 16v


Вернуться к началу
 Профиль  
 
 Заголовок сообщения: Re: Подключение сигналки
СообщениеДобавлено: Ср апр 03, 2013 23:23 
Не в сети
ученик форума
ученик форума

Зарегистрирован: Ср апр 03, 2013 1:52
Сообщения: 6
Машина: Ford Escort
Сигналка CONVOY-150. Схема подключения в принципе как и у большинства...мне из всех проводов необходимо подключить концевики 4 шт (2 двери, 1 капот, 1 багажник), указатели поворотов 2 шт (лев. и прав. сторона), питание 1 шт, масса 1 шт, кричалка 1 шт. - итого 9 проводов.
С тестером на : "Эй, слыш, ТЫ!" :cool: ... схемы читаю норм.
Да...блок предохранителей возле АКБ нашел...просто первый раз невнимательно посмотрел.
В хейлисе смотрел - концевики вообще-то там нашел .. но по цветам они не совпадают с моей разводкой... :-( + там нет номеров контактов и разъемов на которые они подключаются только цвета.
Предхозы ниче не дорабатывали.
В реале вызвонил только концевик левой передней двери. Это не именно мой блок - нашел просто в инете очень похожий.
Изображение

Прозвонил оба верхних разъема - но концевики с прав. пер. двери и багажника туда не приходят...наверное приходят куда-то снизу.

_________________
_______________________________
Ford Escort CL 1.3 HCS '95г.в. карб. 5 двер. хэтч
Изображение


Вернуться к началу
 Профиль  
 
 Заголовок сообщения: Re: Подключение сигналки
СообщениеДобавлено: Чт апр 04, 2013 0:42 
Не в сети
Модератор форума
Модератор форума
Аватара пользователя

Зарегистрирован: Ср сен 01, 2010 13:53
Сообщения: 1979
Откуда: Россия, Питер, центральный р-н
Машина: другой Ford
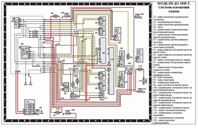
у тебя динькалка работает на открытие двери + фары?
если да, тогда у тя концевики развязаны диодом D1 могут быть всего 2 концевика на передние двери
Вложение:
Resize of svet.PNG
Resize of svet.PNG [ 266.3 КБ | Просмотров: 7111 ]


не стой стороны смотришь у блока, все датчики и концевики снизу подключаются сверху это коса в торпеду

В тисе схема есть только что посмотрел с маркировками разъемов и цветами проводов

_________________
С уважением, Антон.
-------------------------------------
Ford Focus 2006 универсал TDCI 1,8
был Ford Escort 1997 универсал Zetec 1.6 16v


Вернуться к началу
 Профиль  
 
 Заголовок сообщения: Re: Подключение сигналки
СообщениеДобавлено: Чт апр 04, 2013 1:13 
Не в сети
ученик форума
ученик форума

Зарегистрирован: Ср апр 03, 2013 1:52
Сообщения: 6
Машина: Ford Escort
Да....пищалка работает, если с фарами двери открывать.
Ford TIS 2004 DVD.ISO (861 Mb)? разъемы я там видел и цвета там тоже подписаны, а вот функциональное назначение каждого провода я так и не смог разобраться где написано...по-моему этого там нет.
Там перед цветом в скобках еще буквы и цифры написаны...по ним можно определить... например: 31B-9B (BN/WH) - это как раз концевик, который я вызвонил...он действительно преимущественно коричневый.

_________________
_______________________________
Ford Escort CL 1.3 HCS '95г.в. карб. 5 двер. хэтч
Изображение


Последний раз редактировалось ADA007 Чт апр 04, 2013 1:47, всего редактировалось 2 раз(а).

Вернуться к началу
 Профиль  
 
 Заголовок сообщения: Re: Подключение сигналки
СообщениеДобавлено: Чт апр 04, 2013 1:29 
Не в сети
Модератор форума
Модератор форума
Аватара пользователя

Зарегистрирован: Ср сен 01, 2010 13:53
Сообщения: 1979
Откуда: Россия, Питер, центральный р-н
Машина: другой Ford
ADA007 писал(а):
Да....пищалка работает, если с фарами двери открывать.
Ford TIS 2004 DVD.ISO (861 Mb)? разъемы я там видел и цвета там тоже подписаны, а вот функциональное назначение каждого провода я так и не смог разобраться где написано...по-моему этого там нет.

все там есть тока начни от схемы к разъемам и будет тебе понятно. У буржуев все по цепям разбито. Начни с освещения салона оно на концевики зацеплено. найдешь свои провода

_________________
С уважением, Антон.
-------------------------------------
Ford Focus 2006 универсал TDCI 1,8
был Ford Escort 1997 универсал Zetec 1.6 16v


Вернуться к началу
 Профиль  
 
 Заголовок сообщения: Re: Подключение сигналки
СообщениеДобавлено: Чт апр 04, 2013 1:47 
Не в сети
ученик форума
ученик форума

Зарегистрирован: Ср апр 03, 2013 1:52
Сообщения: 6
Машина: Ford Escort
Спасибо, CSpirit, кажется я начал понимать эти буржуйские иероглифы =)

_________________
_______________________________
Ford Escort CL 1.3 HCS '95г.в. карб. 5 двер. хэтч
Изображение


Вернуться к началу
 Профиль  
 
 Заголовок сообщения: Re: Подключение сигналки
СообщениеДобавлено: Чт апр 04, 2013 10:57 
Не в сети
Модератор форума
Модератор форума
Аватара пользователя

Зарегистрирован: Ср сен 01, 2010 13:53
Сообщения: 1979
Откуда: Россия, Питер, центральный р-н
Машина: другой Ford
ADA007 писал(а):
Спасибо, CSpirit, кажется я начал понимать эти буржуйские иероглифы =)

замечательно, я сам по началу плевался на тис, а потом когда понял что каждая цепь отдельно стало просто и понятно

_________________
С уважением, Антон.
-------------------------------------
Ford Focus 2006 универсал TDCI 1,8
был Ford Escort 1997 универсал Zetec 1.6 16v


Вернуться к началу
 Профиль  
 
 Заголовок сообщения: Re: Подключение сигналки
СообщениеДобавлено: Сб апр 13, 2013 14:49 
Не в сети
ученик форума
ученик форума

Зарегистрирован: Ср апр 03, 2013 1:52
Сообщения: 6
Машина: Ford Escort
Ребята, подскажите, срочно!..сейчас протягиваю проводку из моторного отсека в салон.
Снял подкрылок, а там резиновая трубка плотно набитая проводами...Втиснуться между ними не представляется возможным...Она как-то вынимается? Как через нее пробросить провода?

-----------------

Спасибо...уже разобрался...та резинка прессованная с завода - её нужно только дырявить и протягивать через нее провода...по другому никак. ;)

_________________
_______________________________
Ford Escort CL 1.3 HCS '95г.в. карб. 5 двер. хэтч
Изображение


Вернуться к началу
 Профиль  
 
 Заголовок сообщения: Re: Подключение сигналки
СообщениеДобавлено: Вт апр 16, 2013 9:52 
Не в сети
Специалист по электрике
Аватара пользователя

Зарегистрирован: Вт сен 20, 2005 4:06
Сообщения: 6562
Откуда: сКольский п-ов
Не представляется возможным? Ха... протяжка и смазка многое решают... а вааще в афто лучше ничего понапрасну не дырявить...

_________________
Мир всем...
Escort''95 mk6, CLX, hatchback five-door , CFI, J6A, HCS 1.3
...имеющие уши да услышат...
...у быстро бегущей маленькой мышки лапок не видно - отрицать невидимое есть очевидная ересь...


Вернуться к началу
 Профиль  
 
 Заголовок сообщения: Re: Подключение сигналки
СообщениеДобавлено: Вт апр 16, 2013 11:20 
Не в сети
Специалист по электрике
Аватара пользователя

Зарегистрирован: Вт окт 11, 2011 11:02
Сообщения: 1132
Откуда: г.Вязники Владимирской обл.
Машина: Ford Escort
Не знаю у кого как, но когда разбирал старую машинку, там переход из-под крыла в салон сделан залитым в резину. Т.е. в заводских жгутах эта самая резиновая втулка, втавляющаяся в отверстие в кузове, выполнена литьем вместе с проводами и между ними уже ничего не просунуть - там все пролито.
Так сделано, чтобы влага в салон не проникала.

_________________
Escort Ghia 5d 1995 - Zetec 1.8 16v
был купе 1993 - 1.6 16v - разобрал на запчасти

Глаза боятся - руки делают...


Вернуться к началу
 Профиль  
 
Показать сообщения за:  Поле сортировки  
Начать новую тему Ответить на тему  [ Сообщений: 14 ] 

Часовой пояс: UTC + 4 часа [ Летнее время ]


Кто сейчас на конференции

Сейчас этот форум просматривают: нет зарегистрированных пользователей и гости: 2


Вы не можете начинать темы
Вы не можете отвечать на сообщения
Вы не можете редактировать свои сообщения
Вы не можете удалять свои сообщения
Вы не можете добавлять вложения

Найти:
Перейти:  
cron
POWERED_BY
Русская поддержка phpBB
[ Time : 0.056s | 17 Queries | GZIP : Off ]