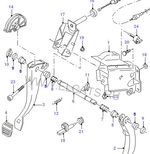
Собственно и ко мне пришла беда сектора, ехал, ушла педаль сцепления в пол и все, приехали. Разобрал как и писали, снял справа скобу, а дальше тянешь ось в лево и слаживаешь аккуратно все что с нее слетает в том же порядке. Сектор поменял, купил SWAG, взял еще один про запас, стоят где-то 5$, запасной так же промажу несколькими слоями эпоксидки в районе оси, там хватает места для этого. Кину пару фот, может кому пригодится. Но есть вопрос к тем кто тоже крутил все это. Скажите пружина одним концом крепится к выступу в полу это понятна, а вот вторым, где она должна красиво крепится к педали? Я ее куда-то подтыкнул, все работает но чутка поскрипывает, хотелось бы всё доделать по уму. Вот может кто помнит укажите.
