Автомобильные Форумы POKATILI.RU

Форумы Добровольного Общества Взаимного Обеспечения на Дорогах
Текущее время: Пн май 04, 2026 14:08

Часовой пояс: UTC + 4 часа [ Летнее время ]




Начать новую тему Ответить на тему  [ Сообщений: 2 ] 
Автор Сообщение
 Заголовок сообщения: не заводится
СообщениеДобавлено: Вс июн 06, 2010 14:33 
Не в сети
ученик форума
ученик форума

Зарегистрирован: Чт май 13, 2010 16:42
Сообщения: 6
Откуда: москва
эскорт 1991г 1.6i нет искры подключил на прямую от плюсовой клемы на катушку искра есть проверил проводку все в порядке. Что может выходить из строя?


Вернуться к началу
 Профиль  
 
 Заголовок сообщения:
СообщениеДобавлено: Вс июн 06, 2010 17:59 
Не в сети
Специалист по электрике
Аватара пользователя

Зарегистрирован: Вт сен 20, 2005 4:06
Сообщения: 6562
Откуда: сКольский п-ов
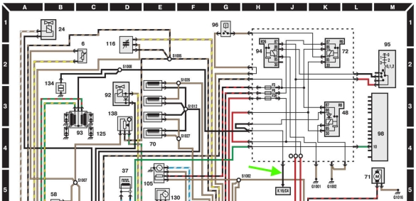
tonik писал(а):
проверил проводку все в порядке

Блок реле запросто может выёживаться.
В месте зеленой стрелки после поворота ключа есть +12В?


Вложения:
sh7.jpg
sh7.jpg [ 134.19 КБ | Просмотров: 1715 ]

_________________
Мир всем...
Escort''95 mk6, CLX, hatchback five-door , CFI, J6A, HCS 1.3
...имеющие уши да услышат...
...у быстро бегущей маленькой мышки лапок не видно - отрицать невидимое есть очевидная ересь...
Вернуться к началу
 Профиль  
 
Показать сообщения за:  Поле сортировки  
Начать новую тему Ответить на тему  [ Сообщений: 2 ] 

Часовой пояс: UTC + 4 часа [ Летнее время ]


Кто сейчас на конференции

Сейчас этот форум просматривают: нет зарегистрированных пользователей и гости: 10


Вы не можете начинать темы
Вы не можете отвечать на сообщения
Вы не можете редактировать свои сообщения
Вы не можете удалять свои сообщения
Вы не можете добавлять вложения

Найти:
Перейти:  
POWERED_BY
Русская поддержка phpBB
[ Time : 0.023s | 16 Queries | GZIP : Off ]