Автомобильные Форумы POKATILI.RU

Форумы Добровольного Общества Взаимного Обеспечения на Дорогах
Текущее время: Чт апр 23, 2026 15:20

Часовой пояс: UTC + 4 часа [ Летнее время ]




Начать новую тему Ответить на тему  [ Сообщений: 42 ]  На страницу 1, 2, 3  След.
Автор Сообщение
СообщениеДобавлено: Вт фев 17, 2009 0:05 
Не в сети
Statisto-Nekromanto
Statisto-Nekromanto
Аватара пользователя

Зарегистрирован: Вт мар 04, 2008 15:24
Сообщения: 6689
Откуда: Питер, Купчино
Датчик вакуума (разрежения)
Vacuum sensor

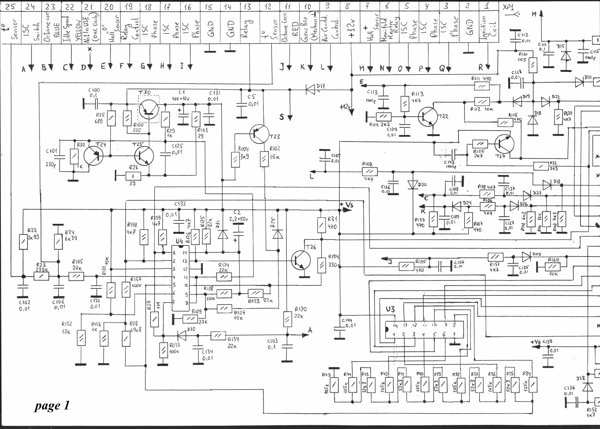
В электронных блоках ESC-2 датчик разрежения размещён на отдельной плате-субмодуле, впаяной на стойках в основную плату РСВ. Конcтруктивно состоит из собственно датчика и экранированого модуля преобразователя давление-частота, исполненого на микросхеме 206S57 (номинал закодирован производителем); все елементы смонтированы на керамической плате, в виде SMD монтажа. Датчик являет собой круглый „бочёнок” из нержавеющей стали, внутри которого размещен квадратной формы плоский кристалл.

(Рис 1)

Испытания модуля производились с помощью осциллографа, частотомера и регулируемого блока питания, с выставленым точно напряжением питания +5В.
На выходе модуля (средний вывод) присутствует постоянное напряжение 2,5В, а также прямоугольные импульсы с частотой 154 Гц, амплитудой 5В.

(Рис 2)

Далее был простой тест работоспособности. Была одета на датчик фирменная насадка с вакуумным патрубком, на который насажено переходную трубку, и с помощью обыкновенной... клизмы воздух вдувался или вытягивался. В последнем случае частота уменьшалась (на 3-4 Гц), а с вдуванием заметно увеличивалась (чем сильнее, тем больше – до195 Гц). Далее внутрь датчика („бочёнок”) была напресована вата средней плотности, одето патрубок. В даном случае „холостые” показания увеличились до 166 Гц. При субъективной оценки при вдувании, показания стали несколько более „динамичными”, а частота достигала 208 Гц. Следующим шагом стало наполнение „боченка” бензином, и повторным испытанием на вдувание. В „холостую”, датчик наполненый бензином, в отличии от ваты, не изменил показания частоты; при вдувании демонстрировал даже худшую динамику, чем в случае без любых наполнителей...
Напоследок, установлено, что изменение напряжения питания, в ту или иную сторону, вызывает небольшое смещение частоты выходного сигнала. Ток потребления составил 1,2 мА

Из всего, вероятно, следует, что:
• паросепаратор между дачиком и впускным коллектором выполняет важную роль, в процессе правильных показаний датчика;
• давление во впускном коллекторе намного больше, чем при испытании датчика, а посему выходные сигналы отличаются более широким интервалом значений;
• датчик разрежения блока ESC-2 является преобразователем давление-частота;
• материал наполнителя датчика имеет принципиальное значение;
• стабильность напряжения питания должна быть высока и обеспечиватся самим блоком ESC-2.


Вложения:
(Рис1) Вакуумный датчик.jpg
(Рис1) Вакуумный датчик.jpg [ 96.58 КБ | Просмотров: 27276 ]
(Рис 2) Показания датчика.jpg
(Рис 2) Показания датчика.jpg [ 118.8 КБ | Просмотров: 27276 ]
ESCdiagram1-1.jpg [448.69 КБ]
Скачиваний: 158
ESCdiagram2-1.jpg [472.31 КБ]
Скачиваний: 148

_________________
Был: ВАЗик21099 '96
Ford Orion '88, CVH 1.4 FUC?, Weber 2V TLDM (ручной подсос) 28/30, ESCII
ВАЗ Приоро Хетч '11, 1.6, 16v
Усе, нет больше линейки!
Изображение
Вернуться к началу
 Профиль  
 
 Заголовок сообщения:
СообщениеДобавлено: Вт фев 17, 2009 0:07 
Не в сети
Statisto-Nekromanto
Statisto-Nekromanto
Аватара пользователя

Зарегистрирован: Вт мар 04, 2008 15:24
Сообщения: 6689
Откуда: Питер, Купчино
Фото самого модуля.


Вложения:
ESC2.JPG [172.57 КБ]
Скачиваний: 225

_________________
Был: ВАЗик21099 '96
Ford Orion '88, CVH 1.4 FUC?, Weber 2V TLDM (ручной подсос) 28/30, ESCII
ВАЗ Приоро Хетч '11, 1.6, 16v
Усе, нет больше линейки!
Изображение
Вернуться к началу
 Профиль  
 
 Заголовок сообщения:
СообщениеДобавлено: Вт фев 17, 2009 21:52 
Не в сети
профессионал форума
профессионал форума
Аватара пользователя

Зарегистрирован: Пт мар 03, 2006 3:59
Сообщения: 2191
Откуда: Питер Ржевка -Пороховые
судя по фотке самого датчика , то в МАР стоит он же.
смею заметить что в задроссельном пространстве присутствует так сказать разряжение, или проще говоря то вакуум.

_________________
ORION-88 CVH-1.6 EEC-IV
Focus II 1,8 Trend джинсовый


Вернуться к началу
 Профиль  
 
 Заголовок сообщения:
СообщениеДобавлено: Пт фев 12, 2010 17:30 
Не в сети
ученик форума
ученик форума
Аватара пользователя

Зарегистрирован: Пт фев 12, 2010 17:28
Сообщения: 49
Откуда: Львов
Машина: другой Ford
Приятно видеть свои приборы в нете... :cool: :smile70:
Ладно, - одна из моих последних тем снова касалась тематики модуля ESC-2
http://ford-club.org.ua/board/index.php ... 45038&st=0 - в основном я "обитаю" на этом фордовском форуме
С уважением, drapieznik


Вернуться к началу
 Профиль  
 
 Заголовок сообщения:
СообщениеДобавлено: Пт фев 12, 2010 19:45 
Не в сети
ученик форума
ученик форума
Аватара пользователя

Зарегистрирован: Пт фев 12, 2010 17:28
Сообщения: 49
Откуда: Львов
Машина: другой Ford
Я тоже рад! А привело меня не фото моего осциллографа и милливольтметра (хотя это было неожиданно увидеть... :smile70: ) - проблемы в одного пользователя с этого сайта
http://www.carhelp.info/forums/139/thread65344/ - вот тема его поломки; я знаю что Ты работала с Эскортовским модулем, может посоветуеш человеку, а то я занят своей моторолловской игрушкой и у меня мой мозг сконцентрирован явно не на Эскортах. :)


Вернуться к началу
 Профиль  
 
 Заголовок сообщения:
СообщениеДобавлено: Пт фев 12, 2010 23:11 
Не в сети
Аналогопатаном форума
Аналогопатаном форума
Аватара пользователя

Зарегистрирован: Чт май 07, 2009 18:17
Сообщения: 13506
Откуда: SPb, finnban
drapieznik 28 выводов - явно иной девайс ::thinking:: кстати, на кархелп меня не пускает - еще одни любители чистить базы?
ЗЫ товарищ не сказал, менял ли он предохранитель :lol:

_________________
Ореон CVH 1.3 1987 + Нива моно миллениум
Изображение НЕ ХОЧЕШЬ БЫТЬ ОВОЩЕМ? - БУДЕШЬ МЯСОМ!


Вернуться к началу
 Профиль  
 
 Заголовок сообщения:
СообщениеДобавлено: Сб фев 13, 2010 18:02 
Не в сети
ученик форума
ученик форума
Аватара пользователя

Зарегистрирован: Пт фев 12, 2010 17:28
Сообщения: 49
Откуда: Львов
Машина: другой Ford
он мне ЛС сообщил, что на самом деле в этом модуле подключены только 12 выводов (из 28)


Вернуться к началу
 Профиль  
 
 Заголовок сообщения:
СообщениеДобавлено: Сб фев 13, 2010 18:05 
Не в сети
ученик форума
ученик форума
Аватара пользователя

Зарегистрирован: Пт фев 12, 2010 17:28
Сообщения: 49
Откуда: Львов
Машина: другой Ford
Ты вот говориш тебя не пускает КарХэлп (может от неактивности на форуме ликвидировали твой профиль - Монитор.Ру такими падлостями страдает) - а вот меня сначала вот сей форум не пускали :lol: - оказывается нужно входить не тут, а с главной страницы... ::doh::
Ты спрашиваеш о преде, - ха, я вот его хотел попросить, чтоб он обрисовал что у него подкапотом, какие датчики и тд. Ибо эскорты такой тучей разных модификаций выпускались, что голова оборотом идет, - с моей Сиеррой мне намного легче...
И где ему и какой предохранитель проверять - ибо я в Эскортах розбираюсь так как и танках Т-80 - дадут сесть - розберусь, а пока не притронусь собственными руками, - звиняйте...
Вот фотки его модуля
Изображение Изображение


Вернуться к началу
 Профиль  
 
 Заголовок сообщения:
СообщениеДобавлено: Сб фев 13, 2010 18:41 
Не в сети
Аналогопатаном форума
Аналогопатаном форума
Аватара пользователя

Зарегистрирован: Чт май 07, 2009 18:17
Сообщения: 13506
Откуда: SPb, finnban
drapieznik 89 и 97 годы - совсем не одно и то же. Я пробовала дать свой второй модуль на проверку на машину 8* года, тоже вроде HCS 1.3 - там все другое оказалось. А здесь и вовсе... одно могу сказать - без образцового сигнала ДПКВ гонять на стенде девайс без толку, и эмулятор 58+2 не канает, свой 36 надо. Будет потеплее - возьму мп3, выкручу свечи, подключу плеер на запись к ДПКВ и покручу. А сейчас даже аккум не стоит. Эта синяя зараза умудряется подкинуть подлян даже когда стоит - снимала аккум для подзарядки дома в мороз, так клемма развалилась :evil:
Книжка, которая у меня есть - от 90-го года. Ему надо схему на ранние (есть что-то интерактивное аж на 80-90 годы), посмотреть какой блок предохранителей. У меня кажись 16-й предохранитель...

_________________
Ореон CVH 1.3 1987 + Нива моно миллениум
Изображение НЕ ХОЧЕШЬ БЫТЬ ОВОЩЕМ? - БУДЕШЬ МЯСОМ!


Вернуться к началу
 Профиль  
 
 Заголовок сообщения:
СообщениеДобавлено: Сб фев 13, 2010 18:49 
Не в сети
Аналогопатаном форума
Аналогопатаном форума
Аватара пользователя

Зарегистрирован: Чт май 07, 2009 18:17
Сообщения: 13506
Откуда: SPb, finnban
Кстати, на половине катушки авто заводилось и как-то даже ехало :smile139: так что у него скорее всего или предохран, или весь модуль.

_________________
Ореон CVH 1.3 1987 + Нива моно миллениум
Изображение НЕ ХОЧЕШЬ БЫТЬ ОВОЩЕМ? - БУДЕШЬ МЯСОМ!


Вернуться к началу
 Профиль  
 
 Заголовок сообщения:
СообщениеДобавлено: Сб фев 13, 2010 19:03 
Не в сети
ученик форума
ученик форума
Аватара пользователя

Зарегистрирован: Пт фев 12, 2010 17:28
Сообщения: 49
Откуда: Львов
Машина: другой Ford
Будем ждать что он ответит... :cool:


Вернуться к началу
 Профиль  
 
 Заголовок сообщения:
СообщениеДобавлено: Вс фев 14, 2010 18:55 
Не в сети
ученик форума
ученик форума

Зарегистрирован: Вс фев 14, 2010 17:45
Сообщения: 1
Откуда: Черкассы
Здравствуйте, у меня Эскорт 1989 г., 1,3 л, двигатель OHV, JBA, ,карб. Weber TLDM 26\28, .. На машине вышел из строя вычислитель системы зажигания ESC 89АВ-12А297-АА Мотоrcraft. Система состоит из модуля ESC (Коммутатора), катушки зажигания (двуконтурная), ДПКВ. Еще подключены к модулю датчики: один в воздушнрм фильтре, второй впускном коллекторе и вакуумный. Отъехал пару сотен метров от дома и машина заглохла. Бензин есть, искры нет. Снял катушку, на ней трещина, скорей всего пробой на массу. Поехал на разборку нашел такую же, поставил, искры тоже нет. Датчик ДПКВ в порядке, сопротивление 300 ом. На всех разборках, на авторынке такого модуля найти не удалось,на нем 28 выводов, но используется 12 (вместе с перемычкой).
Начну с того, что тестером проверил все провода, и питание. Машина заглохла неожиданно.Выкручивал все свечи, соединил их с массой и прокрутил двигатель, искры нигде не было. Когда снял катушку, увидел на обратной стороне трещину и раздутие, поэтому купил другую, проверил, искры тоже не было. Проверил тестером питание, идет паралельно на модуль и на катушку, средняя клемма штекера , все нормально 12,6 В, потом проверил боковые клеммы этого штекера- оба показывали относительно массы 11,43 В. Это при включенном зажигании, при выключенном -0. Получается , что на катушку поступает только положительное напряжение. Может быть пробой в выходном каскаде модуля зажигания. Была мысль купить и поставить трамплер, но на задней стенке блока не нашел отверстия, куда бы можно его впихнуть. Блок ESC отдал в ремонт, пока результатов нет.


Вернуться к началу
 Профиль  
 
 Заголовок сообщения:
СообщениеДобавлено: Пн фев 15, 2010 0:20 
Не в сети
Аналогопатаном форума
Аналогопатаном форума
Аватара пользователя

Зарегистрирован: Чт май 07, 2009 18:17
Сообщения: 13506
Откуда: SPb, finnban
Борис_Дов писал(а):
на задней стенке блока не нашел отверстия, куда бы можно его впихнуть
у меня на HCS заглушка есть. Странно, что у вас она не нашлась.
Борис_Дов писал(а):
средняя клемма штекера , все нормально 12,6 В, потом проверил боковые клеммы этого штекера- оба показывали относительно массы 11,43 В. Это при включенном зажигании, при выключенном -0. Получается , что на катушку поступает только положительное напряжение. Может быть пробой в выходном каскаде модуля зажигания.
положительное напряжение, поступающее на средний вывод первички, через обмотки спускается попеременно на массу силовыми транзисторами. Если транзисторы в обрыве или контроллер по какой-то причине их не раскачивает (нет сигнала от ДПКВ, вышли из строя контроллеры на плате), на крайних будет напряжение около питания. Если в кз - перегорит предохранитель на катушку (или еще че-нить, если предохранитель особо надежный :evil: ).

_________________
Ореон CVH 1.3 1987 + Нива моно миллениум
Изображение НЕ ХОЧЕШЬ БЫТЬ ОВОЩЕМ? - БУДЕШЬ МЯСОМ!


Вернуться к началу
 Профиль  
 
 Заголовок сообщения:
СообщениеДобавлено: Пн фев 15, 2010 0:58 
Не в сети
ученик форума
ученик форума
Аватара пользователя

Зарегистрирован: Пт фев 12, 2010 17:28
Сообщения: 49
Откуда: Львов
Машина: другой Ford
У меня такое впечатление, что лучше бы Борис не отдавал в ремонт этот модуль :smile70: ...
Жаль, что уже нет среди нового поколения радиолюбителей старой школы воспитания, таких что желали все узнать, понять как работает, или хотя б измерить все напряжения и форму сигналов... Вот бы если собрать круг автолюбителей, что б они имели запасные модули зажигания, обследовать их милливольтметрами и осциллографами - уже для ремонтников была б важнейшая поверочная инфа... А так получаеш "труп", - с закодироваными микросхемами, и ... усьо, капуто - в большинстве случаев.


Вернуться к началу
 Профиль  
 
 Заголовок сообщения:
СообщениеДобавлено: Пн фев 15, 2010 1:44 
Не в сети
Аналогопатаном форума
Аналогопатаном форума
Аватара пользователя

Зарегистрирован: Чт май 07, 2009 18:17
Сообщения: 13506
Откуда: SPb, finnban
Даааа, от осцилла на 12 вольт я бы не отказалась бы :???:

_________________
Ореон CVH 1.3 1987 + Нива моно миллениум
Изображение НЕ ХОЧЕШЬ БЫТЬ ОВОЩЕМ? - БУДЕШЬ МЯСОМ!


Вернуться к началу
 Профиль  
 
Показать сообщения за:  Поле сортировки  
Начать новую тему Ответить на тему  [ Сообщений: 42 ]  На страницу 1, 2, 3  След.

Часовой пояс: UTC + 4 часа [ Летнее время ]


Кто сейчас на конференции

Сейчас этот форум просматривают: нет зарегистрированных пользователей и гости: 4


Вы не можете начинать темы
Вы не можете отвечать на сообщения
Вы не можете редактировать свои сообщения
Вы не можете удалять свои сообщения
Вы не можете добавлять вложения

Найти:
Перейти:  
cron
POWERED_BY
Русская поддержка phpBB
[ Time : 0.060s | 18 Queries | GZIP : Off ]