Автомобильные Форумы POKATILI.RU

Форумы Добровольного Общества Взаимного Обеспечения на Дорогах
Текущее время: Ср мар 04, 2026 19:37

Часовой пояс: UTC + 4 часа [ Летнее время ]




Начать новую тему Ответить на тему  [ Сообщений: 68 ]  На страницу Пред.  1, 2, 3, 4, 5  След.
Автор Сообщение
 Заголовок сообщения:
СообщениеДобавлено: Ср май 11, 2011 16:52 
Не в сети
чайник форума (знак 70)
чайник форума (знак 70)

Зарегистрирован: Вс фев 27, 2011 21:56
Сообщения: 89
Откуда: москва
Ждем) :smile139:

_________________
Ford Sierra 1.6 cvh моновпрыск 91 год


Вернуться к началу
 Профиль  
 
 Заголовок сообщения:
СообщениеДобавлено: Ср май 11, 2011 21:29 
Не в сети
Модератор раздела
Модератор раздела
Аватара пользователя

Зарегистрирован: Пт дек 05, 2008 0:10
Сообщения: 8793
Откуда: г Обнинск Калужская обл
Знаешь чего попробуй сделать,посмотри только сначала по своей электросхеме вдруг там по другому,поставь перемычку на мозгах между 49 и 60 пином (контактом),это даст добавочную массу на лямбду. ::thinking::

_________________
.Был:FORD eskort 1991г 1,4дв,СVН, EFI,хетч
сейчас Хонда CR-V 2000г.американка
Несправедливо не ответить на несправедливость!
Жестоко не ответить на жестокость!


Вернуться к началу
 Профиль  
 
 Заголовок сообщения:
СообщениеДобавлено: Чт май 12, 2011 20:24 
Не в сети
чайник форума (знак 70)
чайник форума (знак 70)

Зарегистрирован: Вс фев 27, 2011 21:56
Сообщения: 89
Откуда: москва
хм, слушай у меня была масса на нее проводом закинута, я его убрал думал колхоз какой то, он шел от корпуса лямды на - акб, может назад приколхозить?

_________________
Ford Sierra 1.6 cvh моновпрыск 91 год


Вернуться к началу
 Профиль  
 
 Заголовок сообщения:
СообщениеДобавлено: Чт май 12, 2011 20:36 
Не в сети
Модератор раздела
Модератор раздела
Аватара пользователя

Зарегистрирован: Пт дек 05, 2008 0:10
Сообщения: 8793
Откуда: г Обнинск Калужская обл
долго искал электросхемы на сайру "системы управления двигателем"но так и не нашёл :-( одни двери да акуммуляторы :lol: )если есть то скинь ссылочку.а масса добавочная на лямбде,кому то помогает,кому то нет,но вреда от неё не будет,хотя проще чем тянуть отдельный провод проще перемычку на мозгах воткнуть ::thinking::

_________________
.Был:FORD eskort 1991г 1,4дв,СVН, EFI,хетч
сейчас Хонда CR-V 2000г.американка
Несправедливо не ответить на несправедливость!
Жестоко не ответить на жестокость!


Вернуться к началу
 Профиль  
 
 Заголовок сообщения:
СообщениеДобавлено: Чт май 12, 2011 21:52 
Не в сети
Специалист по электрике
Аватара пользователя

Зарегистрирован: Вт сен 20, 2005 4:06
Сообщения: 6562
Откуда: сКольский п-ов
kingoff писал(а):
хм, слушай у меня была масса на нее проводом закинута, я его убрал думал колхоз какой то, он шел от корпуса лямды на - акб, может назад приколхозить?

Надо схему смотреть.
На разных движках на эскортах разная схема подключения ДК по массе.

_________________
Мир всем...
Escort''95 mk6, CLX, hatchback five-door , CFI, J6A, HCS 1.3
...имеющие уши да услышат...
...у быстро бегущей маленькой мышки лапок не видно - отрицать невидимое есть очевидная ересь...


Вернуться к началу
 Профиль  
 
 Заголовок сообщения:
СообщениеДобавлено: Чт май 12, 2011 21:57 
Не в сети
рейсер форума
рейсер форума
Аватара пользователя

Зарегистрирован: Вт май 29, 2007 23:43
Сообщения: 941
Откуда: не вернуться
tsarik писал(а):
хотя проще чем тянуть отдельный провод проще перемычку на мозгах воткнуть

аха, тока если масса подогревная потеряется - с большой вероятностью выгорит масса лямбды в мозгах


Вернуться к началу
 Профиль  
 
 Заголовок сообщения:
СообщениеДобавлено: Чт май 12, 2011 22:45 
Не в сети
чайник форума (знак 70)
чайник форума (знак 70)

Зарегистрирован: Вс фев 27, 2011 21:56
Сообщения: 89
Откуда: москва
tsarik писал(а):
долго искал электросхемы на сайру "системы управления двигателем"но так и не нашёл :-( одни двери да акуммуляторы :lol: )если есть то скинь ссылочку.а масса добавочная на лямбде,кому то помогает,кому то нет,но вреда от неё не будет,хотя проще чем тянуть отдельный провод проще перемычку на мозгах воткнуть ::thinking::


вот какие то http://www.chinga.spb.ru/wiring/electrical_90-92.zip http://www.chinga.spb.ru/wiring/91-08.zip

_________________
Ford Sierra 1.6 cvh моновпрыск 91 год


Вернуться к началу
 Профиль  
 
 Заголовок сообщения:
СообщениеДобавлено: Пт май 13, 2011 0:06 
Не в сети
Специалист по электрике
Аватара пользователя

Зарегистрирован: Вт сен 20, 2005 4:06
Сообщения: 6562
Откуда: сКольский п-ов
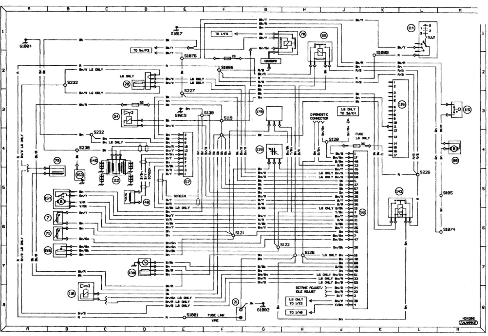
из первой сцылки твой моник:


Вложения:
Комментарий к файлу: моник 1.6-1.8 сайра
1.6-1.8 сайра1.png
1.6-1.8 сайра1.png [ 278.67 КБ | Просмотров: 4594 ]

_________________
Мир всем...
Escort''95 mk6, CLX, hatchback five-door , CFI, J6A, HCS 1.3
...имеющие уши да услышат...
...у быстро бегущей маленькой мышки лапок не видно - отрицать невидимое есть очевидная ересь...
Вернуться к началу
 Профиль  
 
 Заголовок сообщения:
СообщениеДобавлено: Пт май 13, 2011 0:09 
Не в сети
чайник форума (знак 70)
чайник форума (знак 70)

Зарегистрирован: Вс фев 27, 2011 21:56
Сообщения: 89
Откуда: москва
Ну как бы я в черно белых не силен если честно)

_________________
Ford Sierra 1.6 cvh моновпрыск 91 год


Вернуться к началу
 Профиль  
 
 Заголовок сообщения:
СообщениеДобавлено: Пт май 13, 2011 0:29 
Не в сети
Специалист по электрике
Аватара пользователя

Зарегистрирован: Вт сен 20, 2005 4:06
Сообщения: 6562
Откуда: сКольский п-ов
А чё смущает? Усё просто до безобразия. Буквы цветовой маркировки есть в той же сцылке.
Вот твой ДК. Зеленым - непосредственно сам датчик, красным - его подогрев.
Сигнальная масса сидит на корпусе ДК. Отсоедини разъем на ДК и прозвони на корпус ДК тестером провод, соответствующий коричневому проводу с пин.18 БЭУ. Он должен сидеть на корпусе ДК.

Не все ДК у эскортов одинаковые - у зетеков массовый сигнальный провод на корпусе ДК не сидит.


Вложения:
Комментарий к файлу: ДК
.png
.png [ 62.28 КБ | Просмотров: 4585 ]

_________________
Мир всем...
Escort''95 mk6, CLX, hatchback five-door , CFI, J6A, HCS 1.3
...имеющие уши да услышат...
...у быстро бегущей маленькой мышки лапок не видно - отрицать невидимое есть очевидная ересь...
Вернуться к началу
 Профиль  
 
 Заголовок сообщения:
СообщениеДобавлено: Пт май 13, 2011 14:32 
Не в сети
чайник форума (знак 70)
чайник форума (знак 70)

Зарегистрирован: Вс фев 27, 2011 21:56
Сообщения: 89
Откуда: москва
И так одну проблему решил. Глохла на холодную, разобрал дома 2 шаговых мотора и стал изучать. На обоих сопротивление при выдвинутом , но не нажатом чтоке было на 1 - 4 с копейками на втором 10 . На том на котором было 4 видно было что уже пояли пластинки которые загибаются и отгибаются при движении штока , заметил что прилегают плохо, немного подогнули и стало 0.03 ом , по таблице должно быть не более 1 , установил данный шаговик, заводится не глохнет все ок. Обороты при пониженных так же плавают! Буду рыть дальше)

_________________
Ford Sierra 1.6 cvh моновпрыск 91 год


Вернуться к началу
 Профиль  
 
 Заголовок сообщения:
СообщениеДобавлено: Сб май 14, 2011 1:50 
Не в сети
Специалист по электрике
Аватара пользователя

Зарегистрирован: Вт сен 20, 2005 4:06
Сообщения: 6562
Откуда: сКольский п-ов
Вот видишь как ты сбиваешь с толку, говоря что менял ШДДЗ.
Небось и ДПДЗ не новый?

_________________
Мир всем...
Escort''95 mk6, CLX, hatchback five-door , CFI, J6A, HCS 1.3
...имеющие уши да услышат...
...у быстро бегущей маленькой мышки лапок не видно - отрицать невидимое есть очевидная ересь...


Вернуться к началу
 Профиль  
 
 Заголовок сообщения:
СообщениеДобавлено: Сб май 14, 2011 14:41 
Не в сети
чайник форума (знак 70)
чайник форума (знак 70)

Зарегистрирован: Вс фев 27, 2011 21:56
Сообщения: 89
Откуда: москва
MozgoveD писал(а):
Вот видишь как ты сбиваешь с толку, говоря что менял ШДДЗ.
Небось и ДПДЗ не новый?

Не , дпдз новый брал в экзисте.

_________________
Ford Sierra 1.6 cvh моновпрыск 91 год


Вернуться к началу
 Профиль  
 
 Заголовок сообщения:
СообщениеДобавлено: Сб май 14, 2011 15:33 
Не в сети
Специалист по электрике
Аватара пользователя

Зарегистрирован: Вт сен 20, 2005 4:06
Сообщения: 6562
Откуда: сКольский п-ов
kingoff писал(а):
Обороты при пониженных так же плавают!

Как плавают? Плавно или колбасит? Подсоса воздуха нет нигде? Ты писал, выпадает код соленоида угольной канистры. Через него может сосать воздух.

_________________
Мир всем...
Escort''95 mk6, CLX, hatchback five-door , CFI, J6A, HCS 1.3
...имеющие уши да услышат...
...у быстро бегущей маленькой мышки лапок не видно - отрицать невидимое есть очевидная ересь...


Вернуться к началу
 Профиль  
 
 Заголовок сообщения:
СообщениеДобавлено: Сб май 14, 2011 20:18 
Не в сети
чайник форума (знак 70)
чайник форума (знак 70)

Зарегистрирован: Вс фев 27, 2011 21:56
Сообщения: 89
Откуда: москва
MozgoveD писал(а):
kingoff писал(а):
Обороты при пониженных так же плавают!

Как плавают? Плавно или колбасит? Подсоса воздуха нет нигде? Ты писал, выпадает код соленоида угольной канистры. Через него может сосать воздух.

попытаюсь описать))) Когда машина едет на скорости все ок нареканий нет, как только попадаю в пробку хочется ее распилить. Симптомы такие. еду в пробке, жму сцепление начинаю тормозить, и как останавливаюсь начинают гулять обороты вверх вниз ,( если в этот момент трогаешься машину дергает) Ставлю нейтралку отжимаю, нажимаю сцепление , колбас пропадает. Если дам газу то может пропасть может нет! Еде по кочкам на сцеплении крадусь как бы, начинает дергать машину, жму сцепление (бывает заметил ) глухой удар сзади где то. Дам газу снова трогаюсь еду . Ну как то так) Обороты именно колбасит !

_________________
Ford Sierra 1.6 cvh моновпрыск 91 год


Вернуться к началу
 Профиль  
 
Показать сообщения за:  Поле сортировки  
Начать новую тему Ответить на тему  [ Сообщений: 68 ]  На страницу Пред.  1, 2, 3, 4, 5  След.

Часовой пояс: UTC + 4 часа [ Летнее время ]


Кто сейчас на конференции

Сейчас этот форум просматривают: нет зарегистрированных пользователей и гости: 3


Вы не можете начинать темы
Вы не можете отвечать на сообщения
Вы не можете редактировать свои сообщения
Вы не можете удалять свои сообщения
Вы не можете добавлять вложения

Найти:
Перейти:  
POWERED_BY
Русская поддержка phpBB
[ Time : 0.031s | 16 Queries | GZIP : Off ]