Автомобильные Форумы POKATILI.RU

Форумы Добровольного Общества Взаимного Обеспечения на Дорогах
Текущее время: Пн дек 01, 2025 22:17

Часовой пояс: UTC + 4 часа [ Летнее время ]




Начать новую тему Ответить на тему  [ Сообщений: 175 ]  На страницу Пред.  1, 2, 3, 4, 5, 6, 7, 8 ... 12  След.
Автор Сообщение
 Заголовок сообщения:
СообщениеДобавлено: Чт фев 19, 2009 21:52 
Не в сети
профессионал форума
профессионал форума
Аватара пользователя

Зарегистрирован: Пт ноя 21, 2008 0:19
Сообщения: 2158
Откуда: Брест, Беларусь
Homer писал(а):
Вот такая проблема.датчик не коротится. Машина доходит до красной зоны и нифига.Датчик горячий.Феном до ста нагревал его,он работает.в чем проблема понять не могу.

Видимо, не следует слепо верить показометру. Или стрелка 3.14здит, или её датчик. Да и толком не ясно - красная (белая, зелёная и т.д) зона это сколько градусов?

У меня кулер включается в начале красной зоны, это 104 градуса, если верить датчику кулера.

ЗЫ: проверить точно датчик кулера можно в стакане с кипятильником и термометром. Только не в воде, а в масле или антифризе. И термометр соответствующий...

_________________
Escort Mk7 '96 1.6i Zetec 4LPG универсал
Mondeo Mk3 '02 2.0i DuraTec 4LPG универсал
Белорусский Ford Клуб


Вернуться к началу
 Профиль  
 
 Заголовок сообщения:
СообщениеДобавлено: Чт фев 19, 2009 23:03 
Не в сети
профессионал форума
профессионал форума
Аватара пользователя

Зарегистрирован: Пт ноя 21, 2008 0:19
Сообщения: 2158
Откуда: Брест, Беларусь
Courage писал(а):
2) На патрубке радиатора, 2-контактный

Не такой ли?

_________________
Escort Mk7 '96 1.6i Zetec 4LPG универсал
Mondeo Mk3 '02 2.0i DuraTec 4LPG универсал
Белорусский Ford Клуб


Вернуться к началу
 Профиль  
 
 Заголовок сообщения:
СообщениеДобавлено: Пт фев 20, 2009 3:40 
Не в сети
чайник форума (знак 70)
чайник форума (знак 70)

Зарегистрирован: Пн ноя 27, 2006 0:30
Сообщения: 265
Откуда: Баку
ДмитрийМ писал(а):
Courage писал(а):
На моём Эскорте другой мотор, но система таже

Да уж... :shock:
Что система не та - это мягко сказано...
Особенно про четырёхконтактный датчик :shock: :shock: .

Всё равно, спс за инфу.
ЗЫ: моск, наверное, еец5 ?


Чтото непонятно чем это вы так шокированны? Тем что датчик 4-контактный? Так у вас тауой же, если есть кондей. И система включения вентилятора на авто с кондеем одинаковая. Есть маленькие различия, в месторасположении датчиков.

На этих двигателях никогда EEC-5 не стояли.

_________________
Escort 98 CLX, 5-D хэтч, CVH PTE 1.4i SEFI, A/C, SRS, ГУР, Panther Black
Focus-2 2006, 5-D хэтч, 1.6i, стептроник, лунный металлик.
была ВАЗ 21093 Samara 1500 карб, 96г.


Вернуться к началу
 Профиль  
 
 Заголовок сообщения:
СообщениеДобавлено: Сб фев 21, 2009 22:59 
Не в сети
чайник форума (знак 70)
чайник форума (знак 70)
Аватара пользователя

Зарегистрирован: Чт окт 30, 2008 19:15
Сообщения: 192
Откуда: Реутов М.О.
Все,сделал. Пошел в автозапчасти,купил от карбовой 21099 датчик включения 99-94(вроде). И теперь включается в конце буквы А,а выключатся посередине М.Я доволен.

_________________
MB W123 E230 136HP двг 102980 АКПП 722.1(продан башкирам :)
escort 96 г.в. L1H 1.6 v16 ABS ГУР SRS 3х дверный хетч (Продан)
rav4 2000г.в. 2.0 акпп 4х4 кондей 3двери и тоже зеленый:)
Изображение


Вернуться к началу
 Профиль  
 
 Заголовок сообщения:
СообщениеДобавлено: Чт мар 05, 2009 17:09 
Не в сети
чайник форума (знак 70)
чайник форума (знак 70)
Аватара пользователя

Зарегистрирован: Сб окт 25, 2008 22:50
Сообщения: 299
Откуда: Питер, Сосновая поляна.
Кто бы поделился ссылкой на типовую схему подключения вентиллятора радиатора в машинах с кондеем до 95 г.в. Предхоз такого наколбасил, что без болгарки не разрулить :lol: Единственно, что дегустируется на предмет наличия - увесистое зеленое реле рядом с аккумом.

P.S. Кондей отключен на уровне шкивов. Электрические контакты какие-то болтаются...

_________________
Escort Turnier 94 1,6i Zetec (дед Щукарь в немецкой форме)
VIN WF0NXXGCANRY64163 Код двигла L1E КПП B5


Вернуться к началу
 Профиль  
 
 Заголовок сообщения:
СообщениеДобавлено: Чт мар 05, 2009 22:31 
Не в сети
чайник форума (знак 70)
чайник форума (знак 70)
Аватара пользователя

Зарегистрирован: Чт окт 30, 2008 19:15
Сообщения: 192
Откуда: Реутов М.О.
А зачем тода тебе это?сделай через датчик в патрубке и все.Если кондей в отрубе.

_________________
MB W123 E230 136HP двг 102980 АКПП 722.1(продан башкирам :)
escort 96 г.в. L1H 1.6 v16 ABS ГУР SRS 3х дверный хетч (Продан)
rav4 2000г.в. 2.0 акпп 4х4 кондей 3двери и тоже зеленый:)
Изображение


Вернуться к началу
 Профиль  
 
 Заголовок сообщения:
СообщениеДобавлено: Чт мар 05, 2009 23:54 
Не в сети
чайник форума (знак 70)
чайник форума (знак 70)

Зарегистрирован: Ср июн 04, 2008 22:22
Сообщения: 249
Откуда: Латвия Рига
2 Anri. А сколько проводов у тебя к зеленому реле подходит? 7 ?? Просто у меня тоже эта зараза не работает.Как раз думал завтра посмотреть.

_________________
Escort 1.8 Zetek 1996


Вернуться к началу
 Профиль  
 
 Заголовок сообщения:
СообщениеДобавлено: Пт мар 06, 2009 0:39 
Не в сети
чайник форума (знак 70)
чайник форума (знак 70)
Аватара пользователя

Зарегистрирован: Сб окт 25, 2008 22:50
Сообщения: 299
Откуда: Питер, Сосновая поляна.
zvers писал(а):
2 Anri. А сколько проводов у тебя к зеленому реле подходит? 7 ?? Просто у меня тоже эта зараза не работает.Как раз думал завтра посмотреть.

Завтра с утречка посмотрю и сфотаю...
Homer писал(а):
А зачем тода тебе это?сделай через датчик в патрубке и все.Если кондей в отрубе.

Хотелось бы восстановить кондей для поездки в Бетпак-Дала :wink:

Действительно интересует реальная схема подключения. И вот почему:
1. Например в термостате у меня 2 датчика (верхний и нижний), оба двухконтактные. Это что за датчики? На два диапазона температур или один на стрелку в салоне. а другой в мозги? И кто тогда управляет реле?
2. На патрубках радиатора никаких датчиков пока не нашел. Правда у меня их два. Может именно у меня их и быть там не должно?
3. На шелезячном цилиндре длиной ~ 10 см и диаметром 1 см, который здесь называли "балластный резистор", сверху припаяно обычное по виду советское сопротивление неизвестного номинала. Или это потускневший продукт немецкого автопрома? Так должно быть или нет?
4. Из салона ручкой управления отопителем-кондиционером можно вытворять всякие разности с карлсоном. Например, заставить его крутиться так, что думаешь - он и есть Zetec на 5000 об. :wink:
5. При езде в пробке карлсон включается как хочет. Стрелка постоянно живёт над буквой "М". Включается реально на пару секунд и отрубается. А бывает - забывает включиться. Я реально боюсь закипеть. Хочу сделать так. чтобы после включения карлсон отработал дополнительно пару минут, уведя стрелку от предкритичной зоны - лето не за горами.
6. Очень бы хотелось понять какую роль в организации системы управления вентиллятором играют IV мозги.

Вот, вкратце... ::doh::

_________________
Escort Turnier 94 1,6i Zetec (дед Щукарь в немецкой форме)
VIN WF0NXXGCANRY64163 Код двигла L1E КПП B5


Вернуться к началу
 Профиль  
 
 Заголовок сообщения:
СообщениеДобавлено: Пт мар 06, 2009 1:07 
Не в сети
чайник форума (знак 70)
чайник форума (знак 70)
Аватара пользователя

Зарегистрирован: Чт окт 30, 2008 19:15
Сообщения: 192
Откуда: Реутов М.О.
Тут было написано,что схему через реле так и не удалось найти. У меня тоже реле висит и летом хочу ченить помудрить с ним. Насчет более позднего выключения вентилятора,то можно вкрячить реле времени и поставить его на 2мин(допустим).
Нижний датчик-стрелка.
Верхний-мозги.
Реле,по ходу дела, управляет верхний.
Нет на патрубке,значит недолжно его там быть.
Ну если он сам у тебя вкл,то может проблемы с верхним датчиком?проверь его на сопротивление,какое оно должно быть не помню, не могу ссылку найти,там про все датчик инфа есть.

_________________
MB W123 E230 136HP двг 102980 АКПП 722.1(продан башкирам :)
escort 96 г.в. L1H 1.6 v16 ABS ГУР SRS 3х дверный хетч (Продан)
rav4 2000г.в. 2.0 акпп 4х4 кондей 3двери и тоже зеленый:)
Изображение


Вернуться к началу
 Профиль  
 
 Заголовок сообщения:
СообщениеДобавлено: Пт мар 06, 2009 1:15 
Не в сети
чайник форума (знак 70)
чайник форума (знак 70)
Аватара пользователя

Зарегистрирован: Чт окт 30, 2008 19:15
Сообщения: 192
Откуда: Реутов М.О.
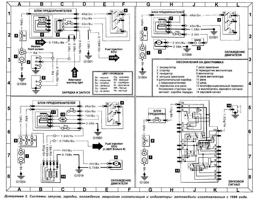
А такая схема пойдет?


Вложения:
схема венти.JPG [183.74 КБ]
Скачиваний: 140

_________________
MB W123 E230 136HP двг 102980 АКПП 722.1(продан башкирам :)
escort 96 г.в. L1H 1.6 v16 ABS ГУР SRS 3х дверный хетч (Продан)
rav4 2000г.в. 2.0 акпп 4х4 кондей 3двери и тоже зеленый:)
Изображение
Вернуться к началу
 Профиль  
 
 Заголовок сообщения:
СообщениеДобавлено: Пт мар 06, 2009 13:33 
Не в сети
чайник форума (знак 70)
чайник форума (знак 70)

Зарегистрирован: Ср июн 04, 2008 22:22
Сообщения: 249
Откуда: Латвия Рига
Схема не совсем полная так как по ней можно прояснить судьбу 5 проводов а еще 2 ( по крайней мере у меня) не совсем понятно куда идут

http://photofile.ru/users/zvers/95319469/105280149/

Как мне кажется 7 проводов это :
1-приходит 12В с АКБ
2-приходит сигнал с мозга
3-приходит сигнал с АС
4-приходит 12В с преда(13? или 22?) при ВКЛ. зажигании
5-Масса
6-уходит 12В на (термопредохранитель 1 скорость???)
7-уходит 12В на ( вентилятор 2 скорость ???)
Есть какие идеи ???

_________________
Escort 1.8 Zetek 1996


Вернуться к началу
 Профиль  
 
 Заголовок сообщения:
СообщениеДобавлено: Пт мар 06, 2009 14:09 
Не в сети
чайник форума (знак 70)
чайник форума (знак 70)
Аватара пользователя

Зарегистрирован: Сб окт 25, 2008 22:50
Сообщения: 299
Откуда: Питер, Сосновая поляна.
Homer писал(а):
А такая схема пойдет?
Это не моя схема... Здесь для машинки после 96 года, а у меня инвалид 94-го. В Hayness приведена не схема, а отписка

_________________
Escort Turnier 94 1,6i Zetec (дед Щукарь в немецкой форме)
VIN WF0NXXGCANRY64163 Код двигла L1E КПП B5


Вернуться к началу
 Профиль  
 
 Заголовок сообщения:
СообщениеДобавлено: Пт мар 06, 2009 14:11 
Не в сети
чайник форума (знак 70)
чайник форума (знак 70)
Аватара пользователя

Зарегистрирован: Чт окт 30, 2008 19:15
Сообщения: 192
Откуда: Реутов М.О.
Сисадмин у нас М3Д1.3К посмотреть фото не могу.

ща просмотрю др

_________________
MB W123 E230 136HP двг 102980 АКПП 722.1(продан башкирам :)
escort 96 г.в. L1H 1.6 v16 ABS ГУР SRS 3х дверный хетч (Продан)
rav4 2000г.в. 2.0 акпп 4х4 кондей 3двери и тоже зеленый:)
Изображение


Вернуться к началу
 Профиль  
 
 Заголовок сообщения:
СообщениеДобавлено: Пт мар 06, 2009 14:13 
Не в сети
чайник форума (знак 70)
чайник форума (знак 70)
Аватара пользователя

Зарегистрирован: Сб окт 25, 2008 22:50
Сообщения: 299
Откуда: Питер, Сосновая поляна.
zvers На моё реле приходят 6 проводов. Всё станет ясно из картинок. Два питающих провода очень мощные, сечением не менее 10 квадратов, а то и по-боле.


Вложения:
Комментарий к файлу: Маркировка релюхи. Венгерская, однако...
rele_01.jpg
rele_01.jpg [ 41.24 КБ | Просмотров: 10527 ]
Комментарий к файлу: Вид слева...
rele_02.jpg
rele_02.jpg [ 50.06 КБ | Просмотров: 10527 ]
Комментарий к файлу: Вид справа...
rele_03.jpg
rele_03.jpg [ 51.61 КБ | Просмотров: 10527 ]

_________________
Escort Turnier 94 1,6i Zetec (дед Щукарь в немецкой форме)
VIN WF0NXXGCANRY64163 Код двигла L1E КПП B5
Вернуться к началу
 Профиль  
 
 Заголовок сообщения:
СообщениеДобавлено: Пт мар 06, 2009 14:22 
Не в сети
чайник форума (знак 70)
чайник форума (знак 70)
Аватара пользователя

Зарегистрирован: Сб окт 25, 2008 22:50
Сообщения: 299
Откуда: Питер, Сосновая поляна.
Щаз посмотрев на своё художество попробую предположить, что два самых тонких провода (чёрный и оранжевый) это управляющие сигналы (от кондея напрямую?, от датчика температуры через мозг?). Те, что по-толще (черно-красные) идут крутить карлсону 1-ю или 2-ю скорость. Ну а самые жирные - возможно, питалово... ИМХО :wink:

Ещё бы узнать через какие предохранители...

_________________
Escort Turnier 94 1,6i Zetec (дед Щукарь в немецкой форме)
VIN WF0NXXGCANRY64163 Код двигла L1E КПП B5


Вернуться к началу
 Профиль  
 
Показать сообщения за:  Поле сортировки  
Начать новую тему Ответить на тему  [ Сообщений: 175 ]  На страницу Пред.  1, 2, 3, 4, 5, 6, 7, 8 ... 12  След.

Часовой пояс: UTC + 4 часа [ Летнее время ]


Кто сейчас на конференции

Сейчас этот форум просматривают: нет зарегистрированных пользователей и гости: 1


Вы не можете начинать темы
Вы не можете отвечать на сообщения
Вы не можете редактировать свои сообщения
Вы не можете удалять свои сообщения
Вы не можете добавлять вложения

Найти:
Перейти:  
cron
POWERED_BY
Русская поддержка phpBB
[ Time : 0.040s | 15 Queries | GZIP : Off ]